创维50E200E液晶电视开机一段时间后自动断电的维修

2022-11-29 03:38:02  阅读 1618 次 评论 0 条
摘要:

接修一台创维50E200E液晶电视,顾客说是开机播放一段时间(可能是几十分钟,也可能是几小时)后就断电了,指示灯也不亮,但拔掉电源线再插上又能开机,过会又重复前面问题。由于当时又看不到故障出现,只能拆机通电检测

       接修一台创维50E200E液晶电视,顾客说是开机播放一段时间(可能是几十分钟,也可能是几小时)后就断电了,指示灯也不亮,但拔掉电源线再插上又能开机,过会又重复前面问题。由于当时又看不到故障出现,只能拆机通电检测+5V. +12V, +24V电源均正常,很自然就怀疑是主板问题,跟顾客说好价格,直接淘宝就近发了张。第二天拿到板子后上门安装,试了半小时没发现异常,收钱走人。但还没回到店里,顾客打电话过来说又断电了 。我叫他不要断电,赶回去拆机检测竟然没有任何电压输出,很明显电源停振了。当即将主板和电源板一并拆回店里慢慢查找故障。

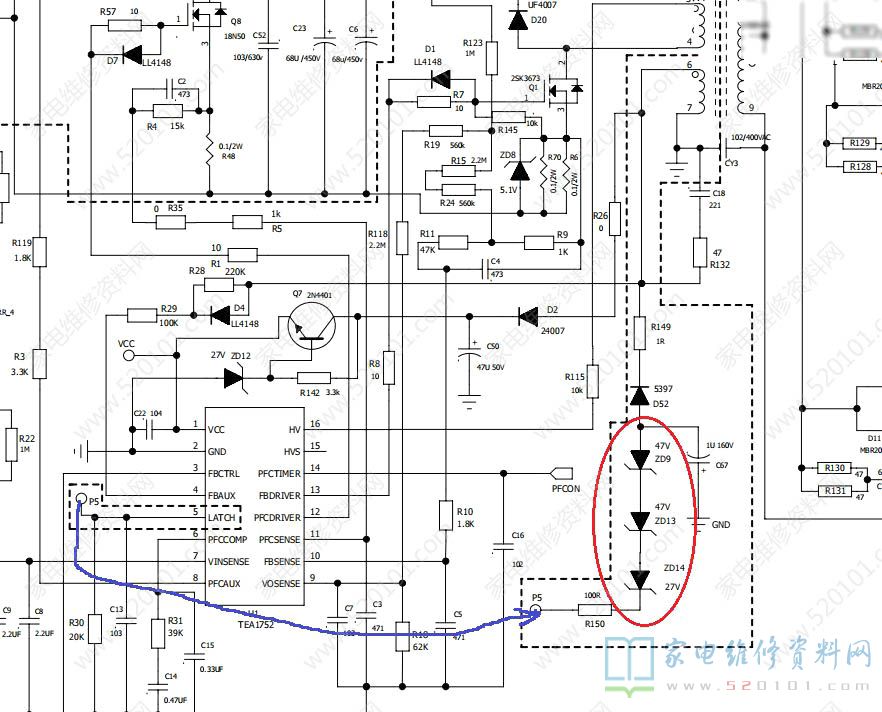
       按照修创维电源板的惯例,将保护电路的Q5和Q13拆除,TL431和 U2 U7光耦全换,连TEA1755T也换掉了,接上主板和假负载(摩托车大灯泡)开机测试到1小时左右又掉电了。看来故障点还是没有找到,于是下载了TEA1755T的PDF研究分析,对比了各脚电压范围和实际测量数据,发现第五脚锁死电压(V_latch)实测0.56V接近规格书0.4V的下限了,可能是这里电压到临界点锁死造成PWM停振断电。这个电压是通过串联的3个稳压二极管ZD9(47V)、 ZD13(47V)、ZD14(27V)提供的,于是决定换掉,但手头只有27V和10V的,于是用3个27V加4个10V串联代换了,换好后通电,电压升到了0.9V,再开机测试了3个多小时都没掉过电,至此算是修复了,接下来就是在顾客哪里的时间考验了。

创维50E200E液晶电视开机一段时间后自动断电的维修 第1张

创维50E200E液晶电视开机一段时间后自动断电的维修 第2张

创维50E200E液晶电视开机一段时间后自动断电的维修 第3张

版权声明:本文为转载文章,版权归原作者所有,欢迎分享本文,转载请保留出处!