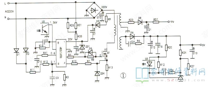
接修一台创维24E61HR液晶彩电,故障表现为上电后三无。上电测得待机5V电压为0V,这说明副电源电路有问题,该机副电源电路U1(TEA1733P)为中心组成,如图1所示。u1①脚为启动电压输入端,实测电压约23V,正常,但⑤脚电压为0V,不正常。检测⑤脚外围元件,发现R11、R12均为(2.2MΩ),已开路,换新后试机,虽⑤脚电压为5V ,但故障依旧。
  
 
为速判故障范围,外接5V直流稳压电源试机,待机灯亮,按待机键后待机灯闪烁,这说明副电源次级电路及CPU基本正常。怀疑u1异常,但换新后,故障依旧。检查U1外围元件,未发现异常。查阅U1资料得知:⑤脚为输入电压检测端,当该脚电压大于3.5V或小于0.7V时,电路将进入保护状态。实测u1⑤脚电压为5V,已超出保护阈值。
拆下电阻R3,换上一只100k可调电阻,并调为最大值,用一台交流稳压器输出220V交流电,接入电视机,并开机,试调可调电阻,同时监测U1⑤脚电压,当⑤脚电压为2.8V时,电路板发出“吱吱”声,当调为2.7V时,“吱吱”声消失,待机灯亮,副电源输出5V电压,稍后显示正常图像。当⑤脚电压降至1.4V时,待机灯灭,光栅消失,副电源无5V输出。经过上述检测,确认U1⑤脚正常电压为1.4V~2.7V,实测本地市电电压约为AC240V ,偏高决定改为 R3阻值使U1⑤脚电压约为2.0V。经过实验,R3的阻值选择为56k。上电试机,故障排除。为便于以后检修参考,测得U1各脚对地在路电阻,见表1,供参考。
  
 
			版权声明:本文为转载文章,版权归原作者所有,欢迎分享本文,转载请保留出处!
			
		
		
		
		
		
		
	