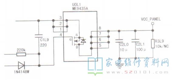
创维55M9液晶电视(8H26机芯)热机时灰屏的故障维修 2022-02-25 18:30:40 阅读 1224 次 评论 0 条 摘要: 接修一台创维55M9液晶电视,机芯是8H26,故障表现为热机时灰屏。上电,测量逻辑板的12V供电电压VCC. PANEL,在故障出现时,该电压降至10V,怀疑故障系上屏电压降低所致。检查上屏电压供电电路, 接修一台创维55M9液晶电视,机芯是8H26,故障表现为热机时灰屏。上电,测量逻辑板的12V供电电压VCC. PANEL,在故障出现时,该电压降至10V,怀疑故障系上屏电压降低所致。检查上屏电压供电电路,如图所示,测得UOL1的①~③脚输入的12V电压正常,怀疑UOL1性能变差,换新后故障排除。 版权声明:本文为转载文章,版权归原作者所有,欢迎分享本文,转载请保留出处! 点赞 分享: PREVIOUS:创维50G3液晶电视(8H52机芯)二次不开机的故障维修 NEXT:创维55H5液晶电视(8H57机芯)二次不开机的故障维修 文章导航