创维部分液晶电视采用的5800-P26TQM-00电源板将电源电路与高压板电路合二为一,其中电源电路采用STR-W6556,为主电路板和高压板电路提 供+5V, +24V和+16V电源。高压板振荡与控制芯片采用OZ9939,半桥转全桥输出电路采用OZ9982,与4只MOSFET和升压变压器配合,产生交流高 频电压,为4个背光灯管供电。
一、电源电路工作原理
创维5800-P26TQM-00电源+高压二合一板实物图解如图6-13所示。它由开关电源部分和高压板部分组成,其中开关电源电路组成框图如图 6-14所示;开关电源电路如图6-15所示。它只有一个主电源电路,集成电路IC601采用;STR-W6556,没有PFC电路和副电源,待机采用降 低主电源输出电压的方式。
1、开关电源基本电路
(1) STR-W6556简介
STR-W6556是新型开关电源专用厚膜电路,其内部电路框图如图6-16所示。它内含反馈型稳压控制电路和大功率MOSFET,以准共振方式工作;具 有过电压、过电流、过载保护功能,待机状态采用间歇振荡方式,降低电源的功耗。它的工作特点有:待机状态下,当输出电压下降时,电源以间隙振荡方式工作, 实现了高效率的待机工作,降低待机功耗;在原来准共振工作方式的基础上增加了底部跳过(Bottom-Skip)功能,改善了中小负载时电源的效率;电源 启动时,以软启动(Soft-Start)方式启动;内藏步进驱动(Step-DriVer)功能,以减小开关噪声;内含过电流、过电压、过载保护电路, 最大开启时间限制电路。STR-W6556引脚功能和工作电压见表6-6。

(2)启动工作过程
AC220V市电电压经熔丝管F601和线路滤波器C601、L601、C603、C604、C602、L602、滤除市电电网中的高频干扰杂波后,通过RBV601桥式整流、滤波电容C600滤波建立300V直流电压。
300V电压经开关变压器T600的一次绕组送到电源厚膜电路IC601 (STR-W6556)的1脚内部大功率开关管漏极;同时AC220V市电经启动电路R600降压、全桥RBV601的一臂整流,向IC601的4脚 C609充电,为IC601提供启动电压;当4脚电压上升到约17V、STR-W6556及其引脚组成的振荡、放大电路启动,开关电源进入正常工作状态。
开关电源正常工作后,将有电流通过开关变压器T600一次侧,并在变压器T600一、二次侧产生脉冲幅度大小不同的感应脉冲信号,T600二次侧的三个绕 组感应电压,经整流滤波电路形成+5V, +16V和+24V电压,为主板和高压板电路供电。与此同时T600的反馈绕组感应电压经R607、D602、C609整流滤波产生直流电压,向4脚提供 更稳定的VCC工作电压。
(3)稳压控制电路
STR-W6556的6脚(FB端)为误差电压输入与间歇振荡控制端。开关机和稳压控制,均通过对6脚电压的调整实现。
STR-W6556的稳压控制采用电流控制方式,使电源在负载大时具有更好的稳定性。稳压控制时,电源二次侧误差增幅器的控制信号通过光耦合器输入到6 脚,STR-W6556内部电路工作时SW1为ON状态,经内部电路变换为反馈电压VFB。与MOSFET的漏极电流成比例的VOCPM电压施加在FB比 较器的“-”输入端子上。因此,通过FB比较器对VOCPM和VFB电压进行比较,构成MOSFET的漏极峰值电流控制方式。过载时FB电流减少到接近为 零,漏极电流受到过电流保护电路设定的电流值的限制。而在负载减小时,F13电流增加、VFB电压上升、漏极电流减小。负载极小时,VFB电压超过FB端 门槛电压时,电源进入间隙振荡,以防止二次输出电压的上升。
稳压控制电路由取样电路R511、R506和误差放大电路IC603 ( T1431)、光耦合器OT601组成,对STR-W6556的6脚电压进行控制,使内部误差放大控制电路动作,控制激励脉冲的脉宽,从而使开关变压器二次输出电压稳定。
开关电源输出+16V电压升高时,经过取样后使IC603导通加强,流过OT601的电流增加,内部发光二极管发光增强,光敏晶体管电流增加,注入 STR-W6556的6脚电流增加,经内部误差比较处理电路后,控制激励脉冲脉宽变窄,开关管导通时间缩短,输出的+16V电压降低到正常值。
反之,开关电源输出+16V电压降低时,经过取样后使IC603导通减弱,注入STR-W6556的6脚电流减小,开关管导通时间延长,输出的+B电压提高到正常值。
(4)过电压保护电路
IC601的4脚工作电压的特点是:低于10V时,开关电源将不工作;高于10V而低于17V时,开关电源输出电压可能不稳定或带不动负载;4脚电压太高时,集成电路内过电压保护电路启动,迫使振荡电路停振,开关电源无电压输出;4脚工作电压需维持在17V左右。
IC601的4脚VCC端与GND端之间叠加27.7V以上电压时,控制集成电路内的过电压保护电路动作。IC601的过电压保护是以锁定方式进行 的。通常,4脚电压是由开关变压器的辅助绕组提供的,由于此电压与输出电压成比例,输出电压检测电路发生开路等异常状况时,过电压保护功能可对二次输出过 电压进行保护。
(5)过载保护电路
SS/OLP端具有两个功能:软启动功能和过载保护功能。
电源启动时,从SS/OLP端输出软启动动作充电电流,对外接电容进行充电,直至达到软启动停止门槛电压。这期间SS/OLP端电压从约0V上升到1. 2V,利用此电压变化电源进行软启动。在间隙振荡的待机工作状态下,在每次的电源工作期间,由于软启动功能的作用,漏极电流是逐渐增加的,此项功能可以抑 制开关变压器发出的声音。
电源二次侧负载时,由于一次辅助绕组电压和输出电压按比例下降,当VCC端电压下降到动作停止电压以下时,IC601停止动作。此时,由于IC601控制 器电路电流同时减少,VCC端电压在启动电阻充电电流下再次上升,达到动作开始电压后电源再启动,进入间隙动作。但是,输出绕组的匝数较大且变压器的耦合 不良时,即便在过载状态下输出电压下降,但一次辅助绕组电压下降的幅度不足时电源也有可能不进入间隙动作。即使此种情况,过载保护(OLP)电路也可进行 保护。在过载状态(过载保护动作时,漏极电流被限制的状态),二次输出电压下降。二次误差增幅器及光耦合器被关断。STR-W6556在FB信号为零、过 电流保护动作持续时,判断为处于过载状态。
2、待机控制电路
待机控制电路由两部分组成:一是由Q501、Q502和6.8B稳压管组成的待机主电源降压控制电路,待机时降低开关电源的输出电压;二是由Q503、Q504组成的待机副电源切换电路,待机时改由+24V输出端降压后的电压供电。
(1)开机状态
遥控开机时,主电路板控制系统向电源板送入高电平开机电压,该高电平使Q1导通,集电极呈低电平,该低电平分为两路:一是使Q2截止,集电极为高电平,对 稳压电路光耦合器OT601的2脚电压不产生影响。开关电源由取样误差放大电路TL431控制,输出高电压,向负载电路供电。二是使Q3截止、集电极呈高 电平,PNP晶体管Q4也截止,对副电源+5V电压不产生影响。
(2)待机状态
遥控关机时,主电路板控制系统向电源板送入低电平待机电压,该高电平使Q1截止,集电极呈高电平,该高电平分为两路:一是Q2导通,集电极为低电平,通过 6.8B稳压管将OT601的2脚电压拉低,流过OT601的电流增加,内部发光二极管发光增强,光敏晶体管电流增加,注入STR-W6556的6脚电流 增加,经内部误差比较处理电路后,控制激励脉冲的脉宽变窄,开关管导通时间缩短,输出的+16V, +24V电压降低到正常值的1/4左右,其中+24V降低到5V左右,负载电路因电压过低停止工作,整机进入待机状态。二是Q1导通的同时,也使Q3导 通,将谬的基极电压拉低而导通,将+24V输出端待机状态降低的5V电压,送到+5V输出端,维持待机状态供电,补充待机状态时+5V电压的不足。
二、电源电路故障维修
创维5800-P26TQM-00电源+高压二合一板发生故障,主要引发开机无图像、无伴音、黑屏幕故障。检修时,可通过观察指示灯是否点亮、测量关键点电压的方法进行维修。
1.指示灯始终不亮,开关电源无电压输出
该机的指示灯由主电源向微处理器副电源供电,指示灯不亮是主开关电源未进入工作状态或副电源稳压电路故障所致。副电源由主电源变压器T600的二次侧D608、C622、L605、C619整流滤波后的整流电压,经D607 (7805)稳压所得的5V电压供电。
检修时测C622的两端是否有电压,如果无电压,多为以STR-W6556为核心开关电源电路发生故障。常见为熔丝熔断、市电整流滤波电路故障、4脚外围 的启动电路故障、STR-W6556内部损坏等。可通过测量C600两端的300V电压和STR-W6556的4脚电压判断故障范围,如果无300V电 压,测量熔丝是否熔断,如果熔丝熔断,首先排除开关电源一次电路严重短路漏电故障,重点检查RBV601、IC601、C600是否击穿。如果有300V 电压,测量STR-W6556的4脚是否有17~20V的启动电压,无启动电压,检查4脚外部的R600、ZD603等启动电路元器件;4脚电压正常,检 查STR-W6556的3、5、7脚外接元器件和6脚外围的稳压控制电路。
如果C622两端有电压,测量D607是否有5V电压输出,无5V电压,故障在以D607为核心的稳压电路;有5V电压,为指示灯电路故障。
2.指示灯亮后熄灭,开关电源输出电压上升后降到0V
该故障是以STR-W6556为核心的一次保护电路执行保护所致。常见为开关电源负载电路、整流滤波电路短路、漏电,稳压环路发生故障引起电源输出电压过高。
对于电源一次侧过电流保护启动,首先检查行输出电路和开关电源二次整流滤波电路是否发生短路故障;过电压保护启动,重点检查取样误差放大电路IC603、OT601。
3.指示灯亮,输出电压低
开机后输出电压始终为正常值的1/4,说明电源板未进入开机状态,故障在以主板微处理器为核心的控制电路和待机电路。常见为微处理器工作条件不具备,如无 5V电压供电,复位、时钟振荡电路故障,导致微处理器未进入工作状态。另外,微处理器通过总线控制系统检测到被控电路或总线信号传输电路有故障时,也会采 取待机保护控制。
开机状态输出电压低,一是取样误差放大电路故障;二是T600二次整流滤波电路或负载电路短路、漏电。
例6-4:开机电源发出叽叽叫声,输出不稳定。
分析与检修:测量开关电源输出的电压低于正常值,故障在开关电源一次电路或稳压环路,多为稳压电路元器件变质、4脚供电电压低。
对稳压环路的取样误差放大电路元器件进行检查,未见异常。对IC601各脚电压进行测量,发现IC601的4脚电压较正常电压低,经查是IC601的4脚VCC二次供电电阻R607开路,引起IC601工作于欠电压保护状态,造成开关电源输出电压过低。
例6-5:开机电源发出尖叫声。
分析与检修:此情况与开关变压器磁芯松动或绕制线圈工艺及开关电源中电容、二极管、电感性能差有关。对上述元器件进行检查,发现为IC601的7脚外部延迟电路中电容C607漏电引起。
例6-6:开机瞬间机内有叫声,随开机时间增长,电视机能正常工作。且叫声消失。
分析与检修:测量开关电源输出的电压低于正常值,测量开关机电压为高电平,故障在开关电源一次电路或稳压环路。
仔细检查开关电源发现,电源在待机时STR-W6556的4脚电压为8V,较正常时的10V低。STR-W6556的启动电压由电源启动电路提供,检查启动电路,发现STR-W6556的4脚电容C609容量已下降。更换此元件后,故障现象消失。
例6-7:开机状态电源板输出电压低,待机状态输出电压正常。
分析与检修:测量开关电源输出电压低,待机状态输出电压正常。此类故障通常与以TL431组成的误差检测控制电路有关。
拆下电源板与负载电路连接器,将ON/OFF开关机控制端接5V输出端开机,接假负载维修,将光耦合器OT601的1、2脚短路。瞬间开机测量开关电源输 出电压,在开机瞬间上升非常高,由此推断电源输出电压低的原因是在开关电源以TL431组成的误差检测控制电路上。对取样电路元器件进行检测,发现下拉电 阻R506阻值变大。更换该元件后,故障排除。
例6-8:待机电压正常,二次开机输出电压瞬间上升后降为0V。
分析与检修:待机状态电压正常,说明待机控制电路和光耦合器OT601及IC601正常,故障与以TL431组成的误差检测控制电路、STR-饥556等组成的稳压控制电路有关,即稳压控制电路失控,造成开关电源输出电压过高,一次保护电路启动,引起输出电压降低到0V。
接通电源,实测TL431的1脚电压在待机时为0. 59V,二次开机后1脚电压很快下降到0. 03V。判断故障与TL431的上分压电阻阻值增大或与光耦合器控制相关电路失效有关。检查发现上拉电阻R511已开路。更换该元件后,故障排除。
三、高压板电路工作原理
1、高压板基本电路
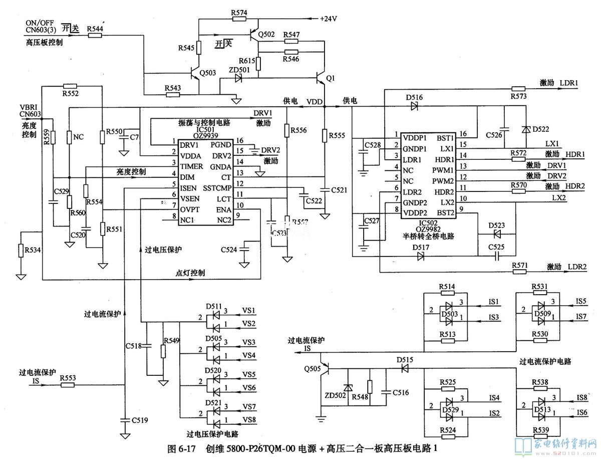
高压板电路如图6-17和图6-18所示。它主要由振荡与控制电路、半桥转全桥输出电路、高压形成电路三大部分组成。电源部分输出的24V电压和点灯控制、亮度调整电压经连接器CN603送到高压板电路。
振荡与控制电路主要由IC501 (0Z9939)内外部电路组成,在主电路板的控制下启动工作,向半桥转全桥输出电路输出两路驱动脉冲信号,并具有过电压、过电流保护功能。
OZ9939是凸凹公司推出的用于液晶产品的背光控制检测电路,利用OZ9939组成的高压板具有效率高、适应电压范围宽、调光范围宽、过电压保护等优点。OZ9939引脚功能见表6-7所示。
(1)背光灯开启电路
电源板输出的+24V电压送入高压板电路,然后分为两路:一路直接送给高压形成电路Q506~Q509;一路经Q1、ZD501组成的稳压电路产生5V的 VDD电压,送给振荡与控制电路IC501 (0Z9939 )和半桥转全桥输出电路IC502 (0Z9982),为高压板电路提供电源。
遥控开机后,主板微处理器输出的ON/OFF高压板高电平开启指令送到Q503的基极,Q503和Q502导通,将+24V电压加到由Q1和 ZD501组成的稳压电路,稳压后产生的VDD电压向高压板振荡与控制电路和半桥转全桥输出电路供电。
主板微处理器输出的VBRI亮度控制电压分为两路:一路直接送到OZ9939的10脚(ENA使能控制端),提供点灯控制电压;另一路经R559送到 IC501的4脚,提供亮度调整电压。OZ9939获得上述供电和控制电压后,内部振荡电路开始启动,经内部处理后从1、15脚输出互为反相的DRV1和 DRV2的半桥PWM脉冲信号,送到OZ9982。
(2)半桥转全桥输出电路
半桥转全桥输出电路由IC502 ( OZ9982)及其外部电路组成,其引脚功能见表6-8。OZ9939从1、15脚输出互为反相的DRVI和DRV2的半桥PWM脉冲信号,送到 OZ9982的13、12脚,经OZ9982放大和倒相后,从14、3脚和11、6脚输出两组激励脉冲,为全桥高压形成电路的4个复合MOSFET提供激 励脉冲。
(3)背光灯高压形成电路
背光灯高压形成电路主要由复合MOSFET(开关管)Q506~Q509和升压变压器T602~T605组成。其中Q506、Q507组成上半臂驱动电 路;Q508, Q509组成下半臂驱动电路。半桥转全桥输出电路IC502 (0Z9982)的14、3脚和11、6脚输出两组激励脉冲LDRI, HDRI和LDR2、HDR2,分别送到Q506~Q509的栅极,驱动Q506~Q509导通和截止,从上半臂输出VA信号,从下半臂输出VB信 号,VA和VB信号在T602 ~T605的一次1-2绕组形成交变电流,在二次3-4、5-6高压绕组产生交流高频电压,升压后的交流电压经连接器CN04~CN07与背光灯管相连 接,为背光灯供电。
2、过电流、过电压保护电路
该高压板在升压变压器T602~T605的二次3-4、5-6高压绕组两端,均设有电压和电流检测电路,4个升压变压器的电压和电流检测电路相同,每个升 压变压器均产生两个VS检测电压和两个IS检测电压,4个升压变压器电路产生的8个VS检测电压汇总后送到IC501 (OZ9939 )的6脚(电压反馈检测输入端),4个升压变压器电路产生的8个IS检测电压汇总后送到OZ9939的5脚(电流反馈检测输入端),当背光灯电路发生故 障,背光灯管电压、电流不正常,输入到5、6脚的检测电压异常时,OZ9939停止振荡,达到保护的目的。
(1)背光灯电流反馈电路
高压板在升压变压器T605~T602二次侧的D510、R552、R585、D512、R537、R538、D507、R527、R526、D506、 R518、R519组成灯管启动电流检测反馈电路,产生的IS1、IS3、IS5、IS7四个检测电压经D503、D509电路会合后产生IS电压经 R553直接送到IC501(0Z9939)的5脚;T605~T602二次侧的D512、R537、R538、D508、R529、R528、 D504、R517、R516、D501、R512、R513组成灯管过电流保护检测反馈电路,产生的IS2、IS4,IS6、IS8四个检测电压经 D529、D513、D515电路会合后,再经Q505放大产生IS电压,经R553送到OZ9939的5脚。
(2)背光灯电压反馈电路
高压板在升压变压器T605~T602二次侧的C551、R535、R536、C510、R533、R534、C635、R566、R565、C536、 R567、R568、C634、R563、R564、C533、R561、R562、C504、R518、R519、C505、R521、R520等组成 灯管过电压取样反馈电路,产生的VS1、VS2、VS5、VS6、VS7、VS8检测电压经D511、D505、D520、D521整流电路会合后产生 VSEN电压,送到OZ9939的6脚。
四、高压板电路故障维修
创维5800-P26TQM-00电源+高压二合一板高压板电路发生故障,主要引发有伴音、黑屏幕故障,可通过观察待机指示灯是否点亮,测量关键点电压, 解除保护的方法进行维修。高压板电路故障主要表现为:一是背光灯始终不亮,液晶屏始终为黑屏幕,主要检查高压板的工作条件和高压板电路;二是液晶屏开机瞬 间背光灯点亮,然后熄灭,主要检查保护监测电路、背光灯管和高压形成电路。
1、检测高压板电路
(1)测量高压板工作条件
当高压板不工作,背光灯根本不亮产生黑屏幕故障时,首先测量高压板的工作条件:一是测量+24V供电是否正常;二是测量ON/OFF高压板开启电压是否正 常;三是测量VBRI亮度调整电压是否正常;四是测量5V稳压电路Q1的发射极,IC501 (0Z9939 )的2脚或IC502 (0Z9982)的1、8脚有无5V的VDD供电电压。
如果+24V供电不正常,检查电源板供电电路;ON/OFF和VBRI电压不正常,检查主电路板上的控制系统电路;如果Q1的发射极无5V供电输出,则检查以Q1、ZD501为核心的5V稳压电路和以Q503、Q502为核心的高压板开启控制电路。
(2)测试激励脉冲
高压板的工作条件正常时,一是测量OZ9939的1、15脚有无脉冲电压输出,有条件的测量其输出波形有无和是否正常,如果OZ9939的1、15脚无脉 冲电压输出,故障在以OZ9939为核心的振荡与控制电路;二是如果OZ9939输出激励脉冲正常,则测量OZ9982的14、3、11、6脚有无脉冲电 压输出或输出波形是否正常,如果OZ9982无脉冲电压输出,故障在以OZ9982为核心的半桥转全桥输出电路,否则故障在高压板高压形成电路中。
2、检修保护电路
(1)根据故障现象判断
开机灯管亮一下熄灭,属于背光保护电路故障。背光保护有两种:一种是过电压保护;一种是过电流保护。这两种保护动作时,所表现的现象是有区别的。如果是过电压保护,则灯管点亮后大约1s才熄灭;如果是过电流保护,则灯管点亮后瞬间熄灭(灯管不良的除外)。
(2)短路OZ9939的3脚判断
判断是过电压保护还是过电流保护,还可以通过对地短路OZ9939的3脚的方法来实现。当6脚的VSEN电压达到3. 0V时,3脚内部开关被打开,一个为3. 0wA电流对电容C520进行充电,当电压达到3V时,OZ9939启动内部的保护功能,这时OZ9939就被关闭。通过选择C520的容量可以确定 OZ9939被保护的时间点。将该脚短路到地,强制其工作,如果这时灯管点亮后不熄灭,则说明是过电压保护,如果还是熄灭,则说明是过电流保护。
3、追查引起保护原因
对于过电压保护,多数是由于输出龟路开路引起:一是变压器、输出插座、输出电容虚焊等,也有取样电容击穿或开路引起,检修时将变压器、输出插座、输出电容 引脚重新焊接一遍;采用对比法,用数字万用表在路测量取样电容的正反向容量,找到在路正反向容量差别较大的一组,更换相关的电容,故障即可排除。二是灯管 开路或失效,可在开机的瞬间,观察灯管的点亮情况,对点亮异常的灯管进行代换试验,判断是灯管故障还是高压板故障。
对于过电流保护,多数是由于变压器匝间短路引起负载电流过大产生。维修时可以分别将各个升压变压器的一次侧断开,进行开机试验,确定是哪个检测支路引起的保护。
例6-9:开机显示屏亮一下。然后黑屏。指示灯亮。
分析与检修:根据故障现象判断,高压板保护电路启动。拆机观察灯管在开机瞬间的发光情况,发现T603这组灯管一半亮一半暗,15s左右黑屏。开机测量 IC501的6脚电压上升到2. 8V,而正常为0. 5V,灯管熄灭变为0V,显然是过电压保护电路启动。逐个断开IC501的6脚外部过电压保护电路的整流滤波电路D511、D505、D520、 D521,每断开一路进行一次开机试验,当断开D520时,开机能正常点亮灯管。对D520相关联的T603二次过电压检测电路进行检查,发现R564阻 值变大,使灯管反馈电压过高,造成IC501保护而停止工作。
例6-10:开机屏闪烁,亮度低且屏右边暗左边亮,画面正常。
分析与检修:首先测量高压板的工作条件,+24V电压正常,但测量IC501、IC502的5V工作电压时,,发现VDD电压为3.5V,低于正常值 5V,测量5V稳压电路Q1的各脚电压,发现基极电压也偏低,对基极电路的稳压管和分压电阻进行在路检测,未见异常,怀疑稳压管ZD501性能不良、稳压 值下降。用一只5. 6V稳压管更换ZD501后,故障排除。
例6-11:开机屏亮一下瞬间黑屏。指示灯亮。
分析与检修:根据故障现象初步判断是过电流保护引起。为证实判断是否正确,用数字万用表电流挡,将 OZ9939的3脚对地短路,开机依然保护,证明确实是过电流保护。分别将各个升压变压器的一次侧断开,进行开机试验,确定是哪个检测支路引起的保护。
当断开升压变压器T602一次侧,开机观察其他升压变压器供电的灯管能正常点亮不熄灭,断电用数字万用表电阻挡测量T603的二次绕组阻值少30Ω,说明T603二次绕组匝间有短路,造成灯管反馈电流过大使029938过电流保护。更换T603后,故障排除。

