采用该电源+高压二合一板的彩电还有创维TLM37 P69 GP、TLM42 P69 GP、TLM47 P69 GP等液晶彩电,均可参照本节内容维修。
海信TLM32P69GP液晶电视高压板电路振荡与控制电路采用OZ9925 GN,激励电路采用FAN7382,与末级推挽升压电路MOSFET组合,将PFC电路输出的380V直流电转换为交流高压,为背光灯供电。
 
 
  一、电源电路工作原理
 1、PFC 电路
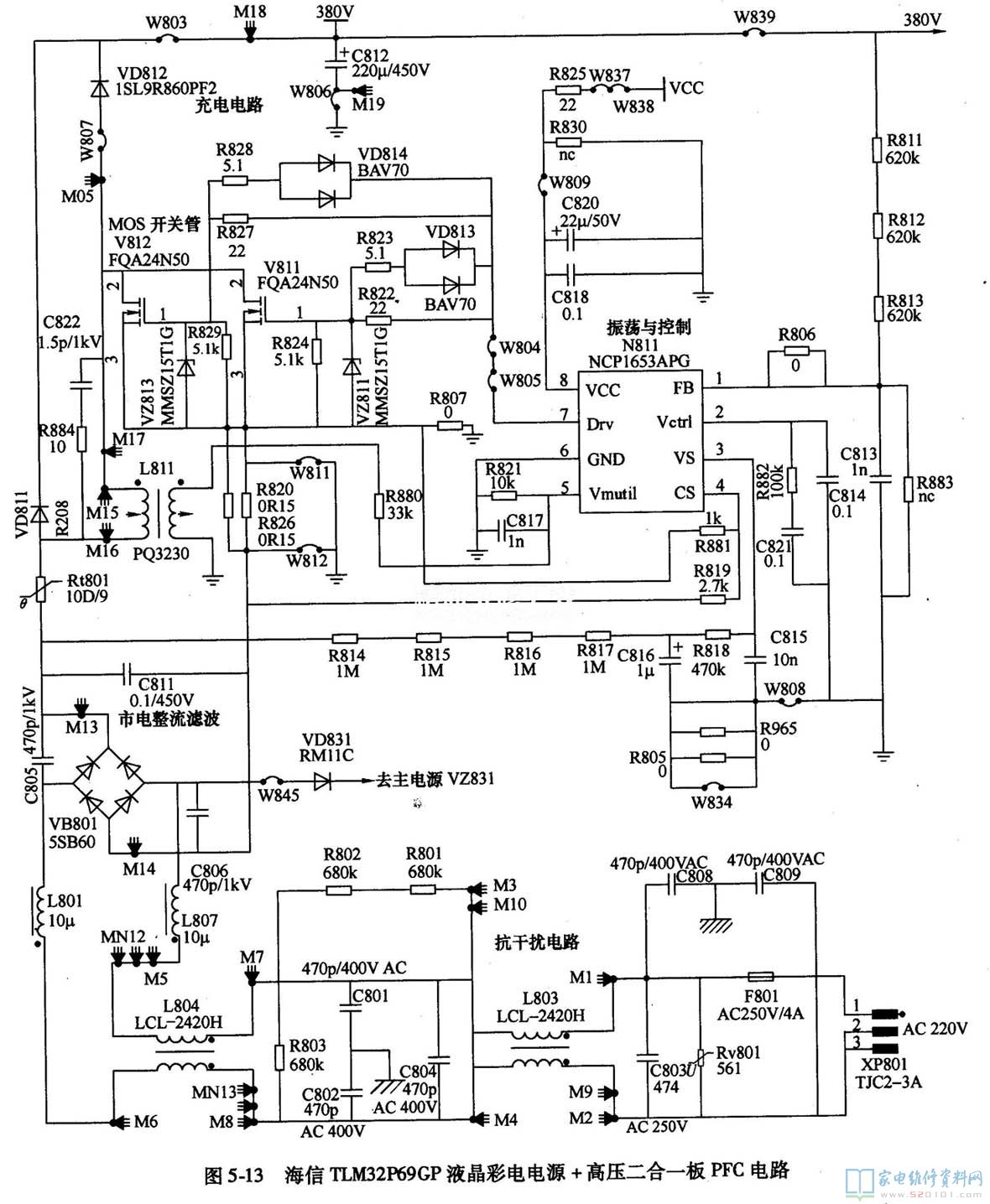
 海信TLM32P69GP液晶彩电电源+高压二合一板PFC电路如图5-13所示。它由驱动控制电路N811 (NCP1653APG),大功率MOSFET(开关管)V811、V812,储能电感L811,充电电路VD812、C812组成。它通过电感来校正电 流的相位,使电流与电压相位一致,从而提高功率因数,并防止电路产生的多次谐波对电网造成干扰,提高电源的有效利用率。 
     (1)NCP1653APG简介
     NCP1653APG是一个设计于连续导通模式的PFC激励控制器,是一个宽电压、PWM控制驱动器,既可运行于67kHz或100kHz固定开关频率的 随动激励或恒定输出电压DCM模式,又能工作在临界导电频率变化的CRM模式。除了能控制通常的固定输出电压外,还能以输出电压跟踪输入电压的形式工作, 这一特性被称为跟踪电压。NCP1653APG的最大特点是将原芯片的16只引脚缩减了1/2,不仅简化了电路结构,降低了成本,而且也提高了可靠性。 
 
     NCP1653APG内部电路框图如图5-14所示,集成了基准电压源、OSC振荡器、电流镜像比较器、误差放大器、PFC调制器、零电流检测器、RS锁 存器、MOSFET驱动级、过电压保护、过电流保护、过热保护以及欠电压锁定等功能电路。采用8引脚PDIP和SOP两种封装结构,其引脚功能和对地电压 见表5-7。
  
 
     (2)启动工作过程
     AC 220V市电经熔丝F801后,再经C803、L803、C804、C801、C802、L804组成的抗干扰电路滤除干扰后,由全桥VB801整流和 C811滤波,由于C811容量小,得到100 Hz的脉动电压,经过储能电感L811加到开关管V811、V812的漏极,遥控开机后,主电源提供的VCC电压经待机控制电路控制后送到N811的8 脚,为其提供VCC工作电压,内部启动工作,从7脚输出驱动脉冲,推动开关管V811、V812工作于开关状态,PFC电路启动工作,储能电感L811储 存的感应电压与AC 220V市电整流滤波后输出的脉动直流电压相叠加,经VD812整流,向C812充电,产生约380V的PFC直流电压,向主电源供电。
     (3)稳压控制电路
     PFC电路的调节由N811的1、3、4脚完成:PFC电路输出的380V电压经过R811、R813与R883分压后送到N811的1脚,作为PFC输 出反馈,经内部镜像处理和电流调节单元调整和比较放大转换成控制电压加到PFC调制器的反相端;如果PFC输出电压升高,注入N811的1脚反馈电压上 升,经调节单元处理,控制7脚输出方波脉冲占空比减小,PFC输出的电压回落到设定值。
     AC 220V市电经整流桥输出的脉动直流电压经R814~R818降压送到驱动控制电路N811的3脚,给3脚电容C816、C815充电,充电电压作为交流 线电压采样加到PFC比较器同相输入端,在PFC输出电压稳定,即PFC反相端控制电压不变时,对电感L811中输入的电流进行幅度调制,使电感峰值电流 动态跟踪交流线电压变化,使其包络线呈正弦波。
      (4)过电流保护电路
     过电流保护电路由N811的4脚内外电路组成,R820 / R826, R807串联在整机电源供电的回路中,R820 / R826、R807两端的电压降反映了整机的电流大小,N811的4脚通过R881、R819对R820 / R826、R807两端的电压降进行检测。
     当R820 / R826, R807两端的电压降增大,使N811的4脚电压升高到保护设定值时,内部会立即关闭PFC脉冲输出,达到保护的目的。
 2、主电源电路
     海信TLM32P69GP液晶彩电电源+高压二合一板主电源电路如图5-15所示。 
它由振荡、稳压、驱动、输出电路N831 (NCP1207APG),大功率MOSFET(开关管)V832、开关变压器T831和稳压控制电路组成,一是在T831的二次侧冷地端产生5 V-S电压,为主板上的微处理器控制系统提供电源;开机后产生5 V-M和12V电压,为主电路板电路供电。二是在热地端输出+15'V的VCC电压,为PFC驱动电路提供VCC工作电压。
      (1)NCP1207APG简介
     NCP1207APG是电流模式PWM控制器和去磁检查器合成的集成电路,具有集成度高、待机能耗低等优点。NCP1207 APG内部电路框图如图5-16所示,其内部集成有HV高电压流源、软启动电路、基准电压源、时钟发生器、振荡器、驱动输出级和欠电压、过载保护等电路。 NCP1207APG引脚功能和对地电压见表5-8。
  
 
  
 
      (2)启动工作过程
     开机状态,PFC电路正常工作后,产生约380V的PFC输出电压。该电压经L834送到开关变压器T831的1脚,并从T831的3脚输出接到开关管 V832的漏极;同时AC 220V市电经VD811整流后,击穿稳压管VZ831,再经R835、R885、R886送到N831的8脚高压启动电流输入端,经8脚内部恒流源,对 6脚外接电容C834充电,当达到集成电路的启动振荡电压时,N831开始振荡,输出脉冲信号驱动V832工作于开关状态,在T831的各个绕组产生感应 电压。
      (3)整流输出电路
     开关变压器T831的热地端反馈5-6-7端产生的感应电压,5端输出电压经过VD833,R872//R873、C835整流滤波后再经V831、 VZ832组成的稳压电路稳压,输出14.3V电压加到N831的6脚VCC端,维持正常工作。T831的6脚输出的脉冲电压经VD834、R843、 C837、R877、R845//R846整流滤波分压限流后,输出的电压经待机控制电路送往PFC驱动电路N811,作为开机后的工作电压。
     T831绕组的冷地端13-14端的脉冲电压经VD836、C851、L832、C852组成的电路整流滤波后,产生+5V4的5V-S电压,为主 电路板控制系统供电,并点亮指示灯VD839;该电压经待机控制电路的V838, VZ835控制稳压后产生5V-M电压,为主电路板小信号处理电路供电。T831绕组的冷地端8-10端的脉冲电压经VD837、C848、L833、 C849组成的电路整流滤波后产生的电压,经待机控制电路的V837、N835控制稳压后输出12V电压,为主电路板供电。
       (4)稳压控制电路
     N831的2脚为取样反馈脚,与光耦合器N832的4脚相连接,N832的2脚接误差取样集成电路N833 (TL431L),以稳定T831二次侧的各路输出电压。
     当开关电源因PFC电路供电过高或负载电流减小等原因造成5V-Q电压升高时,经过取样电路取样加到N833的1脚电压升高,经内部比较放大后,2脚电压降低,光耦合器N832的1-2脚发光二极管电流增大,3-4脚内部光敏晶体管导通,使N831的2脚电压降低,经内部误差放大电路处理后,控制5脚输出的PWM脉冲宽度变窄,开关管V832提前截止,输出电压下降到正常值。
        (5)待机控制电路
     待机控制电路分为三部分:一是T831二次侧的V836、V835、V837、N835和V838、VZ835组成的12V、5V-M输出电压控制电路;二是由V834、N834、V833组成的VCC供电电压控制电路。
     1)遥控开机时,主板输出ON/OFF高电平开机控制信号。通过连接器XP802/XP-14的12脚进入电源组件,ON/OFF高电平分为两路:
     第一路电压送到T831二次侧的12V、V-M输出电压控制电路V836的基极,V836导通,集电极变为低电平,将PNP晶体管V835的基极电压拉低而导通,其发射极电压从集电极输
 出,经R878加到V837的栅极,向V837、N835、VZ836组成的稳压电路提供正向偏置电压而导通,V837导通并稳压,漏极14V电压从源被 输出,提供12V给高压电路及主板相关电路使用;V837导通输出的12V电压通过R854送到V838的栅极,V838导通,其源极输出5V-M电压送 到主板电路,主电路板获电工作,进入开机收看状态,同时将指示灯VD838点亮。
     第二路送到VCC供电电压控制电路V834的基极,V834导通,使光耦合器N834导通,内部光敏晶体管的导通将正向偏置电压送到V833的基极,V833导通,向PFC电路提供VCC供电,电路启动工作,进入开机状态。
     2)遥控关机时,主板微处理器控制系统输出ON/OFF低电平关机控制信号,ON/OFF低电平分为两路:
     第一路电压送到T831二次侧的12V, 5V-M输出电压控制电路V836的基极,V836截止,集电极变为高电平,PNP晶体管V835截止,切断了V837的栅极正向偏置电压,V837截 止,无12V电压输出,高压电路及主板相关电路停止工作;V838的栅极也失去正向偏置电压而截止,无5 V-M电压输出,主电路板相关电路停止工作,进入待机状态,同时指示灯VD838熄灭。
     第二路送到VCC供电电压控制电路V834的基极,V834截止,光耦合器N834截止,V833的基极失去正向偏置电压而截止,PFC电路无VCC供电而停止工作,主电源供电由开机状态的380V供电改为300V供电,以降低待机状态的电源功耗。
      (6)过电压、过电流保护电路
     N831的1脚为过电压检测脚,外接保护电路。当T831输出电压异常升高时,T831的5脚电压随之升高,经R875, R876送到N831的1脚。当该电压超过7.2V时,N831进入过电压锁定状态,其6脚电压由12V降至4. 0V。只有重新拔、插220V电源插头,N831才能启动工作。
 N831的3脚为过电流检测脚,T831的负载过大时,V832的漏一源极电流流过R842上的压降增大,经过R840送入N831的3脚,使内部保护电路启动,达到过电流保护的目的。 
 
 
 二、电源电路故障维修
     海信TLM32P69GP液晶彩电电源+高压二合一板发生故障,主要引发开机三无、黑屏幕故障,可通过观察待机指示灯是否点亮,测量关键点电压,解除保护的方法进行维修。
     本机电源板可以从电视机上摘下独立维修,维修时拔掉输出连接器XP812/XP-13和XP802/XP-14,将XP802/XP-14的12脚ON /OFF端与10、11脚5 V-S端相连接,模拟开机ON/OFF高电平开机电压,电源板处于开机状态,正常时各路电压均有输出。如果不是带负载能力差的故障,本电源可以空载维修。 
 1、待机指示灯不亮
     (1)熔丝熔断
     测量熔丝F801是否熔断,如果已经熔断,说明开关电源存在严重的短路故障,主要对以下电路进行检测:一是检测市电输入抗干扰电路C803、C804、 C801、C802及整流滤波VB801、C811是否击穿漏电。二是检查主电源开关管V832是否击穿,如果击穿,进一步检查T831的1-3绕组并联 的尖峰吸收元器件VD832、R837、C833;检查N831的2脚外部稳压控制电路N832、N833是否发生开路故障,造成输出电压过高损坏开关管 V832;检查N831的3脚外部过电流检测电路的R840、R842是否连带损坏。三是检查PFC电路开关管V811、V812是否击穿,如果击穿,检 查N811的1脚外部稳压电路和4脚外部过电流保护电路。
     (2)熔丝未断
     如果测量熔丝F801未断,但指示灯不亮,测量主电源无电压输出,主要是开关电源电路未工作,主要对以下电路进行检测:一是测量V832的漏极有无待机状 态300V、开机状态3加V电压,若无300V电压,检查市电整流滤波电路。二是测量N831的8脚有无启动电压、N831的6脚有无+14.3V直流电 压。若8脚无启动电压,检查8脚外部的VD811、VZ831、R835、R885、R886;若6脚无VCC电压,检查6脚外部的二次供电电路 VD833、R873 //R872、C835、V831、VZ832等。三是测量N831的5脚有无 PWM驱动脉冲输出,有驱动脉冲信号输出,检查N831的5脚外部R839、V832、R842;如果测量N831的5脚无PWM驱动脉冲输出,检查 N831外部元器件,外部元器件正常时,更换N831。
 
 2、待机指示灯亮
 按下遥控“POWER”键,测量ON/OFF开关机控制电压有无高电平,如果为低电平、故障在主电路板控制系统;如果为高电平、但主电 源无电压输出,则故障在主电源或待机控制电路:一是测量N811的8脚有无VCC供电,如果无VCC电压,检查V833, N834, V834为核心的待机控制电路;二是测量电源板有无受控的12V和5 V-M电压输出,如果无电压输出,检查T831二次侧的V836、V835、V837、N835和V838、VZ835组成的12V、5V-M输出电压控 制电路。
 
 3、开机后自动关机
     如果指示灯亮,开机的瞬间主开关电源启动,并在主开关电源变压器二次侧有电压输出,几秒钟后主开关电源停止工作,输出电压降到0V,多为保护电路启动所致。
     该机的保护电路比较简单,过电压保护主要测量N831的1脚电压是否正常,如果高于正常值,则是过电压保护电路启动,检查1脚外部元器件和稳压控制电路元 器件是否变质损坏;过电流保护主要检查V832的源极电阻R842是否变质。如果怀疑是负载电路短路引发过电流保护,可断开负载电路,接假负载,独立维修电源板。
 
     例5-6:开机黑屏幕.指示灯不亮。
     分析与检修:测量市电输入电路的熔丝F801未断,测量开关电源无电压输出,判断开关电源电路发生故障。
     对开关电源进行检测,测量驱动电路N831的8脚无启动电压,对8脚外部的启动电路进行检测,发现R835烧断,更换R835后,故障排除。
 
     例5-7:开机黑屏幕,指示灯亮。
     分析与检修:指示灯亮,说明开关电源基本正常,按下“POWER”键开机,测量主开关电源无12V电压和5 V-M电压输出,测量ON/OFF电压为高电平,判断故障在电源板待机控制电路。对T831二次侧的V836、V835、V837、N835和V838、 VZ835组成的12V、5V-M输出电压控制电路进行检查。
     测量C848两端的+14V电压正常,测量V837的栅极电压也为高电平,判断V837内部开路,更换V837后,12V输出电压恢复正常,5 V-M电压也恢复正常,故障排除。
 
     例5-8:开机背光灯亮.无图像、无伴音.黑屏幕,指示灯亮。
     分析与检修:打开机壳,首先观察发现VD838没有点亮,根据工作原理,VD838由5 V-M电压供电,测量电源板输出的测量电源板输出的5V-S、12V输出电压正常,而5 V-M无输出电压。测量5 V-M供电控制电路,泼现V838的栅极电压为0. 1 V,正常时此脚电压为11. 5V,测量V838的栅极外部电路,发现12V到V838的栅极之间的偏置电阻R854阻值变大。更换R854后,故障排除。 
 
 
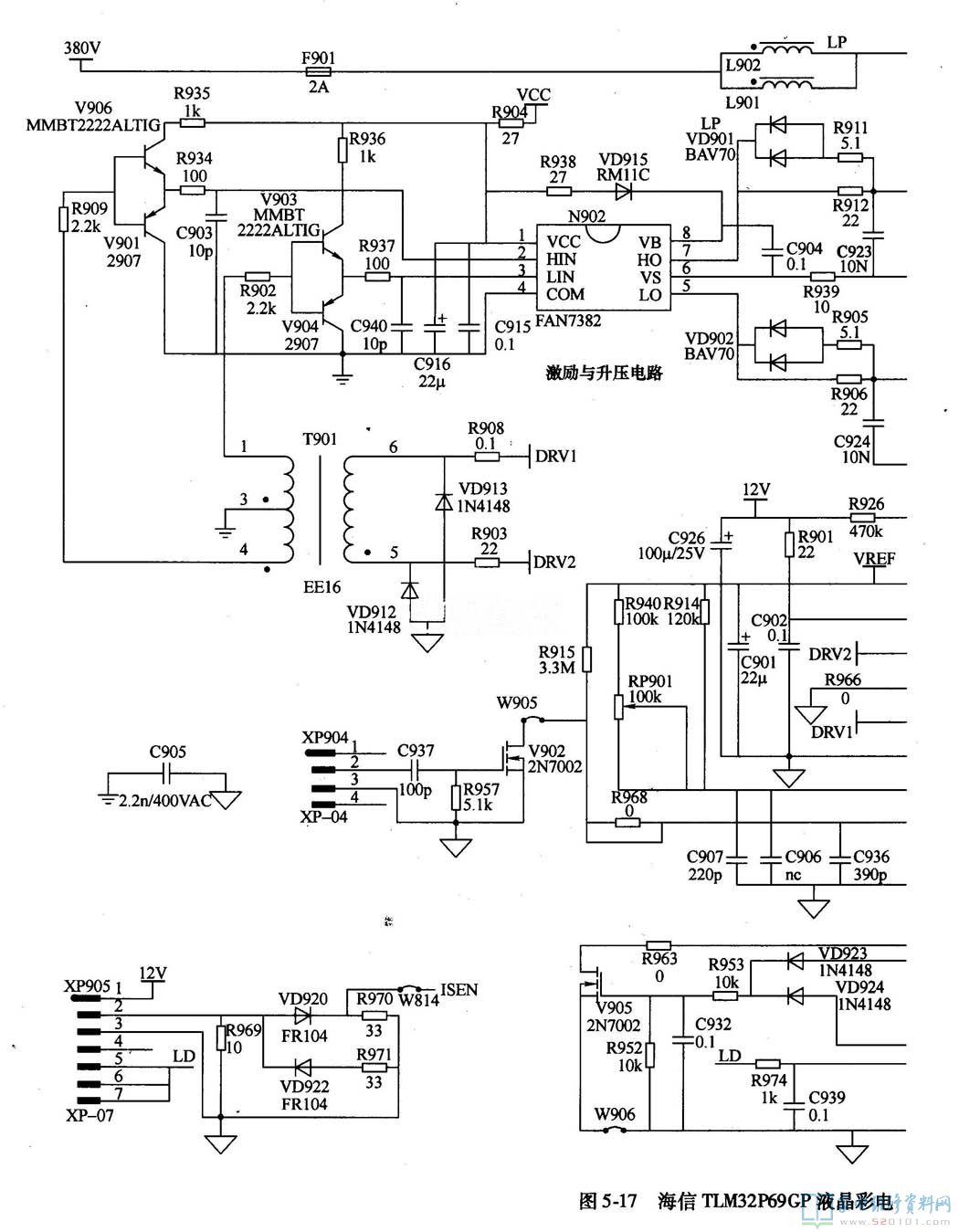
 三、高压板电路工作原理
 1、高压板基本电路
     海信TLM32P69GP液晶彩电电源+高压二合一板高压板电路如图5-17所示,主要由振荡与控制电路、激励与升压电路两大部分组成。电源部分二次输出 的12V电源为高压板振荡与控制电路供电,电源部分一次侧的VCC电压和380V电压为激励与升压电路供电。开机后,主电路控制系统向电源板背光灯高压板 电路送去ON/OFF开启电压和DIM亮度控制电压,高压板电路启动工作,将输入的直流电压转换为接近于正弦波的交流高压,去点亮液晶显示屏内部的背光灯管。 
     背光控制电路主要由N901( OZ9925 GN)内外部电路构成,在主电路板的控制下启动工作,向高压形成电路输出两路驱动脉冲信号,并具有过电压、过电流保护功能。
     OZ9925 GNGN是凸凹公司推出的用于液晶产品背光控制检测的电路。内部电路框图如图5-18所示。利用OZ9925 GN组成的高压板具有效率高、适应电压范围宽、调光范围宽、过电压保护等优点。OZ9925 GN引脚功能见表5-9。
  
 
  
 
  
 
    (1)背光灯开启电路
     遥控开机时,电源板输出的+12V电压送入高压板电路,经R901降压送到N901的2脚VIN,为其提供电源;主板微处理器输出的SW高压板开启指令从 连接器XP802/XP-14的5脚输入高压电路,向N901的15脚ENA提供点灯控制电压,主板微处理器输出的BRI亮度调整电压从连接器XP802 /XP-14的6脚输入高压电路,向N901的9脚DIM提供亮度调整控制电压,内部振荡电路开始启动,经内部处理后从5、3脚输出DRV1和DRV2的 PWM脉冲信号,送到激励变压器T901一次绕组的5-6端,变压后驱动激励与升压电路。
    (2)激励与升压电路
     激励与升压电路由输入变压器,01,激励电路V906、V901、V903、V904和N902(FAN7382),推挽输出电路V907、V908,输出升压变压器T903组成。
     FAN7382是一款高边和低边门驱动单片集成电路,其内部电路框图如图5-12所示,引脚功能和对地电压见表5-6。
     电源部分热地端经待机控制电路 V833输出的VCC电压经R904为激励电路供电,送到N902的1脚,PFC电路输出的+380V电压为推挽输出电路V907、V908供电。输入变 压器T901耦合后二次侧得到的激励脉冲分为两组送到激励电路,经V906、V901、V903、V904送到N902的2、3脚,经N902放大后,从 7、5脚输出,激励开关管V907、V908交替导通,工作于开关状态,在输出变压器T903产生感应电压,其二次侧两个高压绕组7-8、9-10端升压 后,将背光灯灯管点亮。
 
 2、保护与调整电路
     在输出升压变压器T903产生感应电压,其二次高压绕组的7-8、9-10端输出电路设有输出电压、输出电流检测电路,产生的检测电压送到振荡与控制电路 N901的11脚过电压检测输入端和14脚电流检测输入端,内部电路根据检测到的电压和电流数据,对输出激励脉冲进行适当调整,保持输出电压的稳定。
    (1)背光灯电流反馈电路
     电流反馈电路由VD908、VD914、VD917、VD919等组成,将检测电压送到N901的14脚电流检测输入端和运算放大器N904,经N904运算、V905放大后对N901的11脚OVT电压进行控制。
     输出升压变压器T903二次高压绕组(7-8) 8端的回路电流在R922 / R954 / R955和R921两端产生检测电压ISEN和V2,该电压经VD914整流产生V1检测电压;T903二次高压绕组(9-10) 9端的回路电流在R960 / R961 / R962和R943两端产生检测电压ISENI和V4,该电压经VD908整流产生V3检测电压。上述检测电压的ISEN经VD919、VD917、 R956送到N901的14脚,V1~V4检测电压经VD918送到运算放大器N904,经N904运算后产生保护控制电压,经V905对N901的11 脚电压进行控制。当背光灯电路发生故障,背光灯管电流不正常,输入到14、11脚的电流检测电压异常,检测电压达到设定保护值时,N901停止输出激励脉 冲。
    (2)背光灯电压反馈电路
     输出升压变压器1903二次高压绕组7-8端的高压过电压保护电路由分压电路C921、C922、R929、R930和整流电路VD921组成;T903 二次高压绕组9-10端的高压过电压保护电路由分压电路C919、C920、R927、R928和整流电路VD921组成。两个过电压检测电路整流后在 C910, R919两端形成的检测电压,送到N901的10脚过电压保护检测输入端。当T903二次输出电压异常时,送到N901的10脚检测电压异常,内部停止振 荡,达到保护的目的。 
 
  
 四、高压板电路故障维修
     高压板电路发生故障时,主要引发开机黑屏幕故障,可通过观察待机指示灯是否点亮,测量关键点电压,解除保护的方法进行维修。
 1、检测高压板电路
     高压板电路发生故障时,主要引发有伴音而黑屏幕的故障:一是背光灯始终不亮,液晶屏始终为黑屏幕,多为高压板电路故障,主要检查高压板的工作条件和高压板电路;二是液晶屏开机瞬间背光灯点亮,然后熄灭,主要检查保护监测电路、背光灯管和高压形成电路。
     (1)检查高压板工作条件
     当高压板不工作时,首先测量高压板的工作条件。为了测量方便,可通过测量连接器XP812/XP-13和XP802/XP-14的电压来判断故障范围(见 图5-15),一是测量连接器XP802/XP-14的8、9脚12V供电是否正常;二是测量连接器XP802/XP-14的5脚SW高压板开启电压是否 正常;三是测量XP802/XP-14的6脚BRI亮度调整电压是否正常;四是测量待机控制电路输出的VCC电压是否正常;五是测量PFC电路输出的 380V电压是否正常。
     如果12V供电不正常,检查电源板待机控制供电电路;如果SW和BRI电压不正常,检查控制系统电路;如果VCC电压和PEC输出的380V电压不正常,则检查VCC产生和控制电路、PFC电路。
 
     (2)检测高压电路
     测量N901的3、5脚有无脉冲电压输出,有条件的还可以测量其输出波形有无和是否正常。如果X901的3、5脚无脉冲电压输出,故障在以N901为核心 的振荡与控制电路,否则故障在高压板激励与高压形成电路中。高压板的激励与高压形成电路由于工作于高电压、大电流状态,容易发生故障,重点检查激励电路 N902,开关管V907、V908和升压变压器T903。另外,连接背光灯管的输出连接器易发生接触不良而打火放电的故障,维修时应注意观察。
 
 2、保护电路维修
     当高压板电路发生过电流、过电压故障时,会产生背光灯亮一下就灭的故障现象。维修时,可采取测量关键点电压,判断是否保护和解除保护,观察故障现象的方法进行维修。
 
     (1)根据故障现象.判断是否保护
 如果开机的瞬间,有伴音,显示屏亮一下就灭,则是高压板保护电路启动所致。、如果背光灯灯管亮后马上就灭,则是过电流保护所致;如果灯管亮1s后才灭,则是过电压保护电路启动。
 
     (2)测量关键点电压,判断是哪路保护
     高压板部分的过电压保护电路主要对N901的10脚电压进行控制,当过电压保护电路启动时,过电压保护检测电路向10脚送入高电平,内部保护电路启动,关闭3, 5脚输出的脉冲,高压板电路停止工作,实现过电压保护。
 高压板部分电流保护电路对N901的14、11脚电压进行控制。当电流反馈电路监测电压异常时,内部保护电路启动,关闭3、5脚输出的脉冲,高压板电路停止工作,实现过电压保护。
 
     检修时,可在开机后保护前的瞬间通过测量N901的10、11、14脚电压判断保护电路是否启动。如果10脚电压异常,则可判断是电压反馈电路引起的保护;如果11、14脚电压异常,则可判断是电流反馈电路引起的保护。
     保护电路启动主要是由于激励与升压电路和背光灯管发生故障引起的,一是背光灯管发生开路、接触不良、内部漏气放电故障,开路和接触不良故障造成负载变轻, 输出电压升高,引起过电压保护启动;内部漏气放电故障造成电流增大,引起过电流保护电路启动。二是升压电路发生短路、漏电故障,主要是升压变压器内部高压 绕组局部短路、MOSFET击穿短路等。三是过电压保护盒过电流保护电路的分压电容、电阻和检测二极管发生故障,造成保护电路误保护。检修时需要对上述高 电压、大功率器件进行重点监测。
 
     例5-9:开机有伴音.黑屏幕,指示灯亮。
     分析与检修:有伴音和指示灯亮,说明电源和通道电路正常,仔细观察发现背光灯不亮。首先测量高压板电路的12V、VCC和380V供电,发现电源板的 12V电压正常,但高压板OZ9925 GN的2脚无电压输入,检查2脚外部的供电电路,发现电阻R901 (22Ω)烧焦,测量2脚对地电阻接近0,断开2脚测量外部的元器件,发现电容C902漏电短路,更换C902和R901后,故障排除。
 
     例5-10:开机有伴音.黑屏幕,指示灯亮。
     分析与检修:指示灯亮,说明开关电源正常,有伴音,但液晶屏不亮,仔细观察背光灯管根本不亮。
     检查高压板的工作条件,测量电源板提供的12V, VCC和380V供电均正常,但测量激励电路N902的1脚无VCC供电输入,对1脚外部的供电电路进行检查,发现降压电阻R904烧焦,测量N902的 1脚对地电阻为0,焊下N902测量其引脚之间电阻,发现1、7脚均与4脚之间击穿,更换N902和R904后,开机故障依旧。再次对激励升压电路进行检 测,发现V907的栅;漏极之间击穿,再&mq量新更换的N902再次击穿,估计是由于V907击穿时未及时更换,造成N902再次损坏。更换 N902、8904、V907后,开机图像出现,故障彻底排除。
 
     例5-11:开机黑屏幕.指示灯亮。
     分析与检修:指示灯亮,说明开关电源正常,有伴音,但液晶屏不亮,仔细观察背光灯管在开机的瞬间点亮,然后熄灭。
     检查高压板的工作条件正常,判断保护电路启动。根据维修经验,当灯管之一损坏时,由于灯管电流发生变化,容易引起保护电路启动。拆开电视机,发现一只灯管在开机的瞬间不亮,而其他灯管在开机的瞬间点亮后熄灭。更换不亮的灯管后,故障排除。 
 
								



