本文接上一篇《创维715G6679-P04-003-002S电源背光二合一板电路原理分析(中)》
四、开待机控制电路
开/待机控制电路由Q9401〜Q9403、U94()1等元件组成,如图8所示。上电后,主电源工作,热地侧输出+VCC1电压(实测值约为18.9V),冷地侧输出12Vs电压,分别加到NPN型三极管Q9401(丝印号:DK)的c极和PNP型三极管Q9402(丝印号:3E)的e极。
待机时,主板发出的PS_ON信号为低电平,N沟道场效应管Q9403(丝印号:K72)截止,Q9402因b极为高电平而截止,光耦U9401因①脚失电而截止,其③、④脚等同开路,Q9401因b极无偏压而截止,VCC_ON电压为()V,PFC与背光驱动电路不工作。二次开机后,PS_ON信号为高电平,Q9403导通,Q9402也随之导通,U9401③、④脚内接的光敏三极管导通,Q9401随之导通,其e极输出VCC-ON电压(实测值约为15.6V),PFC与背光驱动电路得电工作。
五、LED背光驱动电路
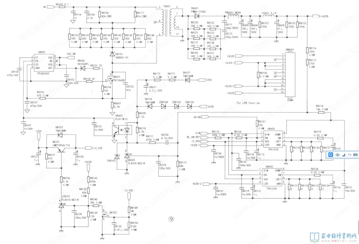
1、功率变换
为了有足够的功率驱动LED灯条,该板采用独立的PWM电路进行功率变换,输出+VLED电压,如图9所示。
U8601(PF6002AS)是一款具有极低启动电流的绿色模式PWM控制器,其引脚功能与实测数据见表4。
(1)启动控制
二次开机后,VCC_ON电压加到U8601⑥、⑧脚,U8601启动工作,从⑤脚输出驱动脉冲,加到开关管Q8601的G极;同时,PFC电路输出的HV电压通过电阻R8105(O.1欧姆/2W)及开关变压器T8601⑤-③绕组加到Q8601的漏极。当U8601⑤脚输出高电平时,Q8601导通。HV电压经R8105->T8601⑤-③绕组TQ8601的D、S极TR8601地,其电流逐渐增大。在此过程中,电能转变为磁能,储存在T8601中。当U8601⑤脚输出低电平时,Q8601截止。由于流过电感线圈的电流不能突变,则T8601⑤-③绕组中产生较高的感应电压,其极性为③+、⑤-,与输入的HV电压叠加,形成约700V的尖峰电压。此时,二极管D8101导通,尖峰电压经电阻R8141T<8148、R8106、R8117和电容C8104馈入HV电源中,从而迅速降低脉冲电压的峰值,防止Q8601过压损坏。当T8601⑤-③绕组中有交变电流流过时,T8601次级并绕的⑥-⑪、⑦-⑩绕组产生感应电压,该电压经二极管D8601整流,C8605、C8606、C8608.L8601滤波,得到直流电压+VLED(实测值约为86.6V),供给屏内两组灯条的正极(LED+)。
(2)稳压控制
U8601②脚内部电路与光耦U8602、三端精密稳压器U8603(丝印号:431G)及二极管D8108、ZD81O4~ZD81O6等元件组成稳压控制电路.其中,D8108为普通贴片二极管,丝印号为“A2”;ZD8104-ZD8106为贴片稳压稳压二极管,ZD8104、ZD8105的丝印号为“WM”,稳压值为16V;ZD8106的丝印号为“WS”,稳压值为27VOU8602①脚供电状态如下:在+VLED电压建立之初,+VLED电压不足以击穿ZD8104-ZD8106,主电源输出的12VS电压通过D8107.K8109供给U8602①脚,此时U8602①、②脚电压分别为10.38V.9.34Vo+VLED电压正常后(实测约为86.6V),ZD8104-ZD8106齐纳击穿,08108导通,D8107截止,U8602①脚改由+VLED供电,此时U8602①、②脚电压分别为26.6Vx25.4VoU8602②脚的电压受U8603控制,当输出的+VLED电压升高时,经R8116、R8112、R8113分压后加到U8603的R极的电压升高,U8603的K极电压下降,即U8602②脚电压下降,流过U8602①、②脚内接发光二极管的电流增大,其③、④脚内接的光敏三极管导通程度加深,则U8601②脚电压下降,在IC内部PWM控制器的作用下,U8601⑤脚输出脉冲的占空比减小,则Q8601在一个周期内的导通时间缩短,输出电压下降,从而达到稳压的目的。当+VLED电压降低时,其稳压过程与上述相反。
(3)过压保护
当+VLED电压高于91V时,ZD81()4~ZD8106及ZD8103(丝印号为“WT”,稳压值为30V)均齐纳击穿,U8603的A、K极被ZD8103短接,稳压电路不起作用,此时U8602①、②脚内接的发光二极管发光强度大幅增加28602③、④脚内部的光敏三极管饱和导通,U8601②脚电压大幅降低,其⑤脚停止输出脉冲,背光驱动电路进入保护状态,灯条不亮。
2、IC-VCC电压形成
PNP型三极管Q8101(丝印号:2A)与IC8101.Q8102等元件组成ICLVCC电压形成电路。二次开机后,主电源输出的12VS电压(实测值约为12.18V)加到Q8101的e极,+VLED电压经电阻R8130.R8135和R8139分压后,得到约2.56V电压,加到三端精密稳压器IC8101的R极,此时IC8101的K极电压约为1.88V,Q8101的b极电压约为11.42V,Q8101导通,其c极输出IC.VCC电压(实测值约为12.17V),供给恒流控制块U8605、U8606(型号均为TPV101D)③脚。
3、亮度调整与恒流控制
U8605、U8606分别对两组LED灯串的负端电压(-VLED)进行控制,以达到背光亮度调整和稳定LED灯串电流的目的。TPV101D是一款专用于LED背光的恒流控制芯片,内含点灯控制、亮度调整、逻辑控制、升压驱动和欠压锁定等电路,其引脚功能与实测数据见表5。
二次开机后,IC_VCC电压加到U86O5、U8606③脚,点灯电压BL.ON送到U8605、U8606②脚,调光控制电压Dim送到U8605、U8606①脚,U8605、U8606启动工作,其内部的逻辑控制电路根据⑥脚外接电阻的阻值,并结合①脚电压,输出对应占空比的驱动脉冲,送给④脚内接的MOSFET管,对LED灯串亮度进行调整。同时,+VLED电压经电阻R8116J<8112与R8113分压后,通过R8114送给U8605xU8606@脚,经内部电路比较后,输出控制电压,调整LED灯串电流,实现恒流控制的目的。若U8605JJ8606⑧脚电压过高,IC内部保护电路启动,灯条不亮。
4、灯条欠压保护
若灯条的PCB板漏电或灯珠短路,+VLED电压降低,当+VLED电压低于55V时JC8101的R极电压降至2.35V,其K极电压升至1L39V,Q8101进入临界导通状态,其c极输出的IC_VCC电压在3.8V~7.2V之间波动,U8605、U8606因供电不足而停止工作,其④脚内接的MOSFET管截止,灯条不亮,从而达到欠压保护的目的。
5、摘板维修小经验
在摘板检修该型二合一板时,先在+12V输出端上接一只15W/24V灯泡(常温下直流电阻约为5.20)作为假负载,然后上电测量+12V电压是否正常,若不正常,则检修市电输入、EMI浦波及主电源电路;若正常,则找一只60W内热式电烙铁芯(常温下直流电阻约为850。),接在灯条插座CN8601中的+VLED与-VLED端之间,作为背光驱动电路的假负载。
接下来强制启动主电源与背光驱动电路,具体方法如下:先找一只10k。电阻与一只5.1k。电阻,然后将两只电阻串联起来,10k。电阻另一端接+12V,5.1k。电阻另一端接地,两只电阻的连接点与插座CN9101中PS_ON.BL_.ON.Dim端相连,如图10所示。
提示:上述连接的实质是用10k。电阻与5.1k。电阻对+12V分压,在5.1kQ电阻两端得到约4.1V电压,作为高电平启动信号。实验发现,只有给CN9101中PS_ON、BL-ON和Dim端均加上高电平时,PFC电路与背光驱动电路正常工作,15W/24V灯泡发光(此时+12V电压约为12.18V),电烙铁芯发热(此时+VLED电压约为86.6V),如图11所示。
若只给CN9101中PS_ON端加上高电平,这时PFC电路正常工作,背光驱动电路中的功率变换电路也启动工作,但恒流控制电路不工作,灯条不亮,此时+VLED电压约为54.6V。
