创维168P-P47ELL-03电源板电路原理与维修

2021-10-17 18:29:39  阅读 900 次 评论 0 条
摘要:

创维168P-P47ELL-03电源板是由保险管、交流输入、互感器、EMI滤波电容、开关管、整流二极管、PFC电路、脉冲变压器、直流输出等模块所构成,其电源板外观如下图所示,本文内容摘自创维E730A(8

       创维168P-P47ELL-03电源板是由保险管、交流输入、互感器、EMI滤波电容、开关管、整流二极管、PFC电路、脉冲变压器、直流输出等模块所构成,其电源板外观如下图所示,本文内容摘自创维E730A(8A12机芯)系列液晶电视维修手册,请下载手册后参考本文内容。

创维168P-P47ELL-03电源板电路原理与维修 第1张

一、开机步骤

(1)电源板送STBPower_5V供电给主板;

(2)STBPower_5V供电经U3转换成3V3_STB,供给主芯片U13及其复位电路等;

(3)U13经上电和复位后,外围晶振开始振荡,U13开始启动工作,首先启动其中的ARM核,然后启动其中的CPU系统,接着U13内主控系统与U17(SPIFLASH)进行通讯,之后主控系统运行U17内的Mboot(启动代码);

(4)U13的K21脚输出的POWER开机信号(高电平),经Q2、Q30倒相,送往电源板,电源板在得到正常开机信号后电源电路开始工作,得到24V、12V,为主板供电;

(5)U13中的主控系统启动后,主控系统先从EEPROM存储器中读取开机状态数据,如果读取的为待机状态信息,那么U13的K21脚内部将POWER信号拉低,电源板将无12V、24V输出,主板系统进入待机状态,此时待机小CPU接管工作。如果读取的为开机状态信息,那么进入正常的U13系统初始化过程;

(6)系统对NANDFLASH、EEPROM、DDR3SDRAM开始初始化。主控系统与DDR3SDRAM通讯,将NANDFLASH中主程序装载到DDR3SDRAM中,主程序开始运行,系统从U18、U16中读取程序数据;

(7)待初始化完成后,系统将处于开机状态。


二、单元电路

1、STB3V3供电产生电路

创维168P-P47ELL-03电源板电路原理与维修 第2张

     如上图所示,电源板送来的STB_5V供电经U3(MP1470)稳压,得到3V3_STB供电,给U13(AML7366-M6C)CPU部分相关电路工作供电。

2、开关机控制电路

创维168P-P47ELL-03电源板电路原理与维修 第3张

    如上图所示,在U13具备工作条件而工作后,其待机控制脚输出POWERSTB开机信号(低电平)到Q3的发射极,Q3导通,Q3集电极输出低电平,此开机信号(POWER_ON)经CN1的④脚送往电源板,使电源电路完全工作,输出12V、24V供电。

3、LED指示灯控制电路

创维168P-P47ELL-03电源板电路原理与维修 第4张

     如上图所示,在U13正常工作后,其指示灯控制信号输出脚输出低电平,使Q16导通,Q16集电极输出高电平,经CN13的⑨脚送到键控板上的指示灯开关控制电路。

4、复位电路

创维168P-P47ELL-03电源板电路原理与维修 第5张

      如上图所示,在开机时,主芯片的IO口输出高电平(RESET_SW),三极管Q10截止,对复位电路没有影响,Q11及其外围元件组成的复位电路产生复位电压,给CPU复位。在待机时,主芯片的IO口输出低电平(RESET_SW),三极管Q10导通,CPU复位脚一直为高电平,即不复位。

5、背光开关控制电路

创维168P-P47ELL-03电源板电路原理与维修 第6张

    如上图所示,主芯片U13_A(AML7366-M6C)送来的BL_EN背光开关控制信号,经Q2倒相,由CON14的①脚送到背光电路,用于控制背光板电路是否工作(点亮或熄灭背光灯),实际上,本电路为背光电路的使能控制。

6、STB_D5V供电产生电路

创维168P-P47ELL-03电源板电路原理与维修 第7张

      如上图所示,电源板送来的12V供电经U2(MP1470)稳压,得到VCC_5V和STB_5V,用作U3、U6、U9的输入供电。

7、屏供电(VCC_Panel)开关控制电路

创维168P-P47ELL-03电源板电路原理与维修 第8张

     如图所示,当U13_A(AML7366-M6C)送来开机信号(高电平)时,Q12导通,U22的④脚为低电平而导通,12V供电经过U22,输出VCC_Panel供电,用作液晶屏驱动电路的工作供电。

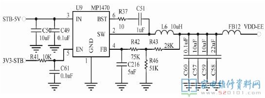
8、VDD_EE供电产生电路

创维168P-P47ELL-03电源板电路原理与维修 第9张

      如图所示,U2送来的STB_5V供电经U9(MP1470)为核心的DC-DC变换电路的变换,得到VDD_EE,用作主芯片U13(AML7366-M6C)内核电路的工作供电。

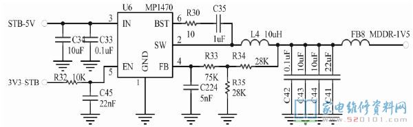
9、MDDR_1V5供电产生电路

创维168P-P47ELL-03电源板电路原理与维修 第10张

        如图所示,U2送来的STB_5V供电经U6(MP1470)为核心的DC-DC变换电路的变换,得到MDDR_1V5,用作U14、U15等电路的工作供电。

10、USB 5V供电产生电路

创维168P-P47ELL-03电源板电路原理与维修 第11张

      如图所示,电源板送来的12V供电经U89(AOZ1051)的DC-DC变换,得到USB5V,用作主板上USB电路的工作供电。

11、3V3_TU供电产生电路

创维168P-P47ELL-03电源板电路原理与维修 第12张

       如图所示,U89产生的USB5V供电,经FB31,得到+5V_YUNER,再经U29稳压,得到3V3_TU,用作高频电路的工作供电。

12、VDD33_1供电产生电路

创维168P-P47ELL-03电源板电路原理与维修 第13张

      如图所示,USB5V供电经D28,再经U8(AIS-1117)稳压,得到VDD33_1,用作U7的工作供电。

13、VDD12_1供电产生电路

创维168P-P47ELL-03电源板电路原理与维修 第14张

    如图所示,VDD33_1供电经U12(AMS1117)稳压,得到AIS-1117,用作U7的工作供电。

版权声明:本文为转载文章,版权归原作者所有,欢迎分享本文,转载请保留出处!