海尔LS55H610G液晶电视开关管过热的故障维修

2022-03-29 19:22:20  阅读 1158 次 评论 0 条
摘要:

接修一台海尔LS55H610G型液晶电视,故障现象是通电后指示灯不亮。拆机检查,发现电源板(板号为TV5006-ZC02-02图纸)上的保险丝F101(T5A)断路;在路测量,发现300V整流桥DB101

       接修一台海尔LS55H610G型液晶电视,故障现象是通电后指示灯不亮。拆机检查,发现电源板(板号为TV5006-ZC02-02图纸)上的保险丝F101(T5A)断路;在路测量,发现300V整流桥DB101负载短路。

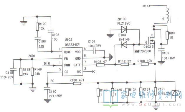
       本机的300V分别送给PFC电路、12V形成电路及背光电源形成电路。分别断开上述电路测试,发现断开背光电源开关管Q103的漏极时,300V负载不再短路。取下Q103检查,发现其D、S极间已击穿。根据经验,开关管击穿,其G极所接元件及芯片U102( OB3334CP )易连带损坏,实绘相关电路如图1所示。

海尔LS55H610G液晶电视开关管过热的故障维修 第1张

       在路测量由R112、R108、D103组成的灌流电路,正常,说明U102基本没问题。更换Q103,并在保险丝处串入一只200W白炽灯,上电后测得滤波电容EC101两端电压为335V,二次开机后PFC电压升至380V,此时背光也亮了起来,随着背光电流的增大,白炽灯开始发亮,最后电源欠压保护,说明背光电路已恢复正常。去掉白炽灯,装入保险丝后开机,图像、声音均正常。试机约10min后断电,用手触摸Q103的散热片烫手,说明仍有故障。根据经验,开关管发热快的原因是管子本身性能不良,或者驱动脉冲不良。更换U102及Q103,但故障依旧。

       查看Q103的G极外接元件,U102⑦脚输出激励脉冲,通过限流电阻R108(4792)、R112(22Ω)到Q103的G极;二极管D103正极接G极,负极接R108的输出端,这样保证Q103导通时的栅极电流得到限制。

       在Q103关断时,D103导通,加快Q103的关断速度,以降低功耗。在笔者印象中,如果限流电阻由两只组成,靠近开关管栅极的阻值较大,即R112的阻值应大于R108,怀疑这两只电阻安装位置出错,导致Q103工作损耗增大,从而发热严重。

       查看该机图纸,发现R108、R112的标注阻值分别是22Ω、47Ω,看来上述怀疑正确。将R112、R108互换位置后长时间试机, Q103散热片温度恢复正常,约50C。另外,用户要求,把电视机的背光亮度降低一些,因晚上看电视有些刺眼。实测本机灯条电流约560mA,本机的用户菜单里有“背光调整”选项,其值可在“0~10"之间调整,但调整后发现,机器在网络状态时此项调整无效(只有在模拟信号输入状态时,该项才生效)。查看电路发现,Q103的S极对地接有4只并联的小阻值电阻,如果增大其并联后的总电阻就可降低灯条电流。拆下R131、R134后试机,图像亮度正常,实测灯条电流降至400mA,用户满意。此机虽已修复,但R112、R108贴错的原因不得而知。从R112、R108无拆焊痕迹判断,贴错的原因应是工厂生产时出错,这既有可能是个案,也有可能是批量出错,若是后者,则值得各位同仁注意。

版权声明:本文为转载文章,版权归原作者所有,欢迎分享本文,转载请保留出处!