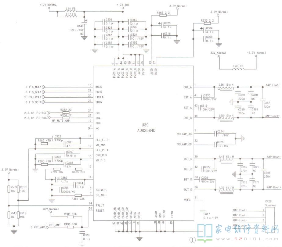
接修一台海尔LS55AL88G31液晶电视,故障表现为开机后图像正常,在各种信号源状态下均无伴音。本机主芯片是Mstar638搭载阿里云智能系统。首先怀疑软件有问题,进入菜单一系统一关于一恢复出厂,执行完毕后故障依旧,说明硬件存在故障。本机伴音功放芯片采用LQFP封装的AD82584D(U39),共48个引脚,如图1所示。
上电,测得U393、⑤脚的12V供电正常,③脚的3.3V供电也正常。U39⑨脚为静音控制端,低电平时静音。.上电 ,测得⑨脚电压为3.7V,说明伴音功放未进入静音状态。测扬声器输出插座CN28的左、右声道输出端电压都为5.9V,正常,说明功放电路静态工作状态正常。U39采用1S音频输入方式,⑤脚为主时钟MCLK,20脚为帧时钟LRCLK,四脚为串行时钟sCLK,2脚为串行数据SDIN。
上电,测得这几个引脚电压均约为1.3V,未见明显异常。接下来测量②脚(SDA)、2脚(SCL)电压,均为0.5V,明显异常(正常电压约为3V)。本机主芯片总线外挂元件除U39外,还有U15(MSH6110A),USB分配芯片U49(GL852G),高频头硅调芯片U905( MXL66L)。图像正常,说明CPU工作正常,则内核供电芯片U14.U15也应该没问题;插入U盘,能识别,说明U49也没问题。对于U39和U905的判断,采用断开的方法:拆下电阻R364.R382,测量主芯片的总线电压仍为0.5V ,说明U905有问题。上电,测得U905①脚3.3V供电电压为0V;断电,测得该脚对地呈现短路状态。此路供电由低压差供电块U901(AMS1117L-3.3 )提供,如图2所示。
为快速找到故障元件,在U901的3.3V输出端外接3.3V大功率电源,通电后电路c903冒烟,说明C903损坏。
拆下C903后再测3.3V端对地不再短路。更换C903后,恢复总线电阻,上电试机,故障排除。
事后又多次遇到几乎相同故障的同型机,部分机的故障原因是U905损坏还有几台的故障原因是33VTU供电滤波电容短路。这些故障均导致PC总线负载异常,从而出现无声故障。
