海尔LS50AL88U71S液晶电视遥控器无法开机的故障维修

2022-02-02 21:09:52  阅读 918 次 评论 0 条
摘要:

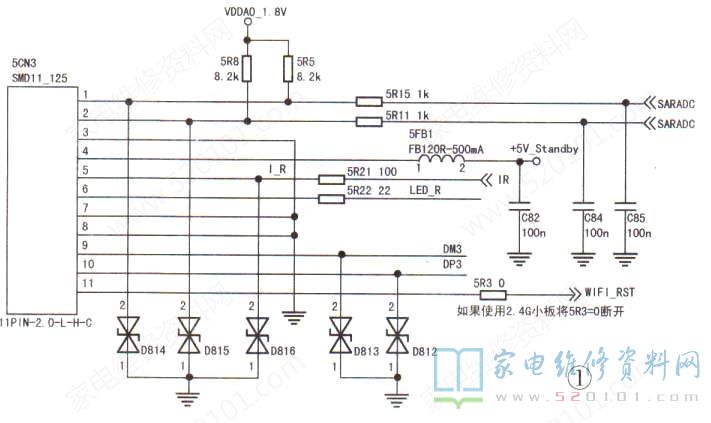
一台海尔LS50AL88U71S型液晶彩电,用遥控器无法开机,但用本机键控开机后,遥控器操作正常。本机采用T962机芯,配用4K液晶屏。本机遥控器采用蓝牙方式,开机时,机内WIFI模块输出IR信号送给CP

      一台海尔LS50AL88U71S型液晶彩电,用遥控器无法开机,但用本机键控开机后,遥控器操作正常。本机采用T962机芯,配用4K液晶屏。本机遥控器采用蓝牙方式,开机时,机内WIFI模块输出IR信号送给CPU。上电,测得WIFI小板接口CN1中的IR端电压为0.9V,正常值应小于4.2V。顺着线路检查,测得WIFI小板接口处的三极管Q5基极电压为oV,集电极电压为1.2V。断电,测量Q5正常,怀疑主板有问题。拔下WIFI小板与主板的连线,上电测主板上接口5CN3中的⑤脚(IR)电压,依旧是1.2V,由此确认主板有问题。5CN3⑤脚通过电阻5R21(4.7k)与CPU相连,如图1所示。在路检测,发现ESD保护二极管D816正反向均有数千欧电阻,判断D816损坏。拆除D816不用,接上WIFI小板试机,故障排除。此时测得IR端电压为4.45V。

海尔LS50AL88U71S液晶电视遥控器无法开机的故障维修 第1张

版权声明:本文为转载文章,版权归原作者所有,欢迎分享本文,转载请保留出处!