海尔LS65AL88K51液晶电视指示灯亮但无法二次开机

2022-01-13 18:27:00  阅读 590 次 评论 0 条
摘要:

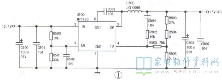
接修一台海尔LS65AL88K51型机,故障表现是通电后指示灯亮,无法二次开机。拆机检查,测得电源板(板号:JSL2208-250)输出的12V电压正常,但+5VSTB电压在5V~5.5V之间波动,明显异

       接修一台海尔LS65AL88K51型机,故障表现是通电后指示灯亮,无法二次开机。拆机检查,测得电源板(板号:JSL2208-250)输出的12V电压正常,但+5VSTB电压在5V~5.5V之间波动,明显异常。12V电压经U500 (MP1470)DC-DC变换后得到+5VSTB电压,如图1所示。U500③脚输入12V,②脚输出sw信号。脉冲5V电压经过R503与R506分压后通过R505送给④脚(FB )进行比较,控制②脚输出脉冲的占空比达到稳压的目的。经查, R505阻值变大,换新后试机,故障排除。

海尔LS65AL88K51液晶电视指示灯亮但无法二次开机 第1张

版权声明:本文为转载文章,版权归原作者所有,欢迎分享本文,转载请保留出处!