接修一台海尔LS55A51液晶电视,故障表现为开机后图像、声音都正常,但屏左上角的图像较暗。根据故障现象分析,故障原因应是屏内左上角的背光有问题。本机背光灯驱动电路安装在电源二合一板(板号:TV5502 ZC02-01)上,连接背光灯条的插座有两个(CN303、CN304),每个插座中有四个插针,①、③脚是LED+,②、④脚是LED-。因两个插座的线序相同,于是交换两组背光线试机,右下角图像变暗,由此确认故障部位在背光驱动电路中;上电,测试CN304、CN305各脚电压,发现两个插座的①、③脚电压均为132V,CN305的②、④脚电压均为23V,但CN304的②、④脚电压分别为132V 和23V。
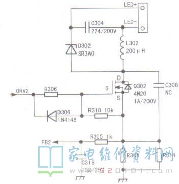
显然,CN304②脚电压不正常。CN304②脚外接恒流控制管Q302(4N20),如图1所示。
 
  
取样电阻R304、R314两端电压反馈给背光控制IC,在IC内部电路的作用下,改变DRV2信号的占空比,从而达到稳定灯串电流的作用。二极管D302的作用是在Q302截止期间为L302提供泄流通路,相关实物如图2所示。
 
  
在路测量CN304①、②脚间电阻为无穷大,说明背光驱动电路有短路元件。经查D302、Q302短路,R304~R306、R314电阻开路。更换上述损坏元件后试机,故障排除。在后来的维修中发现,使用这款电源板的海尔液晶彩电经常出现一组背光不亮的故障,故障原因应是D302短路或者是背光控制芯片①~④脚外接的贴片电容漏电,并且易连带损坏恒流控制及电阻R304~R306.R314。
			版权声明:本文为转载文章,版权归原作者所有,欢迎分享本文,转载请保留出处!