采用TP.VST69T.PB901主板方案集开关电源、小信号处理LED背光驱动、本机按键、红外遥控接收(IR )和mini LVDS tcon电压形成电路为一体,其实物如图1所示。
  
 
海尔LD32U3100、LE32B510X、32EU3000、LE32G310G等液晶彩电均采用该型主板,社会拥有量较大。由于配用不同规格的液晶屏,而这些屏幕需要的工作电压、上屏线线序、工作模式等参数不尽相同,因此该型主板的相关电路也有所不同,如图2所示。
  
 
在换板时须与屏对应,否则会出现灰屏或者显示异常现象。这属于硬件差异,不是通过软件刷机能解决。另外,该主板的背光电路也有区别:2016、2017年生产的机型,屏内背光灯是2组串联,各组14灯(6V)串联,灯电流为300mA,而2018.2019年生产的机型,背光是21组并联,每组3条串联。还有一种外形很相似的主板,板号是TP.VST69T.PB902,不带tcon供电芯片,通过PFC软件排线输出LVDS信号。该板不能与TP.VST69T.PB901板互换。
例1:一台LD32U3100型机,上电后指示灯亮,但二次不开机。
分析检修:指示灯亮,说明电源部分基本正常。本机电源部分输出12V和背光供电两组电压。上电,测得12V.5Vsb.3.3Vsb.1.15V供电均正常,但ULI(1118)5V转3.3V和1.8V的②.④脚电压为0V,输出端⑤、⑥脚(1.8V DDR)和⑦、⑧脚(3.3DVDD)电压也为0V。UL1 输入的电压(5V_ M)由CPU控制,如图3所示。
  
 
开机后,主芯片UI(TSU69KBT)发出高电平PWON信号,QM2饱和导通,QM1D极输出5V-M电压。测得QM2基极电压为0V,说明CPU未发出开机指令;U1的1.15V和3.3V待机供电正常,晶振两端波形也正常,怀疑软件有问题。本机CPU外挂存储器UF2(25Q32)内部保存有CPU正常运行时需要的程序。本机的串口预留在VGA端子的②、脚,接上VGA数据线及编程器,通电后点击“ISP自动识别"按钮,显示如图4所示。
  
 
软件窗口中显示MST方案及外挂存储器的容量等信息,说明CPU工作正常,否则不会连接成功。接下来,查看开机打印信息,显示的芯片ID.SPIBOOT及DDR检测都正常,如图5所示。重新写入该机程序后试机,故障排除。这时测得UL1的输入输出电压均正常。提示:海尔V59、V69机芯液晶彩电数据错误导致不开机、显示厂标后灰屏或开机画面异常的故障较常见。另外,厂家提供的数据是U盘升级数据,必须进入工厂状态升级,并且软件名称必须与工厂莱单中显示的一致才可以升级。ISP在线烧录用的数据是bin格式,大小约为4MB,此数据不能用来∪盘升级。
  
 
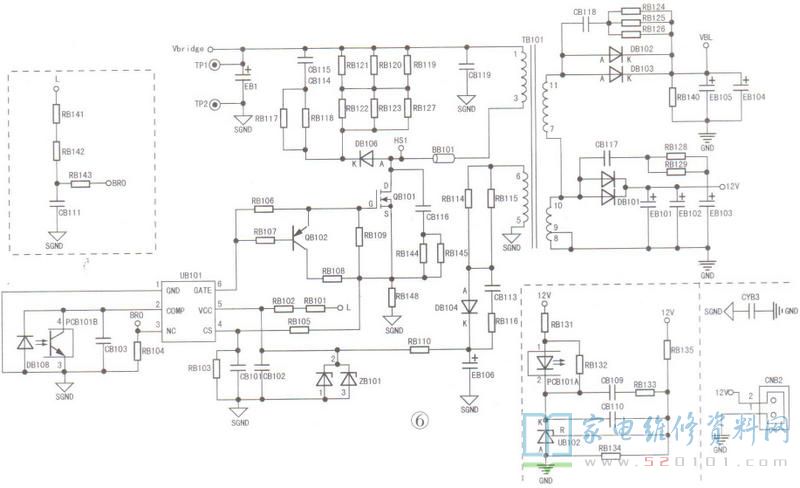
例2:一台32E3100型机,上电后三无。
分析检修:上电,测得300V电压正常,但开关电源次级输出电压均为0V。断电,在路测量开关电源电压输出端对地电阻,无短路现象,看来故障都出在开关电源初级,相关电路如图6所示。再上电,测得UB101⑤脚(VCC)电压为10V,且波动。正常工作时,该脚电压稳定在14V~15V之间。检查启动电阻RB101 .RB102,阻值正常,测量⑤脚对地电阻也未见异常,怀疑UB101损坏。参考图纸,发现UB101引脚功能和OB2273接近,仅③脚功能有差异,前者外接分压电阻,接到市电输入端,而后者为OTP端,对地接热敏电阻(也可不接)。换上OB2273,将③脚悬空(若直接焊接上③脚,开机就会损坏芯片和开关管),上电试机,故障排除。
例3:一台32EU3000型机,通电后指示灯亮,二次开机后出现Haier开机画面,然后黑屏,随即待机指示灯亮。
分析检修:该机开机后自动进入待机状态,怀疑软件有故障,但重新写数据后故障依旧。上电检测,发现二极管DB101输出的12V电压在二次开机瞬间降到5V,之后机器待机,12V电压又恢复正常,怀疑电源带负载能力差或者是负载有短路现象。本机开关电源以6脚芯片UB101(印丝号:37R,型号LD7537RGL)为中心组成,如图6所示。
  
 
待机时,测得12V和40V输出电压正常,说明负载不存在短路现象。拔下背灯插线后二次开机,屏上出现暗淡图像,机器也不再自动关机,说明小信号处理和液晶屏电路正常,故障原因极有可能是电源输出功率不足或背灯电路过流。先检测开关电源电路,在测量RB148阻值时,发现开关管QB101温度较高,说明QB101开/关损耗大。如果QB101的驱动异常,开关电源常会发出噪音,并且测得UB101⑤脚供电为14.1V(正常),QB101的G极外围元件也无异常,于是转向检查与Q101的D极相连的尖峰电压吸收电路,发现DB106反向漏电。DB106漏电后,二次开机时背光电路启动,流过QB101的电流超过保护阈值,UB101关闭⑥脚驱动脉冲,电源停止输出,电视机进入待机状态。换用HER207型二极管后开机,故障排除。
例4:一台LE32B510X型机,开机后背光亮一下就熄,伴音正常。
分析检修:.上电试机, 在背光亮时能看见Haier开机画面,随后黑屏。本机屏内有两组串联的LED灯条,每根灯条由7只6V灯珠串联而成,而LED背光电压为6VX14=84V。上电,测量背光输出电压,待机时电压为40V,二次开机后电压瞬间升到104V,随后又降回40V。很明显,屏内LED灯串有问题。随即用LED背光灯测试仪检测,确定灯条有问题。小心翼翼地拆开液晶屏,用测灯仪检测,发现下部那根灯条不亮,如图7所示。
  
 
该机灯条电流设置为290mA,灯珠规格为3030型,测试电压为6.5V,按测试数据估算,其功率为290mAX6.5V=1.88W。为防止其他灯珠损坏,决定将所有灯珠全部换新。找来14只6.5V.300mA灯珠,串联后粘贴在原灯条处,如图8所示。
  
 
装好液晶屏后通电试机,故障排除。为了延长灯条寿命,决定减小灯条电流。本机的背光驱动电路随机使用两种控制芯片:-种是8脚的OB3350CF(UB801),另-种是10脚的SN510B( UB802),如图9所示。
  
 
在不改变外围电路的情况下,任意安装-种即可,下面以安装UB801为例进行介绍。二次开机后,UB801①脚得到12V供电,⑧脚输入CPU送来的PWM调光信号,②脚输出驱动脉冲,送给升压管QB801的栅极,QB801工作在开关状态,储能LB801、LB802产生的自感电压与输入的40V电压叠加,然后供给LED灯串。灯串电流通过电阻RB837~RB840接地,形成回路。R837-RB840两端压降送到UB801⑤脚(FB), 当该脚电压超过基准电压时,UB801②脚输出脉冲占空比下降,则升压电路输出电压降低,LED灯串电流减小,从而达到恒流控制的目的。若要改变灯条电流,改变RB837~RB840的阻值即可。因本机RB840未安装电阻,于是在RB837~RB839处安装电阻进入实验,实测数据见表1。
  
 
根据表1得知,拆下RB839处原安装的2.22电阻后,灯条电流是220mA,此时灯珠功率约为1.5W, 灯珠功耗大幅降低,并且图像亮度基本无影响。提示:若屏内某只灯珠的特性变差,会出现开机后背光亮一下后黑屏,或开机后不定时黑屏等故障,应急维修时可拆除一只灯条电流检测电阻(以降低灯条电流)一 试。
例5:一台LE32G310G型机,开机后灰屏,伴音正常。
分析检修:上电开机,背光亮,伴音正常,判断故障部位在液晶屏或者主板.上的miniLVDS信号驱动电路中。测得主板上1.15V、3.3V、1.8V等电压均正常,转向检查屏工作电压。本机液晶屏需要的VGH、VGL、vCOM、AVDD等电压由主板上的UG2(6732A)及其外围元件产生,如图10所示。
  
 
二次开机后,CPU输出高电平开机信号,QM1输出受控的5VM电压,UG2③脚得到5VM供电后进入工作状态,输出液晶屏内部TFT薄膜晶体管需要的开启电压VGH、关断电压VGL,并输出VCOM.AVDD等电压。上电,测UG2③脚5VM供电正常,VON电压为5V,VCOM电压为OV,VGH电压为3.1V,VOFF电压为0V,后3项明显异常。断开主板与液晶屏相连的排线,上电测试主板背面相关电路关键点电压,如图11所示。
  
 
在测试过程中,发现UG2温升明显,怀疑uG2损坏。将其换新后试机,故障排除。此时测得VGH、VGL、VON和vCOM电压分别为26. 47V .-79V.16V和7.49V。
例6:一台LID32U3100 型机,通电后指示灯亮,二次开机约5s后,待机指示灯亮,机器进入待机状态。
分析检修:上电测试,待机时开关电源次级输出的12V、40V电压正常;二次开机后,12V电压下降,随后机器进入待机状态,怀疑是电源带负载能力差。拔掉背光插线后二次开机,不再待机。检测开关电源电路,未发现异常;用LED灯珠测试仪,检测灯条能正常发光,转向检查背光升压电路,参见图9,测量QB801.EB8U1-EB803均正常,怀疑QB801性能不良。换上15N10型场效应管后试机,故障排除。
