一、机芯硬件架构简介
二、机芯各部分电路详解
A. 电源部分(主要指机芯主板部分的供电)
B. Mcu WT61P7
C. QX68
D. DDR2
E. FLASH
F. HDMI部分(PS321)
G. USB部分(本机芯只有42L32结构不带USB,其它结构都带)
H. 伴音处理IC 1140及伴音功放8932(主要针对的机型为8DA5-42L32、8DA5-42L06、8DA5-47L06)。
I.伴音处理IC8357和伴音功放335(主要针对8DA5-55L09)。
J.其它接口电路。
三、机芯升级接口简介
四、机芯工厂模式调试及出厂模式设置
五、机芯常见故障及分析
一、机芯硬件架构简介
由上面的图可以看出,8DA5机芯是基于泰鼎公司开发的第八代处理器SVP-QX68为平台搭建的.SVP-QX68有强大的图像处理功能.该平台最大的优点是在高清模式下能够支持1920*1080分辨力的信号,同时能够输出60HZ或120HZ场频的信号.更重要的是带有ME/MC的处理功能.在快速运动模式下能够很好的解决由于LCD屏响应速度慢带来的图像脱尾和抖动的缺陷.为了降低待机功耗,我们采用了唯诠公司的WT61P7做为MCU来管理电源.MCU和QX68之间的通信采用串口通信方式.由于数据运算量大,我们采用了4片三星公司的16*16DDR2存储器,运算的最高速度可以达到800M bps/pin.我们的主程序放在4M*8(SPONSION)的FLASH里面.
伴音处理使用的是NJW公司的1140或1144,伴音功放采用的是PHLIP公司的TDA8932.伴音输入共有六路:AV1\AV2\AV3\TVMONO\HDMI\USB.在图像输入通道上面,运用了HDMI (可以支持到HDMI1.3)切换开关PS321,可以输入两路HDMI信号.YPBPR高清信号通道也有两路.USB模块用的AMLOGIC的4GUSB(7228) 模块,USB跟分量2共用一个通道,用视频切换开关CBT3257(或PI5V330)来进行切换.共有三路AV输入通道,一路AV输出通道.一路S端子输入通道.一路VGA输入.由于使用了120HZ的屏,我们采用了双路LVDS信号输出.
二、机芯各部分电路详解
A.电源部分(主板部分)
从电源(电源模块)输出的共有3路:分别为5VS.12V.24V.具体的工作方式如下图所示:
图1 Standby 电路
图2 12V通过DC-DC转为5V
图3 5V通过DC-DC转为1V.
上面的图1是Standby电路,本机芯为高电平待机。MCU(WT61P7)的POWER¬_ON脚输出高电平,经过Q18反相后变为低电平输出给电源模块,实现待机.待机时电源模块只有5VS输出.
上面的图2是12V转5V的DC-DC电路.主要使用的MPS公司的同步整流IC2303,该IC额定输出电流为3A.输入电压范围:4.75V-28V.正常工作频率为340KHZ。IC内部有过电流保护和软启动功能。过流时工作频率从340KHZ掉到34KHZ。具体的输出电压运算公式如图所示:
VOUT=0.8*[(Rup+Rdown)/Rdown]
我们可以通过调整R422(Rup)和R420(Rdown)来调整输出电压.由于电阻的精度要求很高,我们采用的是1%精度的精密电阻,轻易不要更换.
该DC-DC电路工作原理如下:
上面的图3是5V转1V的DC-DC电路.主要使用的MPS公司的IC2380,该IC额定输出电流为5A.输入电压范围:4.5V-21V.正常工作频率为600KHZ.IC内部有过流保护/过热保护和软启动功能.跟2303的同步范围相比2380的同步范围可要宽的多,通过EN/SYNC脚2380可以与外部时钟频率同步,同步范围为300KHZ-1.4MHZ.输出电压运算公式和IC2303的一样,可以通过调整R733(Rup)和R731(Rdown)来调整输出电压的大小.
另外电源模块还提供一组单独的24V电压绕组供给背光板,背光板部分消耗的电流是最大的,大约10A左右.伴音处理部分的电流也很大,这部分的24V和12V也是由电源模块单独提供的,主板上的插座位号为CON7.
B.MCU WT61P7
该MCU主要的功能有电源待机管理,处理键控和IR信号,控制LVDS_PWR信号.MCU与QX68之间的通信采用的是串口通信方式.MCU的脚位为14/15脚,输出MCU_TXD1和MCU_RXD1信号.第12/13脚控制待机指示灯的颜色,第9脚接收IR信号,第17/19脚接收键控板的信号.第44脚输出待机控制电平.第39脚输出LVDS_PWR信号控制LVDS信号的开关.第32脚输出复位电平.
具体的开机时序如下: 首先电源模块会提供5VS直流信号,经过LDO1084降为3.3VSB供给MCU WT61P7,MCU在上电时会通过AP1701复位,如果9脚或17/19脚接收到遥控器和监控板发出的开机信号,MCU将会通过44脚发出高电平信号给电源模块,电源模块接收到开机信号会输出12V和24V信号.同时MCU也会通过32脚输出复位信号给QX68,在QX上电开始的时间内对QX进行复位.等QX正常工作后会输出LVDS信号和背光板控制信号.实现正常开机.下面是开关机时序图:
1.冷开关机电源时序图
2.待机电源时序图

3.开关机其它控制信号时序图
C.QX68部分
QX68是该机芯板的核心部件.封装为BGA.工艺为90nm.下面是QX68的图像处理部分结构图:
从结构图可以看出,QX68集成了3D解码,ME/MC,Deinterlace,Scaler等图像处理功能.同时能够输出10BIT的LVDS信号.是一颗功能强大的图像处理IC.另外QX内部还集成了CPU器件,这个CPU与我们外围的MCU WT61P7不同的是它承担了大部分的工作,外围的MCU只是做为电源待机管理,只是承担相当小部分的工作.下面具体介绍一下QX各部分的电路情况.如下图所示:
从图中可以看出,TV信号是从CVBS1进入,二极管D12有钳位的作用.S端子信号分别从Y_G3和C进入,视频1/视频2/视频3信号分别从PB_B3/FS1/FS2进入.各路视频信号输入均要加75欧的下地电阻和0.1UF的耦合电容.分量1/分量2分别从Y_G1,PB_B1,PR_R1/Y_G2,PB_B2,PR_R2进入.VGA的RGB信号分别从PC_R/PC_G/PC_B进入,行场同步信号分别从PC_HS/PC_VS进入.HDMI的信号如下图所示,直接是数字信号输入.
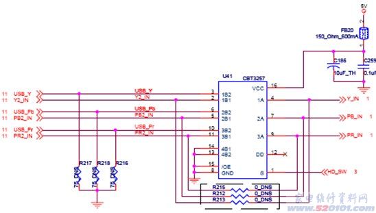
由于USB模块输出为YPBPR信号,所以我们用视频切换开关CBT3257(PI5V330)与分量2共用一个通道.具体的电路如下:

如上图所示,QX通过电阻R381输出对USB模块的控制脚PWR_USB,该电平为低电平时USB正常选通,该电平为高电平时USB不选通.BKLT_CNTL脚是控制背光板开关输出脚,LIGHT_SENSOR脚是接收来自感光板的电平.背光板开关控制的电路如下图所示,BKLT_CNTL输出为高电平时背光板关闭,低电平时背光板开启.
另外介绍下我们的屏变功能,屏变功能有三种,分别为光感屏变,场景屏变和全屏变.光感屏变的原理是感光板通过对环境光的感应,会输出2.5V-3.2V的可变电平,QX通过LIGHT_SENSOR脚接收到这个可变电平,经过软件设定的算法,通过BRT_PWM脚输出PWM电平去控制背光板的亮度.场景屏变则是根据图像信号中的亮度变化来输出PWM电平去控制背光板的亮度.全屏变的效果则是(60%*场景屏变+40%*光感屏变).具体的电路如下:
由于背光板上的BRT_CNTL的电平控制范围为0V-3.3V,0V的时候背光板最暗,3.3V的时候背光板最亮,所以QX_68的输出脚BRT_PWM的输出特性正好与上面的相反,因为中间有三极管Q2做为反相.
如上图所示,这是QX68输出的两路10 BIT的LVDS信号.可以支持120HZ的显示屏.其中有5组数据线TA1+/TA1-…TE1+/TE1-,还有一组时钟信号TCLK1+/TCLK1-. LVDS传输的优点是低功耗,低误码率,低串扰和低辐射.我们的输出幅度为1.2V左右.
D.DDR2
由于后台数据运算量大,8DA5机芯采用了4颗三星公司的16*16BITDDR2的SDRAM.该SDRAM的特点是时钟频率最高可到400M,数据传输率最高可达到800Mbps.由于采用的是FBGA封装,发热量更小,功耗更低.该内存采用1.8V的供电.如图所示:
如上图所示,为了尽量的减少1.8V上的纹波电压,我们采用多个电容并联的方式接地.
E.FLASH
我们应用了SPANION公司的4M串行FLASH.在我们的主板接口上有一个JTAG口CON3,对于空的FLASH来将需要预先通过JTAG去烧写FLASH.具体的方法是通过并口把电脑和JTAG连接,电脑向FLASH的特定地址发出控制命令,把烧写的目的数据.地址和控制信号经JTAG TDI串行输入到对应的边界扫描单元,调用PUTP函数转换TAP状态,更新引脚状态后从系统总线输出到JTAG,就可以完成烧写操作.这些操作主要是针对调试机芯时才会用到.该IC的工作电压为3.3V.
QX的主程序都放在该FLASH里面,另外一些搜台的数据,屏参数据都放在FLASH里面.如图:
F.HDMI部分
8DA5机芯可以接收两路HDMI信号,而且可以支持到HDMI1.3格式.由前面的介绍我们可以看出,QX68本身只能接收一路HDMI信号,为了能接收两路HDMI信号,我们使用了HDMI SWITH PS321,PS321的工作电压为3.3VSB,如图:
另外我们在HDMI信号上使用了RCLAMP0524做为ESD保护器件.如图:
在HDMI接口上我们还使用了MOS管UPA672T(实际使用的是NXP的PMGD780SN),主要作用是对热插拔检测通道(HPD)提供电平转换,将5V单端逻辑转换成3.3V单端逻辑。如图:
G.USB部分
8DA5机芯配42L32结构是不带USB模块的,配其它结构都带USB模块.我们现在使用的USB模块是公司通用的USB模块.主IC是AMLOGIC的7228.USB模块的电路在这里不再介绍.工作电压为电源模块提供的12V.我们使用的USB模块在RM格式下支持三种制式的图像,分别为480P,576P,720P50/60.
H.伴音处理IC1144和伴音功放8932(主要针对的机型为8DA5-42L32、8DA5-42L06、8DA5-47L06)
8DA5机芯采用了NJW公司的伴音处理IC1144(或1140),1140与1144相比少了BBE功能.如下图所示:
从原理图上可以看出,有六路音频输入信号,分别为AV_R_1/AV_R_2/AV_R_3/TV_MONO/USB_R/HDMI_R,
AV_L_1/AV_L_2/AV_L_3/TV_MONO/USB_L/HDMI_L
有一路音频输出信号AR_OUT/AL_OUT.输出到伴音功放.
在这些输入信号中,AV_1/AV_2/AV_3做为视频和YPBPR.VGA的共用信号.在菜单界面可以自由选择.USB的伴音信号是独立的,HDMI由于输出的伴音信号是数字信号,所以进1144之前需要经过DA转换.如图:
从上图可以看出,1144的供电为9V.1144为总线控制器件.
伴音功放8932将1144输出的伴音信号进行放大并输出伴音到扬声器.如图:
8932的工作电压为24V.重点介绍的是MUTE电路和防高频自激电路.8932输出端的下地串联电阻R542/C529,R543/C531为防高频自激电路.L22/C530的参数要根据输出扬声器阻抗的大小进行调整.
8932的静音电路图及工作原理如下:

具体的MUTE开关机时序图如下:

I. 伴音处理IC8357和伴音功放335。(主要针对8DA5-55L09)
如上图所示,伴音处理IC8357具备3D环绕和重低音处理两项功能。在各路输入信号中,TV/AV/YPBPR/VGA/USB伴音信号输入到8357之后在里面先会进行AD转换,然后进入内部的DSP处理模块进行处理,HDMI信号则直接进8357内部的DSP处理模块进行处理。8357和335之间传输的为数字信号。对伴音信号的处理主要在8357内部的DSP完成。 MUTE控制在335内部完成,靠寄存器来控制。[Page]
J.其它接口电路
这里主要介绍遥控电路.键控板电路.感光板电路.
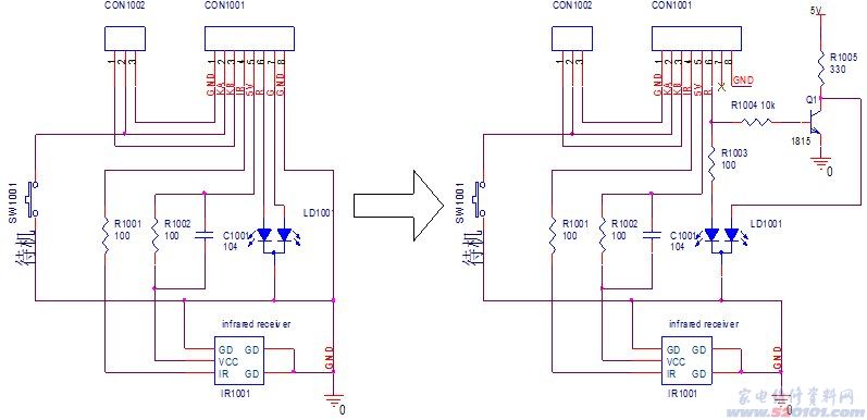
1.遥控接收电路,如图所示
电路工作原理:
红外接收电路主要负责接收遥控器发出的红外信号,并转化为电信号,一路送到主板的CPU处,另一路送到USB的CPU处。主板电路的反相器主要起到隔离和电平转化的目的。如果遥控部分出问题,可在按下遥控器时,用示波器沿电路测量是否有信号到达相关CPU处。8DA5机芯使用红蓝双色指示灯,原来在设计中是用CPU的两个I/O口各加一级反相来控制,提供到指示灯处的逻辑电平在2.8V左右。对于红色指示灯没有任何问题,但由于蓝色指示灯的开启电压要求比较高(大约3V以上),造成个别蓝灯不亮,因此改进了这部分的电路,如下图所示。只用一个CPU的I/O口,多加一个NPN三极管,三极管C极用5V上拉,蓝灯由C极的5V驱动,这样提高了蓝灯的开启电压。这部分的电路与8DA2机芯的电路相同。
有图为改进后的方案,可以提高蓝灯的启动电压
2.键控板接收电路:
8DA5的MCU用两路 A/D(模拟/数字转化)口来完成键控信号的输入采集,这两路分别标示为KA、KB;其中KA路负责『频道+、频道-、音量-、音量+』的信号电压输入,KB路负责『菜单、屏显、信源、待机』的信号电压输入;当然按键的数量以及按键的定义都是可以通过软件来重新设定的,8DA5配06结构的就只有6个键,原理和上面的一样
当某一按键按下时,其对应的KA或KB就会由相应的分压环路产生一个分压值,分压值经A/D取样量化后,由软件预先设定一个数字范围,量化后的值落入哪个区间,CPU就可以认定是哪个键有按下的操作,然后就响应相关的程序。如当没有键按下时,KA和KB的电压值都接近3.3V(A/D口的输入阻抗比10k大很多),这样经A/D转换后的值便被CPU识别为FF,这个值也是经A/D转换后的最大值。每个键相对应的电压值如下:
频道- 频道+ 音量- 音量+ 菜单 屏显 待机 切换
KA 0.65 1.34 1.91 0.00 3.28 3.28 3.28 3.28
KB 3.28 3.28 3.28 3.28 0.65 1.34 1.91 0.00
上面的值是实测的各个键的电压,但是由于电压本身有误差,所以电压有波动是正常的,允许波动范围为10%。
3.感光板电路
8DA5-42L32的感光板与8DA2的感光板是一样的,工作原理也相同,这里不再介绍。主要介绍一下8DA5-06系列的感光板的图纸。更改的主要原因是结构需要。感光板图纸如下:
这块感光板跟以前的不同之处是由光信号转化过来的电信号输出幅度最高能到5V,所以不需要另外增加运放进行放大。C1、C2、C3为滤波电容。
三、机芯升级接口简介
8DA5机芯采用了U盘直接升级的方式。由于没有采用专门的USB口来升级(后期会在后AV支架上增加专用的USB口升级),所以需要通过VGA接口转接。升级图片如下:
升级过程如下:
1. U盘最好采用128M或256M,如果有SANDISK牌子的U盘最好,在升级之前,请先将U盘格式化,用FAT32的方式。然后将附件中的两个文件safe-kernel.img1和update_demo.tgz
直接拷贝到U盘的根目录下面即可。
2.如上面的图片所示,要做一个USB口转VGA的工装,USB口的脚定义依次为5V、D-、D+、GND请将5V接到VGA端口的第15脚,将D-接到第11脚,将D+接到第4脚,将GND接到VGA端口的任一地上即可。VGA的接口图如下:
3.将软件拷贝到U盘根目录下后,先关机,将带U盘的工装直接插到VGA接口上,然后再开机,几秒种后进入升级状态,如果看到电视机待机指示灯闪烁,说明机器正在升级状态,等电视机待机指示灯闪烁停止后过5秒种即可拔下升级工装。重开机检查软件版本日期,升级完成;如果电视机待机指示灯不闪烁,电视机直接开机,则要检查U盘和升级工装是否有问题。
四、机芯工厂模式调试及出厂模式设置
1.进工厂模式方式共有三种:
a.直接按工厂模式遥控器的3F键即可直接进入工厂模式。
b.按遥控器或本机上“音量-”,使音量减到零,在音量菜单消失前,依次按下遥控器上数字键中的“0755”,屏上出现工厂菜单,即可进入工厂模式。
c.按遥控器或本机上“音量-”,使音量减到零,按住键控板上的音量-键,同时按遥控器上的交替键,即可进入工厂模式.
2.退出工厂模式方式有三种:
a.各调试项目完成后,按遥控器上的“静音”键,屏幕左上方会出现“Factory mode off!”字样,即退出工厂模式。
b.直接按遥控器上的交替键,也可退出工厂模式.
c.冷关机或待机可退出工厂模式.
3.老化模式
工厂模式即可进行老化,如需雪花点老化,先将主菜单中蓝屏选项设为关,再进入工厂模式即可.
4.工厂模式功能介绍
①BUSOFF(建议不要使用此功能):按音量右键进入软件调试(DEBUG)模式,关机重新启动后,电视机恢复正常.
②CLEAR EEPROM:频道加减键选择工厂菜单中的CLEAR EEPROM,清理EEPROM后,改动过的数值将恢复为默认值.
③SYSTEM CONTROL:此功能未使用.
④PanelControl: 关于屏的一些设置,按音量加减键进入其子菜单,如下:
1)PanelType: 无法操作,只是用来显示当前使用的是什么屏,1080P(分辨率1920*1080的屏)
2)PanelSelect: 此项用来选择各种屏所使用的白平衡参数,当前选定的值应与所用屏相同;
42寸LGFULLHD 120HZ屏对应参数:LG42
47寸LGFULLHD 120HZ屏对应参数:LG47
3)FIELDSWITH:OFF此功能暂未使用。
4) LVDSMapping:如果是LG屏,选择Normal;如果是三星屏,则选择Samsung;建议在正常情况下不要更改。
⑤SourceSelect: 此功能未使用。
⑥White Balance: 按音量加减键进入子菜单调节白平衡,本机一般不需要调节白平衡,建议正常情况下不要更改;
注意:如果建议不使用的功能里的参数被改动后,可以使用工厂菜单中Clear EEPROM的功能来恢复原来的值。
5.清理EEPROM
①进入工厂菜单;
②用频道加减键选择工厂菜单中的Clear EEPROM;
③按下音量增加键进行清理EEPROM;
④几秒后,屏幕左上方会出现please reboot your system;的提示,此时关电源再开即可完成清理;
注意:在清完eeprom后,所有参数会设为默认值。
6.软件版本信息说明
在工厂菜单的最上方,有软件版本的说明信息,格式举例如下:
CPU 8DA5 VER2.4 080815(软件版本日期)
EEP 8DA5 080813 (EEPROM的日期)
出厂模式设置:
图像模式:标准 彩色制式:自动 伴音制式:D/K
环绕声:关 语言:中文 降噪:中
色温:标准 屏保:开 蓝背景:开
屏稳:关 屏变:关 六基色:开
语音清晰度:关
五、 机芯常见故障及分析
下面分析的问题主要是平常从生产线反馈的一些问题,可能不是很全面,后期再增加.
1.黑屏(背光不亮的情况)
遇到黑屏问题首先要检查电源供电是否正常。用电压表检测CON20的12V输出脚有没有电压,如果没有电压,则可能处于待机状态。如果12V输出电压正常,则要看QX的CORE电压是否正常,用电压表检测电感L21靠近QX的一端看电压为多少,电压在1.05-1.10之间正常.另外要检测DDR的供电是否正常,主要检测U30的输出是否有1.8V.FLASH的电压要检测U28的供电是否有3.3V.如果这些电压均正常.则继续检测QX控制背光板的输出电阻R354.该电阻输出高低电平控制背光的ON/OFF.
如果该电平为高电平,则说明QX工作不正常,此时则要检查FLASH里面的程序是否工作正常,或QX是否有虚焊的现象.如果该电平为低电平,说明QX控制电平正确.这时就要检查背光板的供电是否正常.当然也要检测QX输出的控制电平经过三极管反相之后是否正常.如果这些都正常,背光还是不亮,则是屏上背光板有问题.
2.黑屏(背光亮的情况)
这种情况下面可以表明QX已经正常工作了,这时就要检测QX的LVDS输出是否正常,用电压表检测CON4的第一脚看是否有1.2V的输出电平.如果LVDS的信号输出均正常,则要检查是否屏线没有插好,也可以直接量到屏上TCOM 板上的供电和信号电平,如果都正常,则可以判定是屏TCOM板本身的问题.
3.花屏问题
从生产线来看,造成花屏问题的绝大部分是由于LVDS线没有插好或和屏和主板之间接触不好的问题.还有一种可能是EEPROM数据出错造成屏参数不对.如果是后一种情况,则可以清EEPROM看是否能否恢复正常状况.
4.待机功能无效
主要检查待机电路.首先看MCU U23的待机电平输出是否正确,检测Q18的基极看是否有高电平输出,如果正常而基极无低电平输出则三极管坏,如果都正常则要检查电源模块是否有问题.
5.TV喇叭无声的问题.
首先要看其它通道是否也同样存在喇叭无声的问题,如果只有TV喇叭无声,则要检查高频头输出的TV伴音信号是否正常.如果其它通道也无声,则先看是否静音.检测8932的第5脚,若为低电平则已经静音,如果软件没有静音的操作则要看上电静音电路是否有问题.主要检测三极管器Q28是否导通.如果静音脚为高电平则没有静音,这时需要检测1144或1140是否工作正常,检测供电脚21脚是否有9V,若正常则检测信号输出脚14或27脚是否有信号输出,输出信号幅度在300mv以下.如果该信号输出正常,则要检测8932是否正常,检测8932的8脚和20脚是否有24V,若正常则检测8932的输出是否正常,若不正常则可判定8932已坏.
六、售后反馈的问题分析:
近期陆续接到8DA5机芯的一些市场反馈,我们针对这些问题分析了原因并给出了相对应的解决方法,现将这些现象和相对应的解决方法总结一下,以方便技服的同事更好的解决问题。[Page]
首先说明一下:8DA5机芯共配过3种不同的结构,分别为42L32、42L06/47L06、55L09。其中42L32是不带USB功能,其它两种结构都带USB功能。另外55L09的机芯板在伴音部分相比之前有比较大的改动,42L32和42L06/47L06结构用的机芯板采用的伴音处理部分为NJW1144+TDA8932,55L09结构用的机芯板采用的伴音处理部分为ST8357+ST335。所以8DA5机芯的软件分为三种:8DA5-42L32、8DA5-42L06/47L06、8DA5-55L09。请办事处的人员务必将这几种软件区分开来。
8DA5出现的问题主要分为以下几类,现分别加以说明:
1.8DA5-55L09反馈的断音现象。该现象只有早期的部分机器会出现这个问题,2009年1月5号之前生产的机器会有这个问题,1月5号以后生产的机器不会有这个问题,请办事处在给机器升级之前看一下生产日期。该软件已经发给技服技术科挂网。
2.冷机不开机问题。这个问题在8DA5-42L32、42L06/47L06、55L09上都出现过。但是对成都和德阳办事处出现的坏板进行分析对比,发现同样是冷机不开机,表现的现象却不相同。主要有以下三种现象:
a) 冷机开机时,所有操作及声音都正常,但是没有图像,屏的背光没有打开。经过测量,主板给出的各个信号都是正常的。此时把背光控制开关重新触发一下,背光就可正常开启。(经过与屏厂家确认为屏的背光电路缺陷所致)针对这种情况,我们在背光打开时,软件里做了再触发的补丁。不过这个补丁会使得在开机时,屏会闪一下。德阳至少有两台这样的客户机器。对于这种情况,用原来的软件升级就不会有效果。针对这样的问题我们这边会经过验证确认没有问题之后再发给技服技术科挂网。
b) 冷机开机时,指示灯指示为蓝色,图像声音没有任何反应。但有时又能正常开机。经过测量,发现电源的12V有时没有输出,有时又有输出。通过更换电源板后,机芯工作正常。德阳办事处有一台这样的机器。这种问题很明显是电源模块出了故障。请针对电源模块维修即可。
c) 冷机开机时,指示灯指示为蓝色,但是图像声音没有任何反应。关机后马上开机,又能正常开机。通过监测,在冷机开机时,程序运行到SVP-QX68初始化完成后就挂掉了。但是,当系统稍加预热后,系统就能正常开机和运行。我们在尝试修改一些DDR的设置后,冷开机的情况有比较大的改善。成都和德阳各有一块这样的机芯。在修改之前,只需冷却30分钟,系统肯定开不起来,改完以后,冷却几个小时或一个晚上后,都可以正常开机。针对这样的问题我们这边会经过验证确认没有问题之后再发给技服技术科挂网。
3.不开机现象。从办事处寄回来的坏板看, 状态如下:指示灯为开机状态,黑屏。测试各路电压正常,但测试R589和R352处电压为0.5V。将电容C411、C412、C413、C414替换后正常。R589和R352处的正常电压为0.9V,为参考电平,主要作用是作为QX与DDR通信上数据判别0或1的基准电平。如果这两个地方的电压不正常(判别不正常的条件为低于0.8V或高于1V),首先检查C411、C412、C413、C414这几个电容是否损坏,如果没有损坏,则检查DDR周围的器件是否有虚焊的地方,另外DDR与FLASH之间的电阻虚焊也会导致这个地方的参考电压变化。如果外围器件没有虚焊,则为DDR或FLASH本身虚焊。
完结...