适用机型:海信TLM22V08X、 TLM22V68.、 TLM22V68X、 TLM2233、 TLM2629U、 TL、M2633 D 、 TLM26 E29、TLM26E29X、 TLM26E58、TLM26E58X、 TLM3207、TLM3207AX、TLM3207U、 TLM3228LF、 TLM3228U; TLM3233D、 TLM3233H、、TLM3233SH、 TLM3237D、TLM32E29、TLM32E29X、 TLM3707、TLM3707U、 TLM3728LF、 TLM3728U、 TLM3733D、TLM3733H、 TLM3737D、 TLM4007、TLM4007 U 、 TLM4028 LF、 TLM4033 D 、 TLM403 3 H、TLM4077 D、 TLM4233 D 、 TLM4237 D、 TLM4628、 TLM4628 LF等液晶彩电。
电源板型号为RSAG7 ~820. 1235的IP整合板,编号简称1235,一应用于海信22~ 26in机型;电源板型号为RSAG7. 820. 1646的IP整合板,编号简称1646,应用于32~37in机型,只是将高压板部分的驱动电路由集成块FAN7382改为分立元件,均可参照本文来进行维修。
 
 
 一、电源电路工作原理
         海信MST9机芯1235电源+高压二合一板的实物图解如下图5-5所示,其中电源部分由PFC电路和主电源电路两部分组成。电源板的输入电压范围为交流90~264V,最大输出功率为110W,电源额定输出功率为80W。
  
 
  
 
 
 
    1、主电源电路
          海信MS79机芯1235电源+高压二合一板主电源电路如图5-6所示。它由振荡与控制电路N801、大功率MOSFET(开关清)V802、开关变压器 T801、取样误差放大电路N808、光耦合器N805等组成。主电源产生5V-S、 5V-M、 12V、 14V四种电压,其中5V-S经开关管V813控制和降压取得5 V-M电压,待机时V813截止,降低待机功耗;14V电压经开关管V812与N807构成的稳压电路输出12V,待机时V812截止,以降低待机功耗。 
 (一)、 FAN7602B简介
          振荡与控制电路N801采用的FAN7602B是飞兆公司开发生产的专用于反激PWM的控制器,是一款绿色电流模式PWM控制器,内部电路框图如图5-7 所示,内设振荡器、误差放大电路、驱动输出电路,具有欠电压保护、过电流保护功能。FAN7602B引脚功能和对地电压见表5-3。 
  
 
 (二)、启动工作过程
       AC 220V市电从连接器XP801输入,经延迟熔丝管F801和电阻RT801限流、压敏电阻RV801过电压保护后,交流抗干扰电路滤除高频干扰信号后, 经VD801~VD804桥式整流、C08滤波,产生空载约300V的直流电压;由于滤波电路电容C808容量小,所以该电压为脉动电压,可以随负载电流 大小而变化,在负载较大时可降到240V左右。该电压通过VD810向C810充电,向主电源电路供电,此时因PFC电路未工作,PFC端电压为 300V。遥控开机后,PFC电路启动工作,PFC端电压上升到380V左右。
       PFC端电压分为两路,一路经开关变压器T801的一次绕组加到开关管V802的漏极,另一路经R917、 RR826、 R827送到N801的8脚,为其提供启动电压,N801启动工作,产生激励脉冲,经内部电路处理后,从5脚输出激励脉冲电压,使V802工作于开关状 态,在T801的各个绕组产生感应电压。
       图5-6的主电源是典型的FLYBACK应用电路,当电路中的控制器开关管导通时,电流就会流经变压器,并产生能量存储于其中,此时变压器一次绕组感应的 电压是上正下负,因为二次绕组与一次绕组的极性相反,一电压的方向是上负下正,所以二极管反向偏置,没电压输出;当控制器开关管截止时,由于一次磁场的消 失,变压器的一次绕组电感呈逆向极性,二次侧的整流二极管正向偏置而导通,将能量转移到负载电路,由此周而复始,一次绕组和二次绕组轮流导通工作。可见反 激功率变换电路中的变压器除了起隔离作用外,还具有储能作用,即反激式变压器可同时实现直流隔离、能量存储、电压转换的功能,所以相对于其他隔离式功能变 换器电路,反激式变换电路的元器件少、成本低,在理想的情况下,一次绕组和二次绕组不会同时有电流存在。
       T801的热地端有两个低压绕组,一个绕组感应电压经R829限流、VD806整流、C822、C823滤波、VZ801稳压后,送到N801的6脚,替 换下内部启动电路,为N801供电;另一个绕组感应电压经R838限流、VD8晚整流、C828滤波产生的VCC电压,经待机控制电路V805控制后,为 PFC驱动控制电路N802供电。 
 (三)、整流滤波输出电路
         开关变压器T801的二次侧有三个绕组:一组感应电压经VD822整流,经C849、L805、C850滤波后,产生5VS电压,再经待机控制电路 V813控制后输出+5V电压;第二组感应电压经VD821整流、C843、L804、C844滤波后,产生14V电压,再经待机控制电路V812稳压控 制后输出+12V电压;第三组感应电压经VD820整流、C841滤波后,为待机控制电路V817、V812供电。 
 (四)、稳压控制电路
         稳压电路由取样电路R862、R863,误差取样放大器N808、光耦合器N805等组成,从C849两端的5V电压进行取样,对N801的3脚电压进行控制。
         当输出的14V、5V电压升高时,由取样电路R862、R863分压后输入到误差取样放大器N808的R极电压升高,经N808比较放大后的K端电压下 降,同时输出的14V电压也升高,使N805的1脚电压升高,使得流过N805内部发光二极管的电流加大发光增强,N805中的光敏晶体管导通增强,使 N801的5脚电压升高,经内部电路处理后,从5脚输出的驱动脉冲宽度变窄,开关管V802导通时间减小,从而使输出的14V、5V电压下降到正常值。当 开关电源输出的14V、5VS电压降低时,上述稳压控制电路向相反方向变化,使输出的14V、5V电压上升到正常值。 
 (五)、过电压保护电路
         N801的3脚为稳压控制端,不但外接稳压控制环路,该电源板还巧妙地利用3脚的稳压功能,设置了过电压保护和过电流保护电路。
         过电压保护电路由晶体管V815、5VS过电压检测电路的VZ806、VD823、+12V过电压检测电路的VZ807、VD824等组成。当5VS过电 压超过5. 6V时,将5. 6V稳压管VZ806击穿,通过隔离二极管VD823向V815的基极送入高电平;当+12V过电压超过15V时,将15V稳压管VZ807击穿,通过隔 离二极管VD824向V815的基极送入高电平。V815导通,将稳压控制电路中的光耦合器N805的2脚电压拉低,N805饱和导通,次级光敏晶体管导 通,向N801的3脚注入高电平,N801停止工作。 
 (六)、过电流保护电路
         N801的3脚通过R836与开关管V802的源极电阻R837相连接,用于检测变压器T801一次电流。
        当由于负载电流增大或整流滤波电路短路等原因引起V802电流增大时,电流在源极电阻R837上的电压降增大,经R836加到N801的3脚,使N801的3脚电压升高,当3脚电压达到设计保护值时,N801过电流保护,停止输出脉冲。
 (七)、市电电压过低保护
        N801的1脚为市电电压检测电路,通过分压电路R818~R821对AC 220V市电整流滤波后的300V电压进行分压,送到N801的1脚。
        当市电电压过低时,整流滤波后的电压经分压电路送到N801的1脚电压降低,当N801的1脚低于2V时,N801启动欠电压保护,停止输出激励脉冲。 
 
 
 2、待机控制电路
      海信MST9机芯电源部分开关机控制电路,如图5-6所示,由待机12/5V控制电路和待机VCC控制两部分组成:一是由V812、V817、N807、 V810、V813组成的12/5V控制电路,待机时切断负载电路+12V和+5V/0. 5 A电源输出供电;二是由V814、光耦合器N806、V805组成的VCC控制电路,待机时切断PFC振荡控制电路N802的8脚VCC供电。
     (一)、开机状态
     主电源电路输出5VS电压,通过连接器XP802的10、11脚向主电路板的控制系统供电,待机指示灯点亮。遥控开机时,主电路板上的微处理器控制电路 N8的150脚通过连接器XP802的12脚向电源板送来的STB电压为高电平,该高电平分为两路:
     一路经R868送到VCC控制电路V814的基极,使V814导通,光耦合器N806导通,向V805的基极提供正向偏置电压,V805导通,向PFC驱 动电路N802的8脚提供工作电压,PFC电路进入工作状态,向主电源电路和背光灯高压板电路提供380V电源。
     第二路经R848送到电源输出控制电路V810的基极,V810和V817导通,向12V稳压电路V812的基极提供正向偏置电压,V812导通,输 出+12V电压,一是通过连接器XP802的歇9脚向负载电路供电;二是经R856向V811的控制极提供正向偏置电压,V813导通,输出+5V电压, 通过连接器XP802的1、2脚向负载电路供电。
     (二)、待机状态
     遥控关机时,主电路板上的微处理器控制电路通过连接器XP802的12脚向电源板送来的STB电压变为低电平,该低电平分为两路:
     一路经R868送到VCC控制电路V814的基极,使V814和光耦合器N806截止,V805的基极因无偏置电压而截止,切断了向PFC驱动电路N802的8脚提供的VCC工作电压(见图5-8),PFC电路停止工作,主电源电路和背光灯高压板电路的电源电压降到300V。
     第二路经R848送到电源输出控制电路V810的基极,V810和V817截止,12V稳压电路V812的基极无偏置电压而截止,切断了向负载电路提供 的+12V输出电压;由子V812无电压输出,V811的控制极失去偏置电压而截止,切断了向负载电路提供的+5V电压,进入待机状态。此时只有5VS电 压输出,维持主电路板控制系统的供电。 
 
 
 3、PFC电路
        海信MS19机芯1235电源+高压二合一板PFC电路如图5-8所示。它由振荡控制电路N802 (FAN7530)、开关管V801、储能电感L803组成,具有提高功率因数,抑制谐波电流的作用,同时将整流滤波后的市电电压提升到380V,为电源 部分DC-DC变换电路和背光灯高压板电路供电。 
 (一)、 FAN7530简介
        FAN7530是仙童公司开发的主动性PFC专用集成电路,其内部电路框图如图5-9所示,内含锯齿波发生器、误差放大器、电流保护比较器、零电流检测电 路、驱动输出电路等。芯片内部提供了多种保护功能,器件中的误差放大器和乘法器的内部门限可在电路出现过载时阻断输出,以进行限流操作,同时也可以防止负 载突然断开造成危害,由于这种输出驱动限制电路限制了开关管门极驱动电路在电源电压重点处的过载,因而大大提高了整个电路的可靠性。该芯片的工作频率是变 化的,本电源设定的最低工作频率是27kHz。FAN7530引脚功能和对地电压见表5-4。 
  
 
  
 
 (二)、启动校正过程
        市电整流滤波后形成的300V脉动直流电压经储能电感L803送到PFC电路开关管V801的漏极。
        开机后,主电源工作后,经待机控制电路送来的VCC电压,加到N802的8脚,为其提供启动电压,N802振荡产生锯齿波脉冲电压,经内部电路处理后,从7脚输出激励脉冲,推动开关管V801工作于开关状态。
        当V801饱和导通时,市电电压由整流后的300V电压经电感L803、V801的漏一源极到地形成回路;当 V801截止时,300V电压经电感L803、VD811、C808到地,对C808充电,同时流过L803电流呈减小趋势,电感两端必然产生左负、右正 的感应电压。这一感应电压与300V电压的直流分量叠加,在滤波电容C808正端形成380V左右的PFC直流电压,不但提高了电源利用电网的效率,而且 使得流过L803的电流波形和输入电压的波形趋于一致,从而达到提高功率因数的目的。 
 (三)、稳压过程
        N802的1脚为PFC输出电压采样输入端,PFC电路输出380V电压经R813、R814、R815、R816、R818与R817, R860分压后作为取样电压送到N802的1脚;N802的2脚内接锯齿波发生器,5脚为电感电流过零检测点,L803的二次绕组感应电压经R804送到 N802的2脚,作为误差信号;经R805送到N802的5脚,作为过零检测信号。
       上述取样和检测电压经N802内部比较、放大、对比与运算,对7脚输出的脉冲占空比进行控制,维持输出电压的稳定。当PFC输出电压降低时,N802的7脚输出的脉冲占空比变大,开关管V801的导通时间延长,输出电压升高到正常值;当PFC输出电压升高时,N802的7脚输出的脉冲占空比变小,开关管V801的导通时间缩短,输出电压降低到正常值。 
 (四)、过电压、欠电压保护电路
        N802的8脚为VCC供电送入端,设有电压检测电路,当该脚电压过低或过高时,内部保护电路启动,切断集成电路内部供电,达到保护的目的。
        N802的1脚为PFC输出电压取样输入端,内设误差放大器和采样点关断电路,该点正常电压在2.5V左右。当输入到1脚的取样电压低于0. 45V或者高于2.6V时,PFC电路关断。 
 (五)、过电流保护电路
        N802的4脚为电流检测输入端,通过R810对开关管V801的漏极电阻R812两端电压进行检测。R812两端的电压降反映了PFC电路电流的大小,当开关管V801的电流过大时,R812两端的电压降随之增大,N802的4脚电压超过0. 8 V、PFC电路就会停止输出。 
 
 
 二、电源电路故障维修
     海信MST9机芯1235电源+高压二合一板引发的故障主要有三种:一是指示灯不亮,多为电源部分故障;二是指示灯亮,无图无声,主要是电源+12V、+5V供电电路故障;三是有声无光,则是背光灯高压板故障。
     如果发生指示灯不亮的故障,故障范围在电源部分,可首先检查元器件是否掉件及连焊。如开机异常,开机测量输出端XP802的10、11脚5V-S是否有5V电压输出,判断故障范围。
     1、电源电路无电压输出
     开机前,应确认元器件没有掉件及连焊。如开机异常,按如下顺序查找。
     (一)、测量电源板输出5V电压
     开机测量输出端XP802的10、11脚5 V-S是否有5V电压输出,若有5V电压输出,则检测待机控制电路电压;若没有5V电压输出,则进行下一步,测量主电源电压。
     (二)、测量主电源电压
     测量C810 (450V大电解电容)两端电压是否在300V左右(交流220V输入),若没有300V电压,测量前面是否有交流输入或熔丝是否损坏;若有300V电 压,则测量集成电路N801的1脚电压是否大于2V。若大于2V,说明正常;若小于2V,则说明输入交流电有问题。然后测量N801的6脚电压,正常应该 在12~18V。若都正常,测量光耦合器N805电路的R835之间是否有反馈电压差。若有反馈电压差,说明变压器二次侧有反馈,是保护电路V815导通 所致,检查过电压保护稳压二极管VZ806, VZ807是否击穿变质;若没有反馈电压差,则检查二次侧取样误差放大电路N808是否正常。
     (三)、测量待机控制电路电压
     将输出端子XP802的12脚STB接5V电压,看+12V是否有12V电压。若没有,则测量晶体管V817是否损坏,栅极是否有电压;若有,则测量电解 电容C841是否有14V电压。若没有14V电压,测量VD820或R850是否损坏;若有14V电压,测量V817是否有问题。注意:此处有12V过电 压保护电路VZ807,若此处过压,一般是V812击穿,则输出电压波动不稳。
     若++12V有12V电压,则测量+5V电压是否正常;若没有+5V电压,则检查晶体管V813是否损坏。注意:此处++12V控制+5V的输出,只有12V输出正常,+5V才能正常工作。
     测量450V大电解电容两端电压是否在360V以上,该机正常值为380V,如果该电压为300V左右,说明PFC电路未工作,·则检查C830电压是否 正常,正常应该在12~18V;若C830没有12~18V电压,则检查VCC控制电路的VZ802、V805是否正常,或检查V814是否导通。
 
     2、无5V-S、5V-M、12V输出检测
     首先测量电源电路有无元器件损坏,若没有,则测量集成电路N801的1脚电压是否大于2V。若大于2V,说明电路正常;若小于2V,则说明输入交流电有问题,或者是电容C820漏电或损坏。
     假如在以上均正常的情况下,还是没有输出。此时,可以将二次侧的小滤波电感L804和L805去掉,直接测量电容C843和电容C849,空载时C843 两端电压为14~17V、C849两端电压约为5. 2V。若两电容电压符合上述数值,则应该是小滤波电感L804和L805以后电路的问题。根据以往的经验,一般电容C853损坏的情况比较多。假如5V输 出正常,而12V没有输出,一般是V812损坏。 
 
 
 三、高压板电路工作原理
     1、高压板基本电路
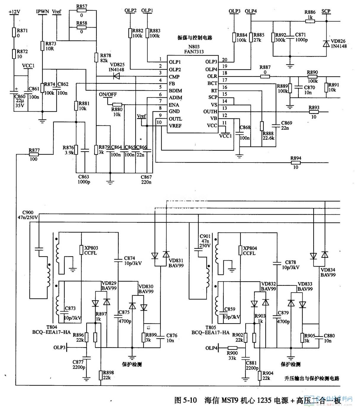
      海信MS19机芯1235电源+高压二合一板背光灯高压板电路如图5-10所示,主要由振荡与控制电路、激励电路与升压电路两大部分组成。由于高压板设置 在电源板上,高压板升压电路不再像传统的高压板那样采用12~24V低压供电,而是直接采用电源PFC端的380V高压供电。该高压板电路的优点是效率 高、成本低,缺点是对升压电路的元器件耐压等参数提出的要求更高。
  
 
  
 
   (一)、振荡与控制电路
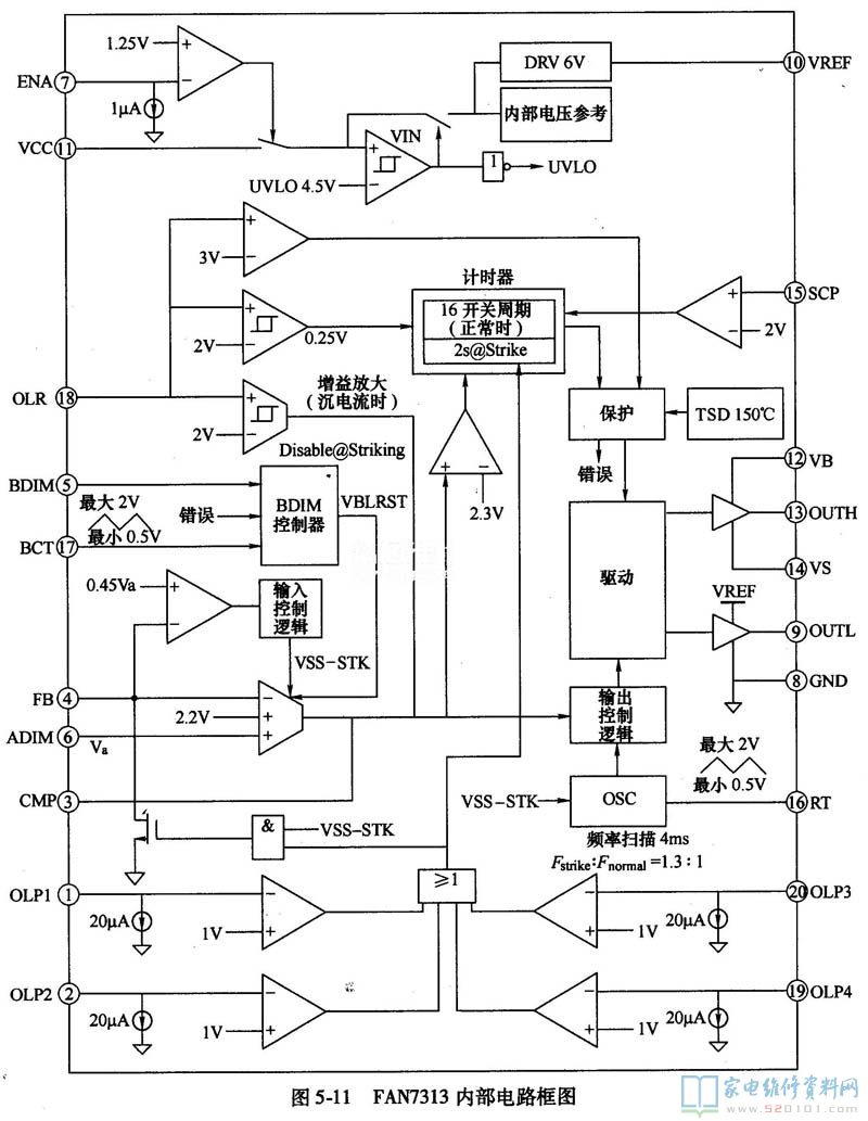
     高压板振荡与控制电路由N803 (FAN7313)内外部电路构成,采用单12V供电,向激励电路输出两路驱动脉冲信号,并具有过电压、过电流保护功能。FAN7313是飞兆公司开发的 高压板振荡与控制专用集成电路,内部电路框图如图5-11所示,内含振荡电路、BDIM控制器、计时器、参考电压电路、频率扫描电路、输入逻辑控制电路、 输出逻辑控制电路、驱动输出电路等。FAN7313引脚功能和对地电压见表5-5。 
  
 
  
 
  
 
电源电路冷地端输出的12V电源经R871、R871降压,经C860, C861退耦滤波后变为VCC电压,为高压板振荡与控制电路供电,送到高压板控制电路N803的11脚。高压板的控制电平通过连接器XP802送入电源+ 高压二合一板,开机时主电路板控制系统ON/OFF为高电平,经连接器的5脚送入电源+高压二合一板,通过R880送入N803的7脚ENA使能控制端; 主电路板的控制系统输出的亮度控制IPWN电压经连接器的6脚送入电源+高压二合一板,经R873加到N803的5脚。N803获得工作条件而启动工作, 内部振荡电路启动,产生脉冲电压,经内部电路处理后,从13、9脚输出激励脉冲电压,经推动变压器T802耦合,送到激励电路N804。
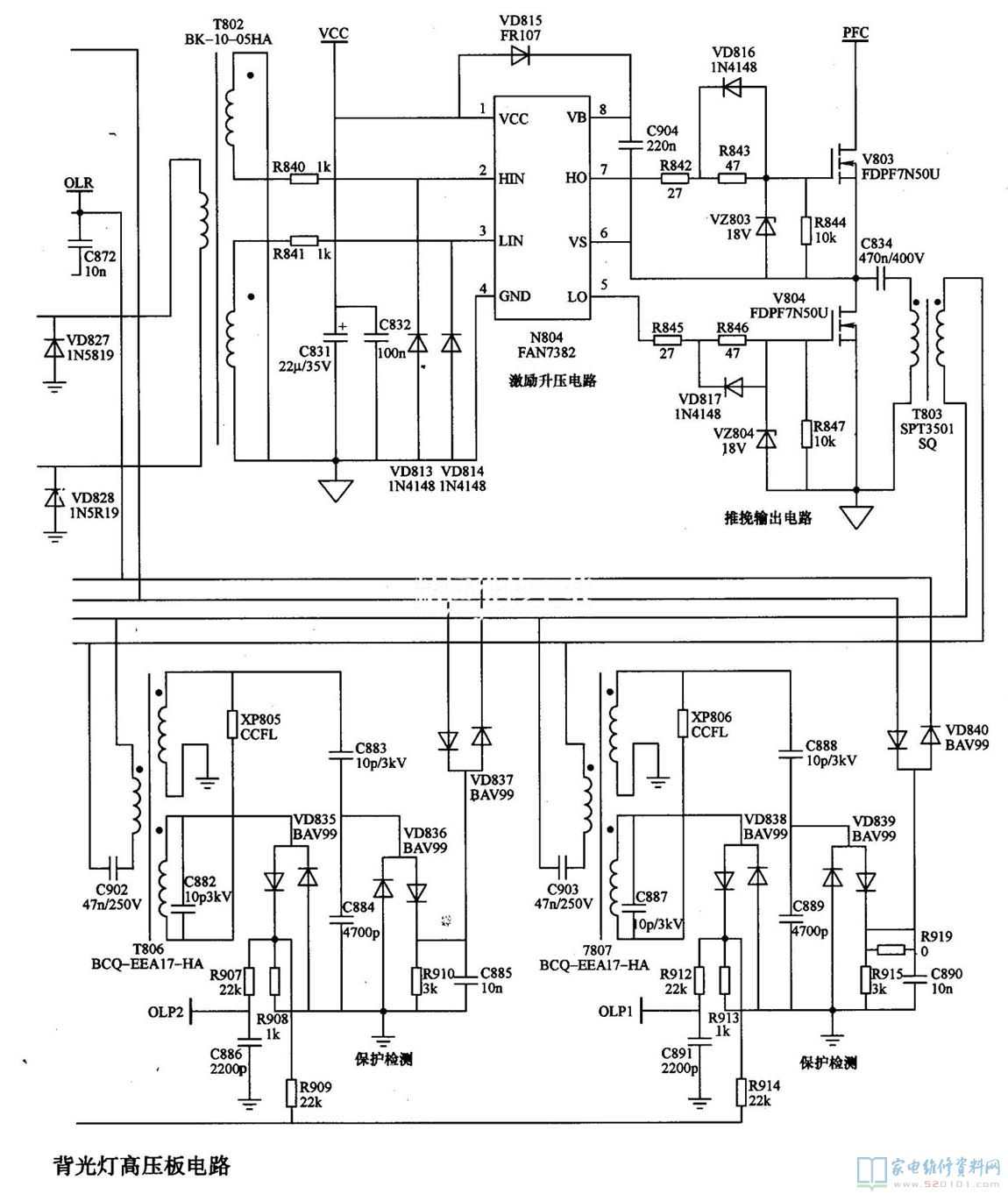
    (二)、激励电路与升压电路
     激励电路与升压电路由输入变压器T802、激励电路N804 (FAN7382)、推挽输出电路V803、V804、输出变压器T803、升压变压器T804~T807组成。
     FAN7382是一款高边和低边门驱动单片集成电路,能够驱动工作电压达到+600V的MOSFET和绝缘栅双极型晶体管(IGBT)。 FAN7382采用两种供电电压,其内部电路框图如图5-12所示;引脚功能和对地电压见表5-6。 
  
 
  
 
电源部分热地端输出的VCC电压送到N804的1脚,为激励电路供电,PFC电路输出的+380V电压为推挽输出电路V803, V804供电。输入变压器T802耦合后二次侧得到的激励脉冲分为两组送到N804的2、3脚,经N804放大后,从7、5脚输出,激励MOSFET开关 管V803、V804交替导通,工作于开关状态,在输出变压器T803产生感应电压,其二次侧的感应电压送到T804~T807 4个升压变压器的一次侧,经过变压器升压后,从二次侧高压绕组产生交流高压,将背光灯灯管点亮。
  2、检测与保护电路
       4个高压变压器的二次侧均设有电压检测和电流检测电路,一是将检测电压分别送到N803的4脚反馈输入脚,内部电路根据检测到的电压和电流数据,对输出激 励脉冲进行适当地调整,保持输出电压的稳定;二是将检测电压送到N803的开路保护脚1、2、20、19、18脚。
       由于4个升压变压器二次侧的检测电路相同,下面以T807为例,介绍二次侧的电压、电流检测保护电路。
 0888、C889对灯管的输出交流电压进行分压,C889上端分得的电压经VD839整流,在C890两端形成检顺组电压,经VD840将检测电压 OLR和SCP送到N803的18、19脚,同理T804 ~T806形成的OLR和SO检很组电压也送到N803的18、19脚,作为过电压保护检测的依据。当T804~T807的输出电压升高,经检测后使18 脚电压升高到2V以上时,N803停止工作。
       灯管回路电流经T807的下部绕组产生感应电压,经VD838整流,在R913上形成电压,该电压一路经R914送到N803的4脚;另一路经R912送 到N803的1脚。同理T804~T806形成的检测电压一路送到N803的4脚;另一路送到20、19、2脚,作为保护启动的依据。当背光灯管发生故障 不工作时,其电流剧减,电流检测电路输出电压降低,当1、2、20、19脚电平低于1V时,N803在2s后停止输出。 
 
 
 四、高压板电路故障维修
    1、背光灯不亮
     (一)、检测高压板振荡控制电路
       将输出端子XP802的5、6脚接5V电压,若高压板输出有问题,或表现为功率没有增加,则先检查C860电压是否在4.5~18V,以及芯片N803的 10脚电压是否为6V。然后检测N803关键引脚电压:检查7脚电压是否大于2V,若大于2V,芯片开始工作;1、2、19、20脚电压要求大于1V、7 脚电压要求大于2V、10脚是基准电压6V、18脚电压要求小于2V。若还有问题,则尝试下面几种方法。
     1)去掉电阻R886看是否正常,若不正常,去掉二极管VD831看看是否正常,若正常,说明变压器T804或周围电路有问题,按照步骤3)查找相关元器 件。同样,分别去掉二极管VD834,查找变压器T805周围元器件;去掉二极管VD837,查找变压器T806周围元器件;去掉二极管VD840,检查 变压器T807周围元器件。
     2)去掉电阻R890看是否正常,若不正常,重复1)步骤解决。
     3)用5V接100kΩ电阻,连接在集成电路N803的1脚,若正常,说明变压器T804及周围电路有问题,检查变压器T804是否装反,电容C873~C875是否损坏,二极管VD829~VD831是否损坏。
     4)重复步骤3),分别连接到集成电路N803的2、19、20脚,查找各路变压器及其周围元器件。
     造成过电流、过电压保护电路动作,一是背光灯管发生开路、漏电故障;二是升压变压器内部发生局部短路故障,可通过感应电压法检测升压变压器T804~T807的感应电压,并进行对比,找出电压异常的高压输出电路,对相关的升压变压器和灯光进行检查和更换。
    (二)、检测激励升压电路
     若经过以上检测没有问题,则检查驱动变压器T802及芯片N804是否有问题,测量变压器T802是否有输入或输出脉冲电压。T802有脉冲电压输入,则是激励升压电路故障,一是检测激励升压电路N804是否正常;二是检测V803\V804是否击穿、失效。
    (三)、高压板无高压输出
     根据故障现象,可分为以下三种情况。
     1)一开机就没有输出。应该是开机瞬间的电压过高,可以将电源板上的电阻R890去掉,电阻R889改为0Ω。假如还是没有输出,应该按照维修步骤检修电路中的故障元器件。一般这种情况下,损坏比较多的元件为电容C900~C903。
     2)开机出现海信的LOGO字符,屏暗。这时,可以将电阻R886去掉,看是否可以开机。一般情况下,都可以正常开机,这时需要找出是哪一路元器件损坏, 可以用万用表依次测量VZ808~VZ811各点的电压。假如有一路电压低于1V,则说明此路有元器件损坏。举例说明,假如VZ808的电压低于1V,此 时出故障的元器件一般是C877和VD829等。
     3)节能状态下屏闪。重点检查以下三方面,一是开关管V803和V804是否损坏;二是电容C869和电阻R888是否有故障;三是N803是否有故障。
   
    2、不开机故障维修
     造成不开机的原因很多,首先需要判断是主板故障还是电源板故障。如果遥控指示灯为红色,表示待机电压正常,主板无法启动;如果遥控指示灯为蓝色,表示主板已经正常启动,主芯片和FLASH都已经开始正常工作,这时一般会有声音;如果遥控指示灯不亮,表示电源板上没有待机5V输出,主板无供电电压。
     如果确认是主板故障,首先确认各路电压是否正常,主要包括3.3V和1. 2V,检查FLASH芯片电压是否正常。如果各路电压都正常,可以尝试对主板升级;如果电路连接没有问题,但是主板无法通信或者升级失败,可能是 FLASH或者主芯片失效。如果主芯片已经正常工作,但是背光仍然不亮,需要确认背光ON/OFF脚电压是否已经拉高。
     例5-3:待机指示灯亮,数秒钟后指示灯熄灭。
     分析与检修:开机时指示灯亮,说明开关电源已经起振工作,几秒钟指示灯熄灭,说明开关电源停止工作,很可能是保护电路启动。
     对保护电路进行检测,开机的瞬间测量过电压保护电路V815的基极电压,发现有0. 6V的高电平,判断是过电压保护电路启动。逐个断开V815基极外部的保护检测电路VD823、VD824,并进行开机试验,当断开VD823时,开机不 再保护,且声光图均正常,此时测量开关电源输出电压均正常,5 VS电压为5. 1 V,在此范围内,判断过电压检测电路稳压管VZ806不良,更换VZ806后,故障排除。
     例5-4:开机背光灯瞬间亮一下,然后熄灭,伴音、遥控开关机均正常开机。
     分析与检修:背光灯瞬间亮一下,然后熄灭,很可能是高压板保护电路启动。在开机瞬间仔细观察,发现液晶屏上部宽约10Cm的部位比其他部位亮度略微暗一 些,怀疑屏幕上部的背光灯管没有点亮,换用其他背光灯管,插到不亮的背光灯升压板的插座上,背光灯管能够点亮,说明问题应该是在背光灯管上。拆开背光灯管 组件,发现背光灯管已断裂,而液晶屏并没有损坏。
     例5-5:开机背光闪亮一次,然后无图有音。
     分析与检修:开机背光闪亮一次,说明背光灯管保护电路起控,对保护电路进行逐一断开,当断开集成电路N803的19脚外围的灯管过电流保护电阻R866后,机器恢复正常,背光灯管点亮未见异常,由此判断故障为保护电路误动作引起。
     分别检查各路保护电路隔离二极管的负极电压,发现二极管VD840的负极电压为0. 7 V左右。看来是由于此路电压过低,将通过VD840的电压钳位,导致N803的19脚电压过低而保护。仔细检查此部分电路,发现电容C889失容,更换C889后,故障排除。 
 
								
