MST7机芯电源板使用过1032、 1569、 1585、 1646等型号,1585板应用在19in (1in=25. 4mm)电视机中,1569板应用在22in电视机中,1032, 1646板应用在26in电视机中。本节以型号为1585板为例,介绍电源+高压二合一板的原理与维修。该板将电源电路和高压板电路整合在一块电路板上。 电源电路采用SG6859A,高压板振荡与控制电路采用KA7500C。
 
 
一、电源电路工作原理
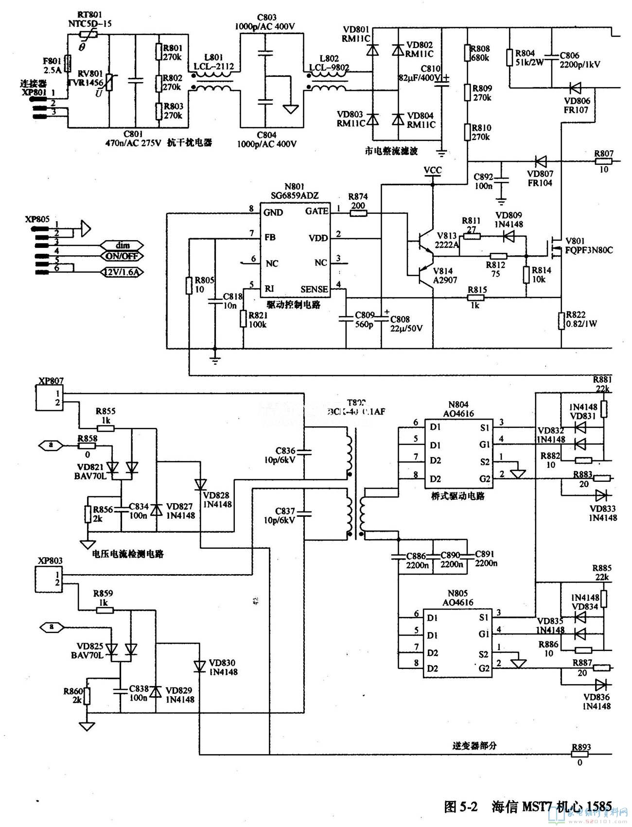
海信MST7机芯1585电源+高压二合一板实物图解如图5-1所示;二合一板电路如图5-2所示。在图5-2的上半部分为12V电源电路,可以产生 12V/1. 6A的电压,为主电路板和高压板电路提供工作电压;图5-2的下半部分为高压板电路,可以产生交流高压,为背光灯管供电。
 1、 12V开关电源
     12V开关电源采用反激式方式,由驱动控制电路N801 (SG6859ADZ)、激励电路V813、V814、大功率MOSFET(开关管)V801开关变压器T801和稳压控制电路等组成。
    (一)SG6859ADZ简介
     SG6859ADZ是开关电源专用驱动控制电路,是一款符合节能需求且高度整合型的低成本AC-DC PWM集成电路。它仅需要9mA的启动电流与3mA的工作电流,故能轻易地符合各项节能要求,同时可以保护外部开关管不受过电压破坏。SG6859ADZ将 驱动脉冲输出电压限定在17V,内置OVP与UVLO等保护功能,均使得外部的元器件数大幅减少,达到了降低设计成本的要求。SG6859ADZ内部电路框图如图5-3所示,其引脚功能见表5-1。
  
 
  
 
  
 
  
 
    (二)启动和振荡电路
      AC 220V市电从连接器XP801输入,经过交流抗干扰电路滤除高频干扰信号,再经VD801~VD804桥式整流,C810滤波,获得300V左右的直流电压。由于该电路板没有PFC电路,所以为主电源供电的为300V电压。
      市电整流滤波后的300V电压经开关变压器T801一次绕组的1-3端加到开关管V801的漏极,同时经R808~R810降压后为N801的2脚提供 VDD启动电压,N801获电后启动工作,振荡电路产生PWM脉冲,经内部电路处理后从1脚输出,经V813、V814放大后,送到V801的栅 极,V801在脉冲的驱动下工作于开关状态,其开关电流在T801产生感应电压。
      N801的2脚外部的C808、VD807、R807组成VCC供电电路,电源电路启动后,T801绕组的5-6端的感应电压经VD807、C808整流滤波,送到N801的2脚,替换下启动电路,为N801提供稳定的工作电压。
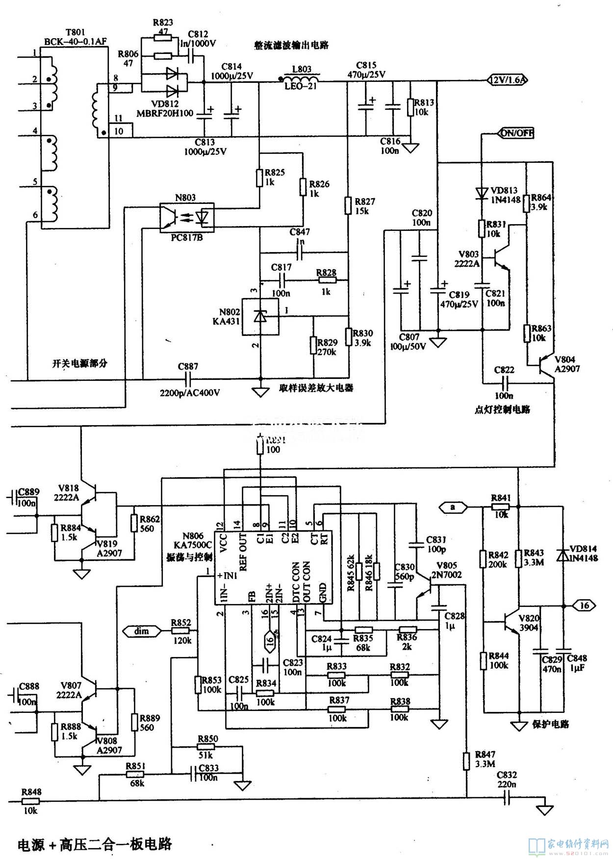
      T801二次绕组的感应电压经VD812、 C813、 C814、 L803、 C815、 C816整流、滤波后,产生+12V/1. 6A的输出电压,为主电路板和高压板电路供电。 
 2、稳压与保护电路
     (1)稳压控制电路
      当开关电源12V/1. 6A电压因故升高时,经过R827, R830, R829取样加到误差放大电路,N802的1脚电压升高,经N802内部比较放大后,3脚电压降低,光耦合器N803的电流增加,将N801的7脚电压降低,输出的PWM脉冲变窄,开关管V801提前截止,输出电压回落到12V。
     (2)过电流保护电路
      过电流保护电路由N801的4脚及其外部电路组成,对开关管V801的源极电压进行检测。当V801电流过大时,在源极电阻R822上的电压降升高,该电压经R815送到N801的4脚,当4脚的电压达到设计值时,N801停止PWM脉冲输出,开关电源停止、工作。 
 
  
 二、电源电路故障维修
        由于海信MST7机芯1585电源+高压二合一板将电源和高压板合二为一,因此引发的故障主要有两种:一是指示灯不亮,多为12V开关电源部分发生故障;二是有声无光,背光灯不亮或亮一下熄灭,则是背光灯高压板电路发生故障。
       如果开机指示灯不亮,测量电源板有无12V电压输出,如果有电压输出,一是主电路板发生故障,二是电源板到主板之间的连接器接触不良。
       为了区分是电源板故障还是主电路板故障,拔掉与主电路板的连接器XP805的插头,将电源板拆下,在XP805的插座5、6脚12V/1. 6A输出端接假负载,并用电阻跨接在XP805的5、6脚和4脚之间,为电源板提供ON/OFF点灯启动电压,然后通电对电源板进行维修。 
 
 
 1、熔丝熔断
    (一)根除短路故障
     测量AC 220V输入电路的熔丝F801和限流防浪涌电阻RT801是否烧断,如果F801或RT801之二烧断,说明电源部分有严重的短路故障。首先排除电源短 路漏电故障:一是检查抗干扰电路的电容C801、C803、C804是否击穿短路;二是检查市电整流滤波电路VD801~VD804、C810是否击穿短 路;三是检查开关电源的开关管V801是否击穿。
    (二)排查开关管击穿原因
     如果V801击穿,还要排除V801的击穿原因,避免更换后再次损坏。造成V801击穿的原因,.一是V801的漏极外接的VD806、C806、 R804组成的尖峰脉冲吸收电路发生开路故障,失去尖峰脉冲吸收作用,将V801击穿;二是N801的7脚外部的取样误差放大电路发生开路、失效、变质故 障,造成开关电源输出电压升高,将V801击穿;三是V801的栅极电路元器件发生故障.造成V801由于激励不足出现过损耗损坏。 
 2、熔丝未断
     (一)测量300V电压
     如果熔丝未断,则故障在开关电源电路。首先测量大电容C810两端形成的300V左右电压,如果无300V电压,则是市电输入电路或整流滤波电路发生开路故障。
     (二)测量 N801电压
    如果300V电压正常,则测量N801的2脚有无启动电压,该电压应该在9~15V之间。如果2脚无启动电压,检查2脚外部的R808-- R810启动电路是否开路;如果2脚有启动电压,测量N801的1脚有无激励脉冲输出,如果其值在0~3V之间变动,说明N801工作是正常的。如果无激 励脉冲输出,则是以N801为核心的振荡控制电路发生故障,否则是N801的1脚外部的V813、V814、V801发生故障。如果驱动控制电路N801 发生故障,首先检测N801的各脚电压和外围元器件是否正常,外围元器件正常时,更换N801。 
 例5-1:开机三无。指示灯不亮。
     分析与检修:观察指示灯不亮,检测电源板无12V输出,判断故障在电源电路中。通电测C810两端电压为0V,检测熔丝F801已经熔断,说明电源部分存在严重的短路故障。
     测量电源部分整流滤波电路,未发现短路元器件;检查电源输出电路,发现大功率MOSFET(开关管)V801击穿,检查V801外部元器件,发现尖峰脉冲 吸收电路的R804引脚开焊,造成尖峰脉冲吸收功能失效,将V801击穿。将R804补焊后,再更换V801,开机时指示灯亮后熄灭。开机指示灯亮,说明 开关电源已经启动,亮后熄灭,很可能是保护电路启动。测量开关电源输出端,有电压输出,然后降低到0V。
     考虑到V801击穿,很可能将其S极电阻烧焦变大,检查发现V801的源极电阻R822阻值变大,由正常时的0. 82Ω增大到10Ω以上,且不稳定,致使正常的电流在R822上的电压降增大,保护电路误启动。更换R822后,故障彻底排除。 
 
  
 三、高压板电路工作原理
     1、高压板基本电路
     高压板电路的振荡和控制电路N806采用KA7500C,互补全桥电路双MOSFET(开关管)N804、N805采用A04616,与升压变压器T802配合,输出750V交流高压,经连接器XP803、XP807为背光灯管供电。
     (一)KA7500 C简介
     KA7500C是专用的液晶产品背光控制检测电路,其内部电路框图如图5-4所示,内部设有振荡电路、比较器、误差放大器、脉冲翻转电路、参考电压、输出 驱动电路等,其引脚功能和对地电压见表5-2。为了保证不同行频时输出的交流电压稳定,KA7500C外部设有电压、电流检测稳定电路。
  
 
  
 
  
 
     (二)启动工作过程
     主板控制系统输出的高压板ON/OFF点灯控制电压为高电平,经XP805的4脚送入电源板;背光灯DIM亮度调整电压通过连接器XP805的3脚送入电源板;电源电路的12V/1. 6A电压直接送到互补全桥电路双开关管N804, N805的3脚。
     开机后主电路板送来的ON/OFF点灯控制电压经VD813、R831送到点灯控制电路V803的基极,使V803和PNP晶体管V804导通,将电源部 分输出的+12V/1. 6A电压送到高压板电路N806的12脚,N806振荡电路启动,产生脉冲信号,经内部电路处理后,从8、9脚和10、11脚输出两路PWM脉冲信号,送 到全桥驱动升压电路。
     (三)全桥驱动升压电路
     全桥驱动升压电路由N804, N805和升压变压器T802等组成。N804、N805内含两个开关管,NE.04和N805组成桥式推挽输出电路。
     N806的8脚输出的PWM脉冲经V818、V819放大后,送到N804的驱动双开关管的G1、G2极,10脚输出的PWM脉冲经V807、V808放大后,送到N805的驱动双开关管的G1、G2极。
     在驱动脉冲的激励下,N804、N805内部的开关管交替工作,在升压变压器T802产生感应电压,其二次侧的两个高压绕组产生的750V交流高压,经连接器XP803、XP807送到两只背光灯管,将背光灯管点亮。 
 2、调整与保护电路
     (一)亮度调整
     N806的1脚为误差放大器1的正输入端,外接亮度调整电路,背光灯DIM亮度调整电压通过连接器XP805的3脚送入电源板,经R852送到N806的 1脚,控制输出激励脉冲的占空比,控制背光灯管亮度。N806的5脚外接定时电容,决定芯片的工作频率。5脚不但外接固定电容C830,还设有C831、 V805等组成的频率自动调整电路。
     高压输出连接器XP803、XP807的2脚为CCFL的电流回路。XP803的2脚产生的电压经VD829、VD830整流,XP807的2脚产生的电 压经VD827、VD828整流,两路整流后的检测电压分为两路:一路送到N806的1脚,控制输出激励脉冲的占空比,从而控制背光灯管的亮度;另一路送 到5脚外部的V805的基极,控制N806的5脚外接定时电容C831的介入,对芯片的工作频率进行自动调整,达到自动调整亮度的目的。
     (二)保护电路
     N806的16脚为误差放大器2的正输入端,外接以V820为核心的保护检测电路,对高压输出连接器XP803、XP807的2脚CCFL电流回路电压进行检测。
     XP803的2脚产生的电压经VD825整流产生检测电压,XP807的2脚产生的电压经VD821整流产生检测电压,两路整流后的检测电压送到V820 的基极,经V820放大后对N806的16脚进行控制。当输出电压和背光灯管电流正常时,V820输出电压较低;当连接器XP803、XP807的背光灯 管发生故障、造成电流异常时,V820输出电压升高;当N806的16脚电压高于15脚时,内部停止输出激励脉冲。 
 
  
 四、高压板电路故障维修
    1、背光灯始终不亮
     (一)测量高压板工作条件
     首先测量电源板与主电路板之间的连接器XP805的4脚ON/OFF点灯控制电压和3脚DIM亮度调整电压是否正常。如果不正常,故障在主控板电路;如果正常,故障在高压板电路。
     (二)检测高压电路
     测量背光灯控制电路N806的8、10脚是否有激励脉冲输出,如果无脉冲输出,故障在背光灯控制N806电路,重点检查N806及其外部电路,测量 N806的各脚电压,判断故障所在,外围元器件正常时更换N806;如果有脉冲输出,重点检查激励电路V807、V808、V818、V819和易发生故 障的高压形成电路N804、N805、T802。如果N804、N805损坏,务必用万用表检测晶体管V807、V808、V818、V819是否连带损 坏,避免更换N804、N805后再次损坏。
 
     2、背光灯亮后熄灭
     如果背光灯亮一下然后熄灭,则是高压板保护电路启动。引发保护电路启动的原因有两个:一是灯管开路、高压插座不良或输出高压线没有插好;二是开关变压器T802二次绕组发生短路、接触不良。
     如果测量N806的16脚21N+电压大于3V,检查以V820为核心的保护电路,检查二极管VD814是否短路等;如果N806的4脚DTC CON电压大于3V,则检查电阻R835、R836是否焊接不良。
     例5-2:开机后有伴音,屏幕亮一下即灭。
     分析与检修:开机后指示灯亮,几秒钟后伴音出现,屏幕上刚显示出图像,马上熄灭,判断高压板电路的保护电路动作。
     对高压板电路的供电、控制电压进行检查,均正常。开机的瞬间,用数字表交流电压档,黑表笔接地,红表笔搭接XP803、XP807高压输出连接器的插头外皮,利用电磁感应测 量交流输出电压,测得开机后的几秒钟内有150V左右的交流感应电压输出,当灯管刚亮时,马上消失。将两个连接器的检测电压进行比较,发现XP803的感 应交流电压偏高,此时测量KA75000的16脚电压大于3V,判断是XP803连接器相关的灯管或高压升压电路发生故障。试更换与XP803相连接的灯 管后,故障排除。 
 
								
