一. 总体介绍:
本LED开关电源是采用电源部分与LED驱动部分二合一的方案。由交流100V~240V电压输入,电源部分有3路输出,外加LED驱动电源。 启动时,由100V-240V交流电压输入,首先将待机电源启动,5V输出给CPU供电,由CPU根据整机设定情况发出ON/OFF(PS-ON)开机指令给电源电路,通过反馈回路将主电接通,100V-240V交流电压经整流输出,通过PFC电路将整流后的电压升到380V左右,通过LLC电路,经变压器转换输出12V和LED驱动电源(LED点亮时约200V到210V)。同时,主板将根据情况输出SW信号和BRI信号,电源板接到这两个信号后,LED驱动开始工作,背光点亮。
电源结构框架如下图所示: 
二. 各部分分解说明
1. 待机电源部分
待机电源部分主控电源管理芯片采用的STR-6059H,内置650V的MOS,变压器为T901, STR-6059H为准谐振控制芯片,其启动过程为:交流100V~240V输入电压经整流桥整流后,经变压器T901副边输出端输出电压20V进入N831(STR-6059H)的5脚(Vcc)端,外接47uF的旁路电容,用于储存启动电压,当Vcc电平达到芯片启动电平时,N831开始工作。(以上元器件及其位号请参考原理图) 当待机5V(5V_S)无正常输出时,首先用示波器检测STR-6059H的Vcc供电是否正常,如Vcc供电出现锯齿波,请检测开关电源是否开路。 本待机部分产生待机5V(5V_S)电压,当主板发过来STB为高电平时,5V_S通过光耦N833来打通主电路,即只有待机电压正常工作,其它电路才能工作。
STR-6259H的各个引脚功能如下:

STR-6259H具有过压保护、过流保护、以及过热关断等保护电路。
2. PFC部分
PFC(Power Factor Correction)即功率因数校正,主要用来表征电子产品对电能的利用效率。功率因数越高,说明电能的利用效率越高。该部分的作用为能够是输入电流跟随输入电压的变换。从电路上讲为,整流桥后大的滤波电解的电压将不再随着输入电压的变化而变化,而是一个恒定的值。 PFC部分主控部分采用安森美公司的NCP33262,NCP33262临界模式PFC控制器, 
3.LLC部分
随着开关电源的发展,软开关技术得到了广泛的发展和应用,已研究出了不少高效率的电路拓扑,主要为谐振型的软开关拓扑和PWM型的软开关拓扑。近几年来,随着半导体器件制造技术的发展,开关管的导通电阻,寄生电容和反向恢复时间越来越小了,这为谐振变换器的发展提供了又一次机遇。对于谐振变换器来说,如果设计得当,能实现软开关变换,从而使得开关电源具有较高的效率。 LLC谐振电路,是我们现在所说的LLC谐振半桥电路的一个通俗的叫法,由于谐振时由于有两个L及一个C发生谐振,故称LLC电路,因此并非是三个英文单词首字母的缩写。 

图3和图4分别给出了LLC谐振变换器的电路图和工作波形。图3中包括两个功率MOSFET(S1和S2),其占空比都为0.5;谐振电容Cs,副边匝数相等的中心抽头变压器Tr,Tr的漏感Ls,激磁电感Lm,Lm在某个时间段也是一个谐振电感,因此,在LLC谐振变换器中的谐振元件主要由以上3个谐振元件构成,即谐振电容Cs,电感Ls和激磁电感Lm;半桥全波整流二极管D1和D2,输出电容Cf。
LLC变换器的稳态工作原理如下。
1、〔t1,t2〕当t=t1时,S2关断,谐振电流给S1的寄生电容放电,一直到S1上的电压为零,然后S1的体二级管导通。此阶段D1导通,Lm上的电压被输出电压钳位,因此,只有Ls和Cs参与谐振。
2、〔t2,t3〕当t=t2时,S1在零电压的条件下导通,变压器原边承受正向电压;D1继续导通,S2及D2截止。此时Cs和Ls参与谐振,而Lm不参与谐振。
3、〔t3,t4〕当t=t3时,S1仍然导通,而D1与D2处于关断状态,Tr副边与电路脱开,此时Lm,Ls和Cs一起参与谐振。实际电路中因此,在这个阶段可以认为激磁电流和谐振电流都保持不变。
4、〔t4,t5〕当t=t4时,S1关断,谐振电流给S2的寄生电容放电,一直到S2上的电压为零,然后S2的体二级管导通。此阶段D2导通,Lm上的电压被输出电压钳位,因此,只有Ls和Cs参与谐振。
5、〔t5,t6〕当t=t5时,S2在零电压的条件下导通,Tr原边承受反向电压;D2继续导通,而S1和D1截止。此时仅Cs和Ls参与谐振,Lm上的电压被输出电压箝位,而不参与谐振。
6、〔t6,t7〕当t=t6时,S2仍然导通,而D1和D2处于关断状态,Tr副边与电路脱开,此时Lm,Ls和Cs一起参与谐振。实际电路中因此,在这个阶段可以认为激磁电流和谐振电流都保持不变。 LLC谐振变换器是通过调节开关频率来调节输出电压的,也就是在不同的输入电压下它的占空比保持不变,与不对称半桥相比,它的掉电维持时间特性比较好,可以广泛地应用在对掉电维持时间要求比较高的场合。
4. LED驱动部分 本电源LED驱动部分采用降压恒流元,共六路LED驱动输出。
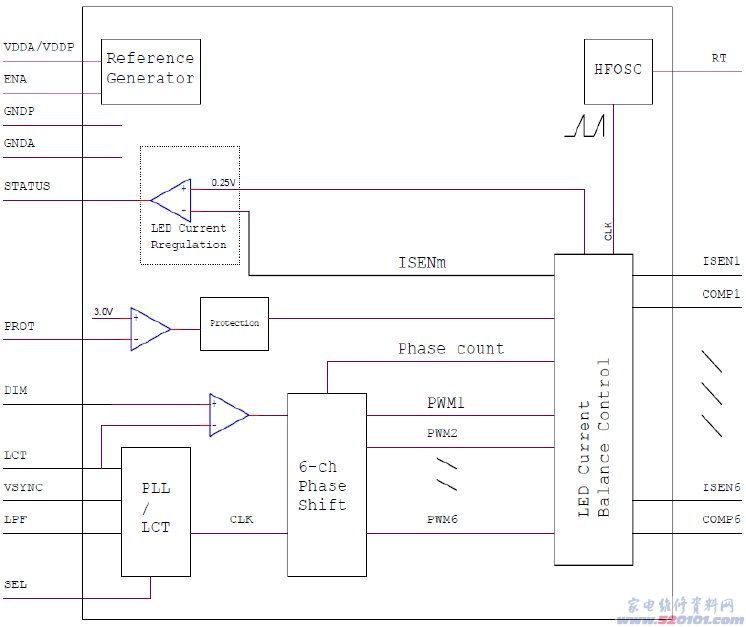
1)驱动芯片OZ9986内部框图以及介绍如下: 
各管脚功能介绍如下表:

2) 驱动部分恒流控制的原理
上图左为一路LED驱动电路图,右图为电感L902在MOSFET 3N40导通及关断时波形。
1. 当MOSFET 3N40导通时,在电感L902中感应出上“+”下“-”的感应电动势,续流二极管VD901关闭。LED的供电电压通过LED灯串后,通过电感L902,经MOSFET 3N40后经电阻接地,形成回路。导通过程中,电感中电流线性上升(见右上图)。
2. 当MOSFET 3N40关闭时,由于电感电流不能突变,在电感L902中感应出上“-”下 “+”的感应电动势,续流二极管VD901导通。电流经电感L902,续流二极管VD901,LED灯串形成回路。在此过程中,电感中电流线性下降(右图中)。
3. 当LED灯串中的电流达到250mV时,驱动脉冲关掉,MOS截止。电路进入续流状态。由于芯片通过固定的频率在工作。在下一个工作周期时,高脉冲重新将MOS打开,从而进入下一个工作周期。
4. LED灯串电流的计算公式为: ILED (mA) = 250/RISEN(Ω) (其中RISEN为R927与R928并联)
5、OZ9986A正常工作时,需要ENA、BRI处于高电平状态。
6、由于26寸只用到4路驱动,所以芯片的第5路、第6路电平置高。
7、对于26寸机器,LED供电电平为145V左右。灯条两端的电压为120V左右。
8、由于0Z9986的驱动脉冲为5V的驱动,而电路中MOS的驱动电平需要10V左右,所有在电路中需要一个电平变换电路,如下图所示。
图为12V驱动电路图,为LED驱动电路提供驱动脉冲
工作原理为:
1. CM1接OZ9986芯片的COMP1引脚,输出驱动脉冲。
2. CMP1引脚输出低电平时, V901 2N7002导通,将V902 2222的基极电位拉低使其截止,此时V903 2907导通,输出低电平脉冲。
3. CMP1引脚输出高电平时,V901 2N7002截止,将V902 2222的基极电位拉高并使其导通,此时V903 2907截止,输出高电平脉冲。
此驱动部分的控制原理仅为原理介绍,其元件位号可能与原理图不符,但原理图中的驱动方式与此是一一对应的,在此仅以一路作为原理介绍,实际原理图中应用为六路。
完结...
海信LED电视(1947板)电源板维修技术指南(图)
2017-05-16 19:27:41
阅读 596 次
评论 0 条
版权声明:本文为转载文章,版权归原作者所有,欢迎分享本文,转载请保留出处!