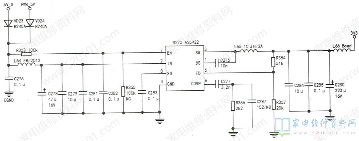
接修一台海信TLM37V68液晶彩电,有时不能开机,有时能开机,且图像、声音均正常。根据故障现象分析,判断电源板或主板上某稳压电路性能不良。首先检测电源板,输出电压正常且稳定,然后测量主板(型号:RSAG7.820.2236/ROH VER.B)上的低压差三端稳压器的输入、输出电压,发现3.3V电压不稳定:能开机时约3.07v,不能开机时约2.95V,看来问题就出在3.3V电压上。该机3.3V电压(3V3) 由5V-S (待机状态)或PWR-5V (开机状态)电压经DC-DC电路变换得到,如图1所示。
AS5422(N220)是一款高效率同步降压型稳压器,集成有MOSFET开关管和同步控制器,输入电压为4.5V~23V,输出电压为0.923V~18V,最大输出电流为2A。检查输入、输出滤波电容C278、C280未发现异常,代换这两只电容后故障依旧。N220⑤脚外接的R354、R357为反馈分压电阻,输出电压由这两只电阻的阻值比例决定,具体关系是Vour=0.923 x ( R354+R357)/R357(单位:V)。
测量R354、R357阻值正常,其对应的线路也无漏电现象。至此,怀疑N220性能不良。由于手头无此型号芯片,对照DC-DC芯片资料,发现MP1482的引脚功能、输出电流、反馈电压等参数与AS5422相同,于是直接换上MP1482试机,故障排除。
版权声明:本文为转载文章,版权归原作者所有,欢迎分享本文,转载请保留出处!
