康佳34005553电源板的集成电路采用FSQ0265 + NCP1653A + L6599D组合方案。该电源电路共输出三路工作电压: 5VSB 为控制系统提供待机电压,+12V 和+24V为主电路板和背光灯逆变器板供电。34005553电源板应用于康佳LC42CT36AC、LC42DS30D、 LC42DS30CV、LC42DS60C、LC42DS66、LC42DT08AC、 LC47CT36DC、 LC47DS30C、LC47DS6ODC、 LC47DT08AC、 LC47DT68DC 等液晶彩电中。康佳34005553电源板实物图解如图1所示;电路组成框图如图2所示。
该电源板由三部分组成:一是以NCP1653A为核心组成的PF;电路,输出PFC- 400V电压;二是以16599D为核心组成的主开关电源,为主板负载电路提供+24V、+12V 电压;三是以FSQ0265为核心组成的副电源电路,不仅为主板控制系统提供+5VSB电压,还为NCP1653A和L6599D提供VCC工作电压。待机采用控制PFC电路NCP1653A和主开关电源L6599D驱动电路VCC供电的方式。
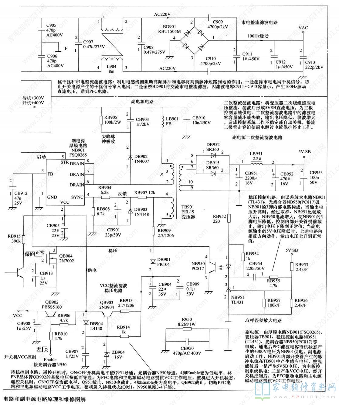
接通电源后,交流220V输入电压经熔断器F901、抗干扰电路滤除干扰脉冲后,通过BD901、c911 ~C913整流滤波,产生约300V的VAC脉动直流电压;再经PFC电路产生PFC电压,该电压待机状态为300V,开机状态升高为400V左右,为副电源和主电源供电。
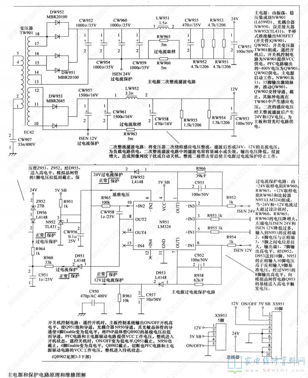
通电后副电源首先工作,为主板控制系统提供5VSB电压,控制系统工作后为电源板送人ON/OFF开机高电平控制电压,副电源提供的VCC电压经待机控制电路为NCP1653A 和L6599D提供工作电压,PFC电路和主电源电路启动工作,市电整流滤波后为电源板提供约300V经PFC电路校正后,提升到约400V,为主副电源供电。主电源工作后,为主电路板和背光灯逆变器板提供+ 12V和+24V电源,整机进人开机收看状态。
康佳34005553电源板设有完善的保护电路:
一是在副电源设有市电欠电压保护电路,由300V分压电路RB916~RB919,检测控制电路QB905、QB904组成,对NB901的3脚FB稳压电路进行控制。当市电电压过低时,,上述整流分压电路输出的电压过低,QB905 截止,后级QB904饱和导通,将NB901的3脚FB电压对地短路,NB901 停止振荡,关闭输出。
二是在主电源一次侧设有欠电压、过电压保护电路,16599D 的7脚为供电输人检测端,用来检测PFC电路输出的PFC供电电压。PFC电压经RW917、RW905 ~ RW908分压,送到L6599D的7脚。当7脚电压低于1.25V时,L6599D关断15、11脚的激励脉冲。在正常的情况下,该脚的电压设定在1.25~6V之间。16599D的6脚为末级输出电压检测信号输人端,用来检测主开关电源末级推挽输出电路的输出情况,TW901的1、2脚CW907上部脉冲电压经RW904、cW908后,再经DW901整流、CW902 滤波送到L6599D 的6脚,当该脚电压超过保护设定值时,内部保护电路启动,L6599D 关断15、11脚的激励脉冲。
三是在主电源二次侧设有以Q952、Q953组成的模拟晶闸管保护电路,通过控制待机电路的光耦合器N950和晶体管QB902,对16599D的12脚和PFC电路NCP1653A的8脚vCC电压进行控制。0953 的基极外接两种保护检测电路:由ZD951、D955 和ZD952、D956 组成的+12V、+24V 过电压保护检测电路;由运算放大器N951(LM324)组成的+12V、+24V过电流保护检测电路。正常时0953的基极为低电平0V,当过电流、过电压保护检测电路检测到故障时,向Q953的基极送人高电平触发电压,模拟晶闸管电路被触发导通,将待机控制电路N950的1脚电压拉低,与待机控制相同,N950 的发光二极管不能发光,光敏晶体管不导通,进而控制QB902截止,切断了vCC的供电电压,PFC 电路和主开关电源停止工作,整机进人待机保护状态。
因为模拟晶闸管电路一旦触发导通, 就具有自锁功能,所以要想解除保护再次开机,必须切断电视机电源,待副电源的5VSB电压泄放后,方能再次开机。该电源板的集成电路引脚功能和对地电压见表1 ~表4。
康佳34005553电源板发生故障后,主要引起不开机、开机三无、开机黑屏幕故障可通过观察待机指示灯是否点是否点亮,测量关键点点电压,解除保合地的卡计进行组做方法进行维修。对于电源板的维修, 为了避免负载电路对电源板的影响,可拔掉电源板与负载电路的连接器,将5V电压与ON/OFF控制端相连接,提供开机高电平,对电源板单独进行维修。
1.待机指示灯不亮
指示灯由电源供电供电,指示灯不亮主要故障在副电源电路中。首先测量PFC电路输出滤波电容CF901两端是否有待机300v电压,无电压,故障在市电输人抗干扰电路和市电整流滤波电路。先检查熔丝F901具不做是否熔断。如果熔丝 F901已经熔断,说明开关电源存在严重短路故障,主要对以下电路进行检测,-是检查交流抗干扰电路C901 ~C907和整流滤波BD901、 C911 ~C913是否击穿漏电;二是检查PFC电路开关管QF901、QF02是不击穿,而是检查主由源开关管ow901。ow902 是否未穿,四是检查副申源集成块NB9O1是否击穿,如果击穿,继续查TB01的13绕组并接的尖峰吸收电路元器件DBSCRO03、RB90S.RB90S。如果熔丝 F901未断,但指示灯不亮,主要是副开关电源电路末工作引起。
主要对以下电路进行检测: 先测量副电源有无5VSB电压输出,如果有电压输出,查电源板与控制板之间的连接器和主板5V负载控制系统:如果无电压输出,测量副电源NB901。如果NB901正常,则可能是副电源的输出端的负载电路发生严重短路故障,造成副电源无电压输出。
2.待机指示灯亮
指示灯亮,说明副电源正常。可按遥控器上的"POWER" 键,测连接器有无ON/OFF开机高电平,无开机高电平,香主板上的微处理器控制系统的+5V供电电压、复位信号、时钟振荡信号三个工作条件:有开机高电平。测主电源开关变压器Tw901的二次侧有无24V、+ 12v直流电压输出,压输出,如果是测量主电源王电源始终无电压输出,说明主电源未工作,测量L6599D的12脚有无VCC供电,有VCC供电,则测L6599D的11、15脚有无PWM驱动脉冲,有PWM驱动脉冲,查L6599D 的11、15脚外接开关管QW902、ow9o1。L6599D的12脚无vcc供电,检查开关机控制电路0951、N950、 OB902,查副电源提供的vccs1、电压产生电路RB909、DB901、cB904、 QB903 、ZB904 等。
3. 自动关机
当开关电源发生过电压、过电流故障时,多会引起保护电路启动,进人保护状态,开关电源停止工作,看不到真实的故障现象,给维修造成困难。如果开机的瞬间,开关电源启动。并在开关电源变压器的二次侧有电压输出,几秒钟后开关电源停止工作,输出电压隆到00V,多为保呆护电路启动所致。维修时,可采取测量关键点电压,判断是否保护和解除保护,观察故障现象的方法进行维修。在开机的瞬间, 测量保护电路的模拟晶闸管0953的基极电压,该电压正常时为低电平0V。如果开机时或发生故隨时。Q953的基极电压变为高电平0.7v以上。则是以模拟晶闸管为核心的保护由路启动。由于Q953的基极电压外接过电、过吴护检测电路为了确定是哪路检定具邮路检测电教引起的保护。引起的保护,可在自动关机前的瞬间通过测量D951、D955、D956的正极电压确定。如果D956的正极电压为高电平,则是+24V过电压保护电路启动;如果D955的正极电压为高电平,则是+ 12V过电压保护电路启动;如果D951的正极电压为高电平,则是+24V、+ 12v过电流保护电路启动,应检查+24V或+12v负载电路是否发生短路漏电故障,可拔掉连接器,将其开关机ON/OFF控制端接+5VSB,模拟开机高电平,再接假负载对开关电源电路进行检修,判断故障是在负载还是在开关电源。
确定保护之后, 可采解除保护的方法,开机测量开关电源输出电压和负载电流,观察故障现象,确定故障部位。为了防止开关电源输出电压过高,引起负载电路损坏,建议先接假负载测量开关电输出电压,在输出电压正常时,冉连接负载电路。全部解除保护: 将0953的基极对地短路,解除保护,开机观察故障现象。
全部解除保护:可断开过电流保护检测电路的D951后开机测试,如果开机不再保护,则是过电流保护电路引起的保护,否则是过电压保护电路引起的保护。注意:断开二极管后电压保护电路引起的保护。注意:断开二极管后不可长时间通电,以免损坏元器康佳34005553电源板PFC电路和副电源电路原理和维修图解如图3所示;主电源和保护电路原理和维修图解如图4所示。


