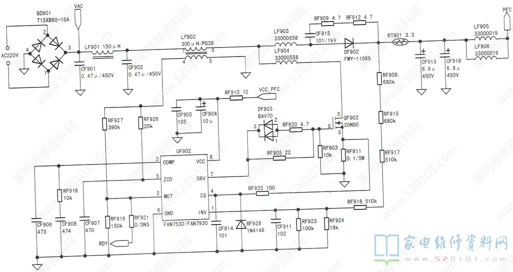
接修一台康佳LED46X8000型液晶电视,开机正常,但两三分钟后图像闪烁,随后黑屏。测逻辑板12V供电波动,电源板输出的12V电压也波动,看来问题出在电源板上。观察电源板12V滤波电容没有鼓包现象。在故障时,测量PFC电压只有310V,显然PFC电路没有工作。根据经验,该机PFC电压取样电阻RF908、RF915、RF917、RF918易因粘胶而漏电,相关电路如图所示。拆下这几只贴片电阻,将线路板上红胶去除,重新焊回后试机,PFC电压稳定在380V,12V电压稳定,故障排除。
版权声明:本文为转载文章,版权归原作者所有,欢迎分享本文,转载请保留出处!
