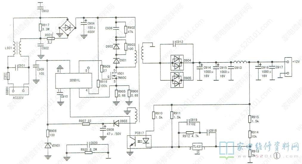
接修一台康佳LC-TM2011S型液晶电视,上电后无任何反应。拆机检查,电源板无12V电压输出。该机电源由芯片3DS01L和功率管7N60C组成,实测电路如图1所示。观察线路板,R907已烧黑测D903已击穿,3DS01L的⑦脚(供电端)对地在路电阻只有470Ω。断开⑦脚外围的c909及R908再测,对地电阻仍是470Ω。将芯片⑦脚与线路铜箔分离后,再测芯片⑦脚对地电阻正常,原来470Ω是烧黑的R907的阻值,估计芯片未烧坏。D903用RI207型二极管代换,R907用22Ω电阻代换后通电试机,电源板输出12V(正常)。连上主板试机,故障排除。
版权声明:本文为转载文章,版权归原作者所有,欢迎分享本文,转载请保留出处!
