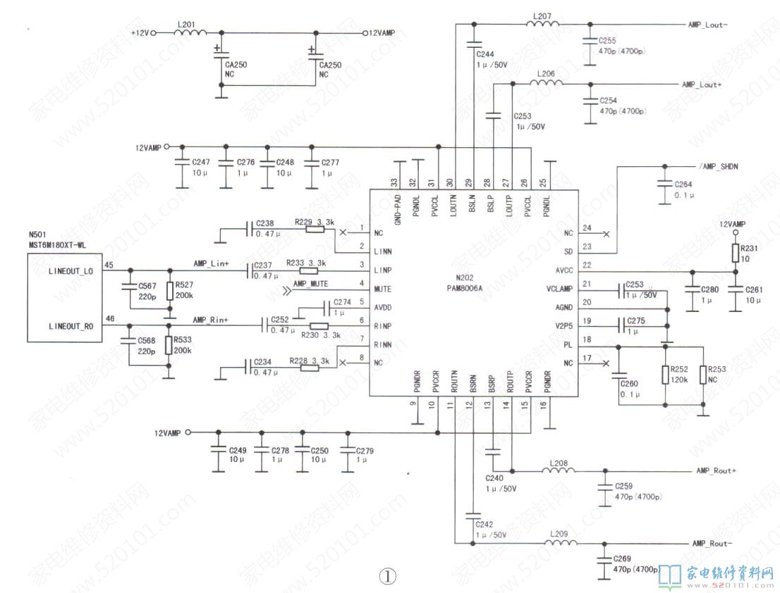
一台康佳LED32F1100CF型液晶彩电,图像正常,无伴音。该机采用康佳35017517主板,该主板为四合一驱动板,整合了开关电源LED背光驱动电路、机芯电路以及逻辑电路。主芯片采用MST6M180XT-WL,伴音功放块采用集成块PAM8006A,线路输出放大电路采用双运放TDA1308 ,线路输出接口采用耳机插座。
为了确定故障范围,输入TV、AV等信号源试机,均无伴音。试从耳机插座插入耳机试听,声音正常。判断故障部位在功放电路、静音控制电路或扬声器。首先检查扬声器是正常的。接下来采用干扰法检查以缩小故障范围,干扰功放块PAM8006A的左、右声道音频输入端③、⑥脚,扬声器无干扰响声,说明故障在功放块或静音控制电路。伴音功放电路如图1所示。
PAM8006A是PAM(龙鼎微)公司推出的一款高效率D类音频功率放大器,该IC特性是:驱动8Ω的扬声器,功率可达15W x 2;效率高达90%;低噪音,-90dB;非线性失真小;低静态工作电流;宽工作电压,为8V~18V;具有过流过压、欠压保护,以及过热和短路保护功能;非线性功率限制;具有关断/静音功能。
该芯片现已广泛用于液晶彩电、多媒体音响系统。PAM8006A 引脚功能见表1。
  
 
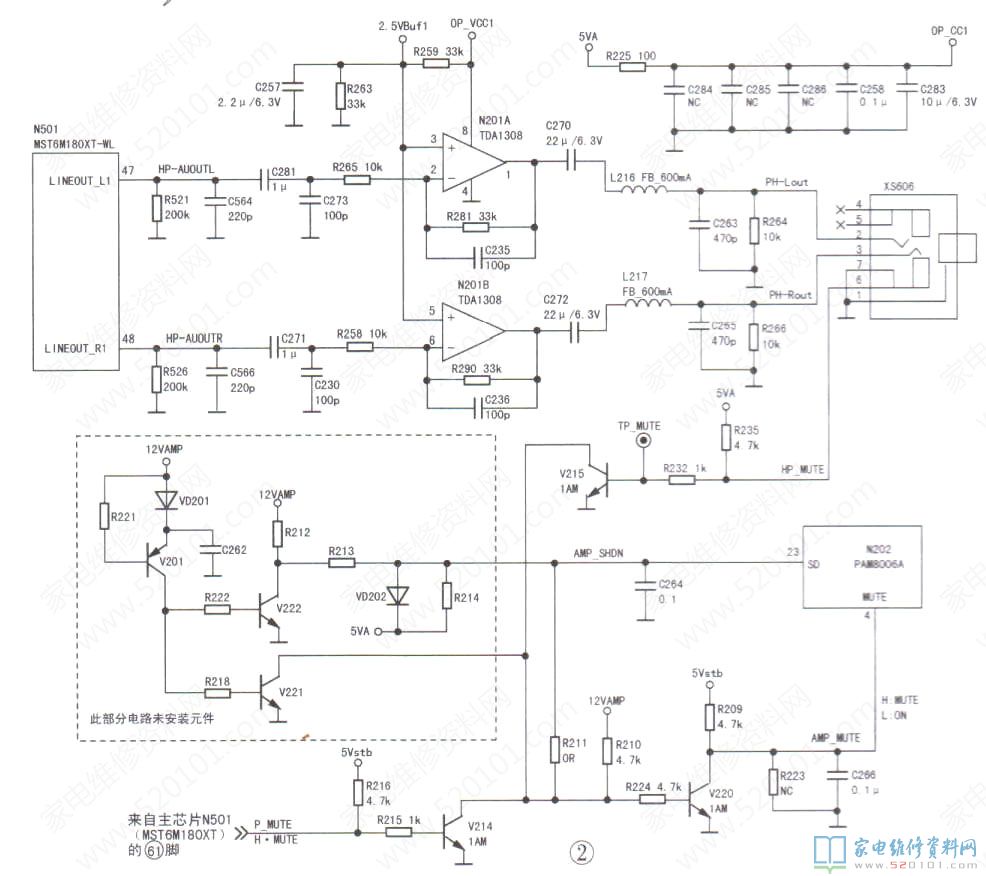
主芯片N501 ( MST6M180XT-WL )47、48脚输出的左、右声道音频信号分别送到PAM8006的③、⑥脚,经内部前置放大及功率放大后,分别从11、14脚和27、30脚输出,经低通滤波后推动扬声器发声。PAM8006A④脚( MUTE )是静音控制脚,正常放音时为低电平(0V),静音时为高电平(约4.8V )。PAM8006A 23脚(SD )是功放关断控制脚,该脚为高电平时,功放IC工作,为低电平时,关闭放大器。其④脚接有静音控制电路,如图2所示。
静音控制信号来自三路:一是来自主芯片N5016①脚输出的静音控制信号P_MUTE,此路控制信号的产生是在用户执行自动搜索节目、切换频道或按“静音”键时,也可能是电视机处于无信号输入的情况下,主芯片N501⑦脚都会输出高电平(约3.1V)的P_MUTE静音控制信号,通过R215加到V214的b极,使V214饱和导通,一方面将功放块N2022脚拉到低电平(0V),另一方面使V220截止,V220的c极由低电平跳变为高电平(约4.8V),N202④脚也变为高电平,功放电路N202因SD脚为低电平而被关闭,同时还因MUTE脚为高电平而静音。
正常放音时,主芯片@脚输出低电平(0V),v214截止,其c极为高电平,最终使N202②脚为高电平(约6.5V),④脚为低电平(0V)。二是来自耳机输出插座输出的HP_ MUTE,此路控制信号的产生是在外接耳机时,耳机插头将耳机插孔xS606⑥脚和⑦脚内部的弹片断开,5VA电压通过R235、R232接入V215的b极,使V215饱和导通,之后电路工作过程与V214饱和导通时相同,这样也使静音启动。不插耳机时,XS606⑥脚和⑦脚内部的弹片接通,5VA电压通过R235到地,V215的b极电压为0V,V215截止,其c极为高电平。
三是来自开关机静音电路,该电路由V201、V221、V222等组成,但这部分电路在实际电路中没有安装元件。
测量PAM8006A的供电脚(10、15、22、26、31脚)电压为正常值12.4V,④脚静音控制脚电压为0V也正常,左、右声道输出端(11、14、27、30脚)电压均接近0V,正常时应为供电电压的一半左右 ,怀疑功放块内部的功放管损坏。关机后测量这四个输出端对地电阻,都是正向电阻为28k,反向电阻为8k,基本正常,功放管好像没坏。
接下来普测PAM8006A各脚电压,并与正常电压对比,发现多数引脚的电压都异常,见表2。
  
 
注意到PAM8006A 2脚( SD)电压为0V,显然不正常,已为关断电压,估计这是故障的根源。测量②脚对地无短路现象,于是查外接的静音控制电路。由于PAM8006A④,脚(MUTE)电压是正常的,判断故障应在V214的c极与2脚之间。采用通路法检查,V214的c极与多脚间不通。检查R211(02 )正常,判断是印制线断或过孔不通。从R211飞线到四脚外接电容C264,通电试机,故障排除。
小结:D类音频功率放大集成电路,输入SD脚的控制电压,不仅控制内部放大器的工作状态,同时也控制功率放大块内部的稳压器及基准电压形成电路的工作情况。当SD脚电压为“关断”电压时,会导致内部的稳压器及基准电压形成电路无电压输出,即⑤脚(AVDD)5V模拟电源、四脚(V2P5)2.5V参考电压均为0V;IC内部的放大器因无正常的偏置电压,放大器不能正常工作,不能对音频信号进行正常的放大,表现为音频输入脚、输出脚、自举脚等的电压异常(很低),并且无声音。
因此,维修无声音故障时,若测得音频功放块多脚电压不正常,不要轻易判断集成块损坏,应注意检查SD脚电压是否已为“关断”电压,以免维修时走弯路。另外,若仅是MUTE脚电压异常而导致的无声音故障(SD 脚仍为高电平),特征是PAM8006A⑤脚(AVDD)、⑨脚(V2P5)均会有正常电压输出,音频输入脚电压也正常,而音频输出脚电压近为0V,自举脚电压很低,只有4.8V左右。
 
								
