长虹50U2液晶电视的主要集成块有:主芯片RT2995 ,硅调谐器TDA18275HN/N1 ,DDR存储器NT5CB128M16FP -DI(U9~U12),用户存储器24C32( U226 ),EMMC存储器THGBM5G5A1JBA( UM1 ),伴音功放AD52580。复位电路由Q3.Q4组成。该机采用4K屏,分辨率为3840X2160,采用v-by-on接口。该机软硬件信息查询方法:用遥控器进入“应用”,选择“设置”,再选择“我的电视”即可,如图1所示。
故障现象1:二次不开机。分析检修:先测量电源板插座CN1的②脚开/待机控制电压,正常时应为3.3V。如果此电压不正常,检查上拉电阻R111和耦合电阻R114,如图2所示。也可将CN1的②脚与①脚短接后上电,如果开关电源输出的5V、12V电压正常,表明故障在主板;否则,故障在电源板。
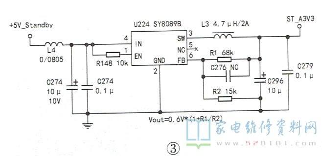
若确认故障在主板,则先检查DC-DC转换块u224输出的sT-A3V3电压是否正常,如图3所示。
再检查U223输出的1.0v电压,U222输出的1.5V电压是否正常,接着检查U238.U239输出的VTT电压是否正常,如图4所示。

U238、U239的外围电路相同。下面以U238为例,如图5所示,只有5V和1.5V电压输往U238,IC启动工作,才会从⑧脚输出0.75V的VTT电压。VTT电压与DC 1V5电压均输往主芯片及DDR电路。若这两路电压不正常,均会导致不开机。

最后测量Q5输出的3.3V及U231输出的1.2V (内核供电)是否正常。若电压均正常,则检查主芯片与四块DDR3间的排阻RDP1、RDP2(均为22Ω)。
故障现象2:无伴音。分析检修:先测AD52580的①、②脚(静音端)电压,正常时这两脚应为高电平;再测量功放的⑤、⑥脚电压,这两脚电压值决定功放增益,如图6所示;最后测量功放的7、15、16、27、28脚的12V供电是否正常。

故障现象3:黑屏(背光不亮)。分析检修:先测插座CN2的③脚是否为高电平,如为0V,则检查由Q1、Q2组成的VRMT0背光启动控制电路,如图7所示;如果是高电平,则测CN2的④脚是否为高电平,如果不是则检查以Q6为中心的背光亮度电平转换电路。
故障现象4:灰屏(背光亮)。分析检修:先测逻辑板供电开关管Q20(NDS9435A)的⑤~⑧脚是否有12V电压,如果电压异常,则检查Q20、电容EC9、C494、开关控制管Q21等元件。接下来检查上屏插座与主芯片之间的排阻RP90~RP97或隔直电容C500~C515等元件。