接修一台长虹LED42B2080N型液晶彩电(ZLS53G-IP机芯),故障表现为不开机,指示灯也不亮。测试主板上的关键点电压(见图1),发现U15输入端电压为4.4V,而输出端电压只有1.2V(正常应为1.5V)。

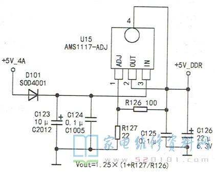
由于此电压供DDR电路,所以当该电压不正常时,会导致系统检测DDR端口不成功,从而出现不开机故障。检查U15外围电路(如图2所示)未发现异常,怀疑U15性能不良,换新后故障排除。

版权声明:本文为转载文章,版权归原作者所有,欢迎分享本文,转载请保留出处!