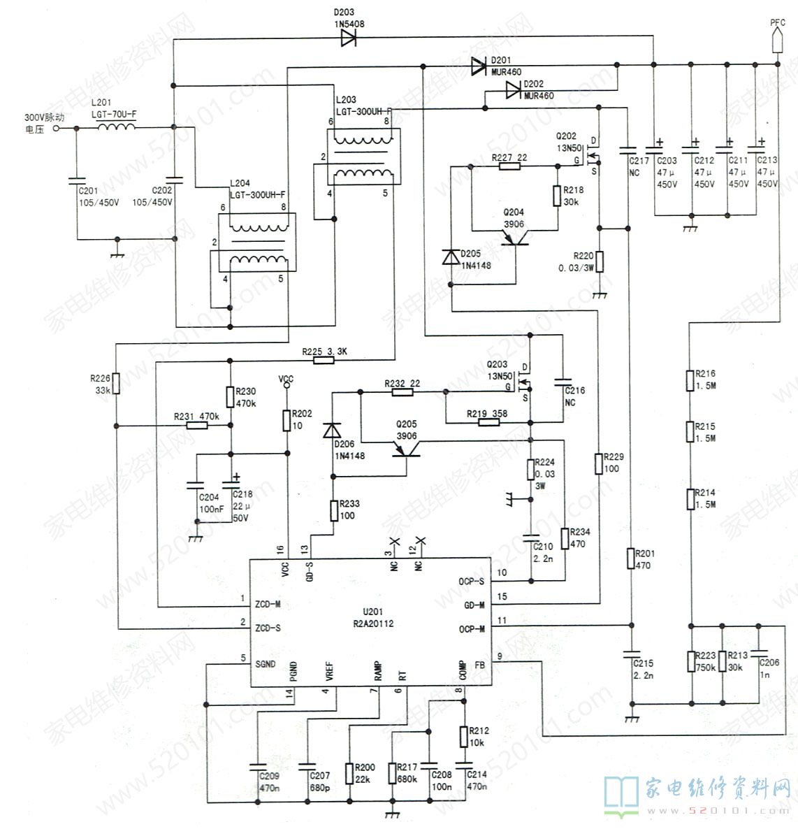
长虹UD55B6000iD液晶电视机内有异响的故障维修 2022-07-12 18:05:25 阅读 892 次 评论 0 条 摘要: 接修一台UD55B6000ID型机,图声正常,但机内有异响。拆机检查,异响来自电源板PFC储能电感处。观察L204处印制板已变色。上电测量PFC电压为390V,电源板输出的5V及24V电压均正常。检查L20 接修一台UD55B6000ID型机,图声正常,但机内有异响。拆机检查,异响来自电源板PFC储能电感处。观察L204处印制板已变色。上电测量PFC电压为390V,电源板输出的5V及24V电压均正常。检查L203、L204外围元件(参见图1),发现电阻R226、R225均已变色,更换这两只电阻后故障排除。 版权声明:本文为转载文章,版权归原作者所有,欢迎分享本文,转载请保留出处! 点赞 分享: PREVIOUS:长虹UD55B6000iD液晶电视二次不开机的维修 NEXT:长虹UD55B6000iD液晶电视不定时自动停机的维修 文章导航