晶辰JCS30D- 1M5 430二合一电源板用在长虹LED32B2000C、3D32B2000iC等机型中,该板取消了PFC电路和专用副电源,开关电源采用LD7538(丝印号为“38"),输出12.3V/3A和36V电压,为主板和背光灯驱动电路供电;LED背光驱动电路采用BIT3260,将36V电压升至约76V(实测值,板上标为132V/600mA),为背光灯串供电,并对灯串电流进行控制和调整。
一、电路分析
1.市电输入与整流滤波电路
市电经保险管F1、热敏电阻TH1进入两级进线抗干扰电路。压敏电阻VR1起过压保护作用,当输入电压超过VR1的标准值时,保险管F1迅速熔断,避免损坏后级其他元器件。热敏电阻TH1构成防浪涌冲击电路。开机时,TH1的阻值较大,限制了滤波电容的充电电流。当电流流过TH1时,TH1发热,阻值变小,相当于短路,从而不再额外消耗能源。LF1、LF2、CX1、CX2、CY3、CY4等构成EMC电路,滤除电源进线和电源自身产生的干扰脉冲。
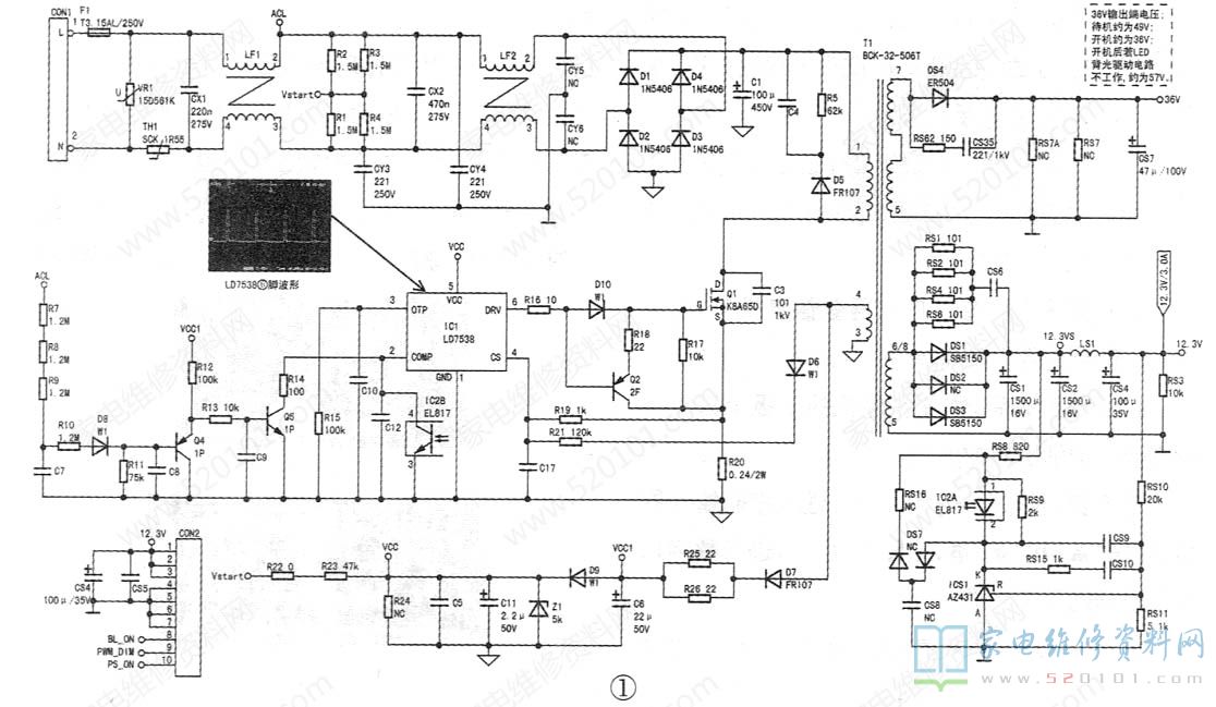
2.开关电源
该机的开关电源由电源控制芯片IC1(LD7538)、开关管Q1、开关变压器T1为核心构成,见图1。
(1)LD7538简介
LD7538是一款低启动电流的电流模式控制器,防静电能力强,具有极低的启动电流(小于20uA),采用绿色模式控制,内置斜坡补偿及过压、过载保护和欠压锁定电路,具有300mA的输出驱动能力。
LD7538 采用SOT-26型小尺寸封装,其引脚功能和正常电压见表1。
(2)启动电路
接通电源后,+300V电压经T1的①-②绕组为开关管Q1的D极供电。同时,AC220V交流电压经R1~R4分压后,,形成一个正比于交流电压的Vstart电压,经R22、R23降压,为IC1的⑤脚提供启动电压,开关电源启动工作,IC1从⑥脚输出激励脉冲,推动Q1工作于开关状态,其脉冲电流在T1中产生感应电压。T1④-③绕组产生的感应电压经D7整流R25//R26限流C6滤波,再经D9产生vcC电压,替换启动电路,为IC1的⑤脚提供工作电压。T1⑥脚输出的感应电压经DS1、DS3整流,CS1、CS2、LS1.CS4滤波,产生12.3V电压为主板供电,同时还为LED背光驱动控制集成电路ICS3供电。T1⑦脚输出的感应电压经DS4整流、CS7滤波,产生36V电压为背光驱动升压电路供电。
(3)稳压电路
T1⑥-⑤绕组产生的感应电压经DS1、DS3整流,CS1、CS2滤波,形成12.3VS电压,经RS8加到光电耦合器IC2的①脚;同时,12.3VS电压经LS1、CS4滤波,形成12.3V电压,经RS10、RS11分压后,加到三端误差稳压器ICS1的控制极(R)。当12.3V 电压升高时,加到ICS1控制极的电压也随之升高,ICS1阴极(K )的输入电流增大,流过IC2内部发光二极管的电流增大,IC2内部光敏三极管的等效电阻降低,IC1②脚流出的电流增大,经内部处理后,Q1导通时间减少,T1储能时间减少,12.3V电压降低。当12.3V 电压降低时,稳压过程与上述相反。
(4)保护电路
1)市电欠压保护电路。Q4.Q5及外围元器件组成交流电压检测电路。交流电压经R7~R9与C7构成的阻容分压电路分压,C7上分得的电压经D8、C8整流滤波后送至Q4基极。当交流电压正常时,整流滤波得到的直流电压较高,Q4导通,vCC1电压经R12.Q4到地,Q5截止,不对IC1的②脚电流进行分流,对稳压电路无影响。当交流电压降低到不足以使Q4导通时,vcc1电压经R12、R13使Q5饱和导通,IC1的②脚电流经R14.Q5到地,IC1进入保护状态,电源无电压输出。
2)过流保护电路。300V直流电压经T1①-②绕组.Q1及电流取样电阻R20(0.24Ω/2W )到地,在R20上形成开关管电流取样电压,此电压经电阻R19、电容C17积分后送入IC1的④脚,经IC1内部处理后调节⑥脚输出脉冲的占空比。R19、C17组成积分电路,用于避免瞬间电流过大而误呆护。
3)过压保护电路。当输出电压过高或负载过重时,由于T1的④-③绕组的负载无变化,所以④-③绕组感应的脉冲信号升高,该信号经D6、R21加到IC1的④脚(电流检测信号输入端),IC1内部比较器判断电路处于过流状态,关闭IC1⑥脚脉冲信号输出,电源无电压输出。
3.LED背光驱动电路
LED背光驱动电路主要由三大部分组成:一是以集成电路ICS3( BIT3260 )为核心构成的背光驱动控制电路,见图2;二是由MOSFET开关管QS5、升压电感LS4、升压二极管DS12、升压输出滤波电容CS28组成的Boost升压电路;三是由QS7.QS8.QS6组成的恒流控制电路。
(1)BIT3260简介
BIT3260是BITEK公司最近推出的一款LED背光驱动IC,采用电压模式PWM控制,电流限制,频率可调,内部平稳启动,图腾柱输出,并具有过温、欠压保护功能。BIT3260工作电压为10V~18V,工作频率100kHz~400kHz,采用sOP-8脚封装,其引脚功能见表2。
(2)LED背光开关控制电路
该电路主要由QS11.QS2.QS1及外围元器件组成。二次开机后,PS_ON、BL _ON信号均变成高电平,QS11截止,QS2.QS1导通,12.3V电压经QS1加到ICS3的①脚。同时,该电压经RS25和RS26分压后,加到ICS3的②脚(使能控制端),ICS3进入工作状态。
(3)升压电路
ICS3的⑧脚输出PWM开关脉冲,控制QS5进入开关状态。当QS5饱和导通时,36V电压经IS4.QS5的D-S极、S极电阻RS33 //RS34 lRS46//RS49到地,在储能电感LS4中产生左+右-的感应电压,IS4储能。此时,升压二极管DS12因正极电压小于负极电压而截止,LED背光灯由升压滤波电容CS28两端电压供电;当QS5 截止时,IS4中产生的感应电压为左-右+ ,该感应电压与输入电压( +36V)叠加,经DS12向CS28充电,形成电压LED+,为LED灯串供电。
(4)恒流控制电路
开机后主板输出的调光控制信号(DIM )送到QS7使其导通,QS8截止,VDD (+12V)电压经RS53.RS40打开QS6。LED- 流经QS6,通过RS42~RS45和二极管DS9到地形成回路,灯串亮。RS42~RS45两端的压降经RS27反馈到ICS3的④脚,ICS3根据LED电流反馈电压的高低,与内部的基准电压进行比较,来调整⑧脚输出脉冲的占空比,在一定范围内调整LED背光灯串供电电压的高低,达到恒流控制的目的。调整RS42~RS45的阻值可调整灯串电流的大小。
(5)保护电路
1)升压开关管过流保护电路。当负载短路时,流过QS5的电流增大,流过检测电阻RS33//RS34//RS46//RS49的电流增大,检测电阻上的压降增大,即ICs3⑤脚电压升高,当该电压高于阈值时,驱动电路关闭,无输出脉冲。
2)灯串开路、短路保护。BIT3260通过监测④脚(误差放大器倒相输入端电压的高低来判断灯串是否开路或短路。如果灯串开路,LED+将大幅增加,RS38上的压降升高,ZS4反向击穿,BIT3260④脚电压升高,当该脚电压高于0.5V时,IC停止工作。当灯串短路时,流过灯串的电流增大,恒流电阻(RS42~RS45)上产生的压降升高,通过RS27送到BIT3260④脚,当该脚电压高于0.5V时,IC 停止工作。
二、故障维修
1.检修要点
因LED驱动电源采用电流稳流控制,不可以断开负载,因此检修时最好是使用LED专用维修工装或直接在原机上维修。如果一定要从电视机上摘下LED驱动电源单独进行维修,维修时需要注意以下几个方面:
(1)上电后,该板就会输出12.3V电压。若空载,输出电压会在12.3V~12.5V间跳变。摘板维修时,应在12.3V输出端与地之间接入一只功率大于3W,阻值在100Ω~1kΩ的电阻作为假负载。在维修负载能力有问题的故障时,建议用592/50W~129/50W的电阻作负载。
(2) 维修LED背光驱动电路时,需给PSONBL_ON.PWMDIM三个信号同时施加3.3V左右的高电平(即将插座CON2⑧~10脚加锡短接,在加锡点与CON2的①~③脚(12.3V)中任一脚跨接一只8.2k~10k的电阻)以模拟二次开机。
(3) 维修LED背光驱动部分电路时,需在LED+、LED-之间接原机的LED灯串或假负载。笔者用2k/100W的滑动变阻器试验,当阻值调为0.4k时,LED+电压约为74V;当阻值调为0.6k时,LED+电压约为76.5V。另外,还可以采用100W 、60W 、40W或25W的220V的白炽灯泡作假负载,以确保LED+电压在73V~78V之间。
2.检修实例
例1:一台LED32B3200C型液晶彩电,有时不开机,有时无规律断电,故障时电源指示灯不亮。
分析检修:测12.3V输出端电压在8V~10V间变化,IC1⑤脚vCC供电端电压为11.75V,C6正极电压(即vcC1)为0.01V(正常应为18.5V),说明故障在vcC1电压形成电路中。经查,整流二极管D7( FR107 )引脚虚焊,补焊后故障排除。虽然故障排除了,但产生一个疑问:LD7538⑤脚通过电阻R22、R23以及分压电阻R1~R4接在交流220V上,没有接整流二极管,难道LD7538在启动时采用交流供电?为了弄清这个问题,断开D7后测LD7538⑤脚的电压波形,发现是锯齿波,其幅度为9Vpp,周期为100ms,如图3所示。
至此,就好解释LD7538启动工作时的供电问题:接通电源的瞬间,市电通过启动电阻R22、R23以及电容C11.C5形成一个逐渐升高的电压,在第-一个锯齿波的上升沿,当电压高于LD7538的启动电压时,LD7538启动工作,开关电源工作,T1各个绕组产生相应的脉冲电压,其中,④-③绕组输出的脉冲电压经D7、C6整流滤波后,形成约18.5V的直流电压,取代启动电路为LD7538供电。
例2:一台LED32B32000C型液晶彩电,黑屏,伴音正常。
分析检修:测12.3V电压正常,说明主板供电基本没有问题;LED升压电路二极管DS12正、负端电压基本相等,这说明升压电路没工作。对BIT3260的几个关键脚进行检测:⑧脚电压为0V,说明无驱动脉冲输出;①脚供电为12.14V,正常;②脚背光开/关端电压为0.08V,正常时约为8V,判断故障部位在背光开/关控制电路中。测QS3的b极电压为0.59V,c极电压为0.08V,说明该管已导通;ICS2①~③脚电压分别为2.47V、1.8V和0V,均正常。怀疑QS3的b极分压电阻RS23、RS24损坏。经查,RS24( 10k)开路,换新后故障排除。
此时测量QS3 b极电压为0.30V,c极电压为7.92V。

