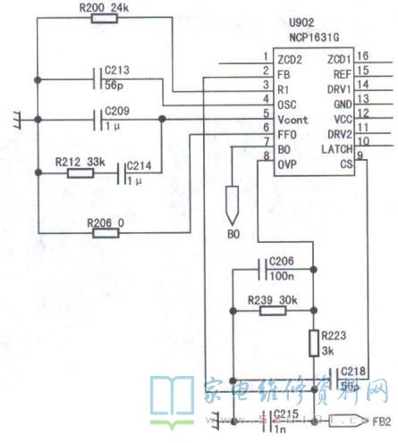
接修一台长虹UD65D6000i液晶电视,故障表现为不开机。该机电源板型号是HSL75/10D-4MB 400。拆机检测,发现电源板上的380V滤波电容C212炸裂,PFC功率管Q202、Q206及PFC驱动块U902( NCP1631G )短路,R227开路,更换上述坏件后,在保险上面串入一只灯泡,通电测得380V电压偏低。再次检测U902外围电路,如图所示,发现②脚外接电容C215短路,将其换新后试机,故障排除。
  
 
			版权声明:本文为转载文章,版权归原作者所有,欢迎分享本文,转载请保留出处!
			
		
		
		
		
		
		
	