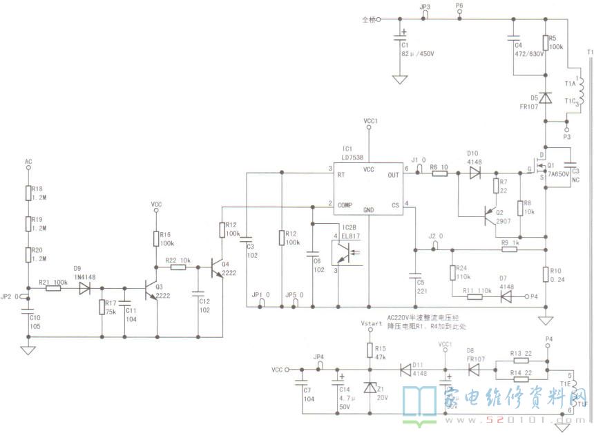
接修一台长虹LED32C2000i液晶电视,故障表现为三无,电试机,指示灯不亮不开机,由此判断输出的开关电源未工作。该机的开关电源组件型号为JCU25D-1M6300。检查交流输入保险管F1完好,通电测C1处电压为320V,输出的12V、24V电压均为0V,表明同LD7538(IC1)、Q1、T1组成的开关电源未工作。测IC1⑤脚启动供电仅6.3V,明显偏低。上电后AC220V交流电压经半波整流后,通过R1~R4分压、R15降压,然后对IC1⑤脚外接电容C14充电,如图所示。
当C14两端电压大于8V时,IC1内部振荡电路工作,从⑥脚输出激励脉冲,推动Q1工作于开关状态,这时T1次级绕组中产生感应电压,⑤-⑥绕组产生的感应电压经R14.R13限流、D8整流、C8滤波、D11隔离后,产生VCCI(18.4V)电压供给IC1⑤脚,以取代启动供电。检查稳压管Z1(20V)及R15、C7、C14等元件均正常,怀疑IC1损坏,换新IC1后试机,故障排除。
提示:ID7538②脚为多功能脚,一是与ICS1(TL431),IC2(光耦)组成稳压电路,使开关电源输出的12V、24V电压稳定;二是用作交流掉电检测控制,当此脚电压低于1.45V时,IC将停止输出驱动脉冲,故开关电源不工作时,需检查由Q3、Q4组成的掉电检测电路,实修时可断开Q4判定。
LD7538④(CS)为电流控制及OCP过流检测端,正常工作时此脚电压约为0V,当此脚电压超过0.85V,IC因内部OCP功能启动而保护。另外,④脚也是OVP检测端,T1⑤-⑥绕组的感应电压通过D7整流、R11、R24降压、C5滤波后接入④脚,IC内部计数器开始计数。当④脚电压达到保护阈值时,IC将启动OVP保护功能,电路停止输出驱动脉冲。实修时慎测驱动端电压,否则易烧管。
