长虹49Q2R液晶电视开机后自动关机的故障维修

2022-03-11 19:51:55  阅读 1140 次 评论 0 条
摘要:

一台49Q2R型机,开机后自动关机。该机属长虹ZLM60H-i机芯产品,电源组件型号为JCL90D-6S7 180。开机后,测得主板上的12V电压迅速降为oV,表明故障在开关电源。12V电压来自两部分电路

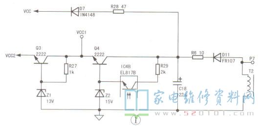
       一台49Q2R型机,开机后自动关机。该机属长虹ZLM60H-i机芯产品,电源组件型号为JCL90D-6S7 180。开机后,测得主板上的12V电压迅速降为oV,表明故障在开关电源。12V电压来自两部分电路:一是待机时由ICE3BQ565J(IC5 )与T2组成的副开关电源提供。二次开机后,副电源第二绕绕组的感应电压经D11、C18、整流滤波形成vCC电压,如图1所示。

长虹49Q2R液晶电视开机后自动关机的故障维修 第1张

      该电压除给副电源提供持续工作供电外,还通过Q4、Z2等元件稳定得到vCC1电压,供给PFC校正芯片,同时VCC1电压还通过Q3、Z3等元件稳压得到vCC2电压,供给主电源芯片L6599 (IC2),PFC及主电源工作,主电源产生的12V取代副电源产生的12V给主板供电。该机副电源电路如图2所示,上电测得IC5④、⑤脚300V电压正常。断开交流检测电路中Q10后试机,12V电压恢复正常,图像伴音均正常,由此判定故障在Q10所组成的电路中。

长虹49Q2R液晶电视开机后自动关机的故障维修 第2张

       经查,发现分压电阻R50焊头断裂,导致Q9截止,Q10 饱和导通,IC5②脚(FB)的反馈信号被短接到地,副电源停止工作,从而出现自动关机故障。补焊R50后试机,故障排除。

版权声明:本文为转载文章,版权归原作者所有,欢迎分享本文,转载请保留出处!