一台长虹55U1 (LMBE)(机芯:ZLS73Gi)型液晶彩电,二次不开机,根据二次不开机的检修思路,首先接上打印工装查看开机打印信息,如图1所示,从显示提示可以看出DDR与主芯片有通讯信号,因无其他更多打印信息,所以不能完全证明主芯片已正常工作。进一步检测电源板输入插座J2001的①~④、⑨~①脚+12V-PWR电压,已正常输入到主板,且+12V-PWR电压分别通过lDO形成以下电压: +12V_ Normal、+5V_ Standby 及+5V - Normal、+1.10V_ VDDC、+1.05_ VDDC_ CPU、+1.5V_ DDR、+3.3V_ Standby.+1.8V_ Normal. DDR与主芯片之间有通讯信号,说明形成+5V_ Standby 和+1.5V_ DDR电压的LDO工作正常。
  
 
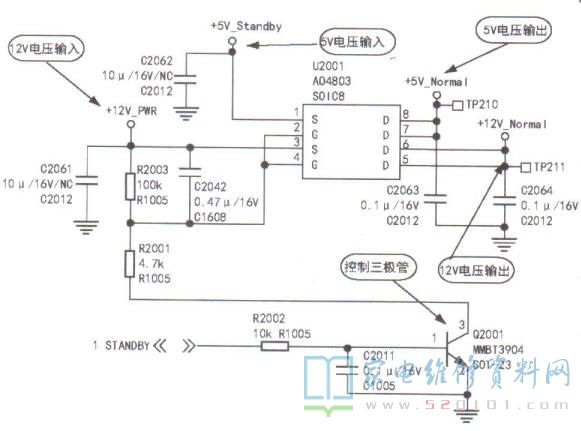
在检测中,发现U2001(AO4803A,双P通道增强型场效应晶体管MOS电源控制电路)的⑤、⑥脚输出正常的12.1V电压,而⑦、⑧脚输出电压只有0.6V(正常为5.1V),说明该路有故障。检查U2001的⑦、⑧脚外围滤波电容后端负载电路,以及双栅极的控制三极管Q2001和周围元件,均正常。于是直接更换U2001,二次开机后图声恢复正常。相关电路如图2所示。
  
 
			版权声明:本文为转载文章,版权归原作者所有,欢迎分享本文,转载请保留出处!
			
		
		
		
		
		
		
	