长虹55Q7ART型液晶电视的电源板型号为PDM3A30,实物如图1所示。该板主电源采用富士电机公司生产的PFC电源管理芯片FA1A00,开关电源芯片采用FA6A30,LED驱动部分采用电流模式控制器MP40100。
一、单元电路分析
1.交流抗干扰与整流电路
交流抗干扰电路采用两级EM1(干扰)低通滤波器,如图2所示。
FLP103、FLP104为共模扼流圈,是绕在同一磁环上的两只独立的线圈,圈数相同,绕向相反,在磁环中产生的磁通相互抵消,磁芯不会饱和,主要抑制共模干扰,电感值越大,对低频干扰抑制效果越好CCYP103.CYP104为共模电容,CXP10RCXP103为差模电容,主要抑制共模干扰,即火线和零线分别与地之间的干扰,电容值越大,对低频干扰抑制效果越好。RP106〜RP109对抗干扰电容起泄放作用,在关机后迅速消耗掉CXP101.CXP103储存的电能,防止带电损坏元件或对人造成电击伤害。
RTP101(MYN12-621K)为压敏电阻,当输入高电压超过620V时,RVP101漏电电流增大,接近短路,保险管FP1⑴(4A)过流熔断,对后级电路起到保护作用。RTP101(MF72-1R5)为热敏电阻,避免电路在开机瞬间产生浪涌电流。在抑制浪涌电流后,由于KTP101温度升高,其阻值将大幅减小,基本不影响正常工作电流。在电源回路中,串入功率型NTC热敏电阻,也可防止保险丝被轻易烧断。FP101(T4AL)为快断保险丝,位号以F字母母开头Q只要电流超过其额定值就会瞬间熔断,只作短路保护。
2.PFC电路
市电经DP101~DPM)4桥式整流后接电容CP101,由于CP101的容量仅为QF,所以不会对整流后的100Hz脉动电压进行滤波,因此加到PFC电路的电压波形是全波整流波形。PFC电路的特点是不论交流电处于波峰还是波谷,均能连续地从电网吸取电能为整机供电。
PFC电路由LP201->QP201->DP201等元件组成,如图3所示。FA1A00(UP201)是一款工作在临界导通模式下的功率因数校正转换器,具有软启动、过压保护、欠压锁定等功能,待机功耗低、工作效率高,其引脚功能见表1。
PFC电感LP201是PFC电路的核心组件。LP201在开关管QP201导通时储存能量,截止时感应出右+左-的电压,通过升压二极管DP201对漉波电容CP202充电。
由于PFC电路的工作频率较高,所以升压二极管要选择快恢复二极管或者超快恢复二极管。DP201(MUK460)是MOTOROLA公司生产的超快恢复整流二极管,MUR是该系列的字母代号,460为系列号。其反向耐压为600V,额定工作电流为4A,最大瞬时正向压降为IV,最大反向恢复时间为75ns,最大正向恢复时间为50ns。
开机后,PFC-Vcc电压经CP211滤波后供给UP201⑧脚,其⑦脚输出PWM控制信号,经电阻KP204加到QP201栅极,使其导通。整流后的电压经LP201->QP201->地,LP2U1中形成左+右-的电压;当QP201截止时,由于LP201中的电流不能突变,其感应电压与输入电压叠加,最后在CP202两端得到约380V电压。在QP201截止时,二极管DP203正偏导通,QP201栅极电压快速降低,QP201快速截止。电容CP203并联在QP2⑴的D、S极间,主要起阻尼作用,以保护QP201。
电阻RP204、RP203为QP201的G、S极间等效电容的放电电阻,及时泄放该电容中的电荷,以保护QP201oUP201⑤脚外接电流检测电阻RP201(0.15O/2W),以防止QP201过流损坏。DP204、DP2O5用于限制最大电流,防止QP201过压损坏。RP206为电流取样电阻。稳压管ZDP2O1起限压作用,电容CP2O9起滤波和消除耦合的作用。
UP201④脚为过压保护输入端。KP218-RP222与RP209对PFC电压分压,其分压值送给UP201④脚,与芯片内部基准电压2.5V比较,当超过基准电压1倍(此时PFC电压达到420V)时,过压保护启动,UP201⑦脚停止输出驱动脉冲。UP201的③脚外接电阻RP208,可设置QP2⑴在每个开关周期中的最大导通时间,此电阻阻值不可随意更改,电容用于稳定RT电压。UP201的②脚为内部ERRAMP(误差放大器)输出的相位补偿端,外接电容CP204、QP2O5及电阻RP207组成的RC网络,抑制FB输出中的纹波干扰,以避免误动作。
UP201的①脚为输出电压反馈端。电阻KP210-RP214与RP223、RP216、RP217对PFC电压分压,其分压值送给UP2W①脚,与芯片内部误差放大器基准电压2.5V比较。如果UP2C1①脚电压高于5V或者低于0.35V,UP201停止工作。电容CP208的作用是防止噪声引起误动作。
3.开关电源24V、50V电压形成电路
24V、50V电压形成电路主要由开关电源控制芯片FA6A30、开关变压器整流电路光耦PC817和精密稳压器TL431等元件组成。
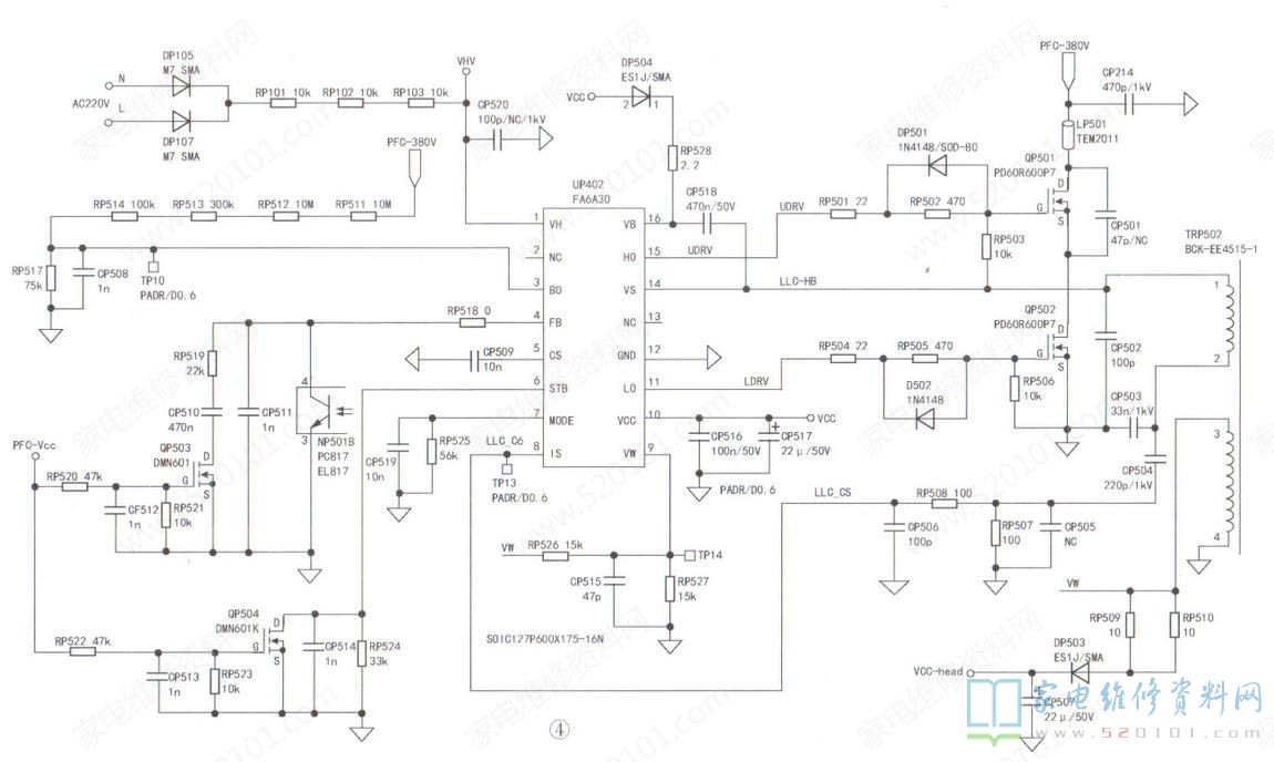
4.开关电源12.3V、50V电压形成电路
该机12.3V .50V电路开关电源初级部分如图4所示。
FA6A30是一款LLC电流谐振转换器,其引脚功能见表2。该IC内置600V的启动电路,可实现电路小型化和低功耗;同时内置有600V的上管和下管驱动器,可直接驱动上管和下管,占空比为50%。另外,该芯片可通过外部信号实现低功耗待机,无需辅助电源下面以UP402(FA6A30)的引脚电路为切入点来说明.上述电路的工作原理。UP402①脚(VH)为芯片启动电压端,内部启动电路向①脚(VCC )外接电容CP517充电,当10脚电压高于13V时,IC启动,随后开关变压器TRP502的辅助绕组给芯片供电,芯片内部的启动电路关闭。
启动电压来自EMI电路,AC220V经二极管DP105、DP107全波整流,电阻RP101~RP103降压后,送给UP402①脚。同时,该脚还对输入电压进行检测,当该脚电压高于93V时,延迟144ms后芯片内部电路启动;如果该脚电压超过525V,则IC进入过压保护状态。③脚(BO)具有可调欠压保护(Brown-In/OUT)功能,外接电阻RP511~RP514、RP517对PFC 380V电压进行检测。电容CP508的作用是滤除PFC电压中的交流波纹。
④脚(FB)反馈信号输入端,内接振荡器(振荡频率由④脚或⑤脚电压中的低者决定),当④脚电压升至0.3V时,振荡频率为350kHz;当④脚电压升至0.4V时,振荡频率开始降低;当④脚电压升至3.5V时,振荡频率降至最小值-38kHzo当过载且电源输出电压降至设定阀值时,④脚电压升到4.3V,延迟76.8ms后振荡停止。RP519、CP510组成滤波器,滤除电路噪声,光耦NP501的①、②脚接12.3V输出电压取样稳压电路。
⑤脚(CS)为软启动端,在上电后,从⑤脚输出5.5uA的电流,给电容C509充电,当⑤脚电压升至0.4V时,IC内部振荡器以350kHz的频率启动,且随着⑤脚电压的升高,振荡频率降低,从而达到软启动的目的。
⑥脚(STB)是正常模式和低功耗待机模式切换控制端。待机时,QP504因栅极为低电平而截止,此时IC进入于低功耗待机模式;二次开机后,PFC-Vcc电压经电阻RP522、RP523分压后加到QP504栅极,QP504导通,IC .进入正常模式。在应急维修中,此电路可以取消。
⑦脚(MODE)外接模式选择电阻PR525。同时,该脚附有过流保护(IS引脚)延时设定功能。
⑧脚(IS)是谐振电流检测端。CP504对流过谐振电容CP503的电流进行分流,然后通过电阻RP507将电流转换为电压,送给UP402⑧脚,作为判断谐振电流的依据。CP506、RP508组成RC滤波器,滤除QP501 .QP502的开关噪音,如果⑧脚电压超过设定阈值,则UP402进入过流保护状态。
⑨脚(vw)检测开关变压器工作电流。TRP502辅助绕组(③-④绕组)的感应电压经电阻RP526、RP527分压后送给UP402⑨脚,通过检测绕组的峰值电压可实现高精度的过载保护。CP515的作用是防止噪音干扰。
10脚(VCC)为IC供电端。TRP502③-④绕组的感应电压经电阻RP509、RP510限流,DP503整流、CP507滤波后得到vCC-head电压,送给开/待机控制电路。二次开机后开/待机控制电路输出vcc电压,供给UP402 10脚。另外,该脚内置欠压和过压保护电路,当该脚电压低于9V时,IC停止工作;当该脚电压超过28.5V时,过压保护启动。
11脚(LD)是下管QP502的驱动输出端。电阻RP504、RP505的作用是限制输出电流,并防止QP502栅极电压振荡。
14脚(VS )是下管QP502驱动的浮动接地脚。由于QP501和QP502交替导通和关断,所以14脚电压会变化。下管驱动器以14脚电压为基准,并通过自举电路进行工作。电容CP502用于降低谐振开/关速度。
15脚(HO)是上管QP501的驱动输出端。电阻RP501、RP502的作用与RP504.RP505相同。
16脚(VB)为上管驱动器提供电源,并进行低电压检测。CP518、DP504分别是自举电容和自举二极管。在QP502导通期间,vcC通过DP504给CP518充电。CP518两端的电压作为上管驱动器的供电。
当UP502 16、14脚的电压升至8.8V时,驱动器工作;当16、14脚间电压降至7.5V时,驱动器停止工作。
5.开/待机控制电路
上电后,TRP502③-④绕组的感应电压经过整流、滤波得到VCC-head电压。该电压一路通过RP806加到QP802的c极,另一路通过RP807加到QP802的b极,如图5所示。
QP802 导通,其e极输出电压经DP802、RP811降压后输出VCC电压,一路供给UP402①脚,另-路通过DP504供给UP402⑥脚。二次开机时,主板输出的STANDBY指令为高电平,MOS管QP803导通,光耦NP801导通,QP801导通,其e极输出电压经DP803降压后输出PFC- Vcc电压。待机时,QP803截止,NP801及QP801均截止,PFC-Vcc电压无输出。
6. 24V,50V整流与稳压电路
24V整流与稳压电路由DP603、DP604、CP603、NP501、UP601等元件组成,如图6所示。
TRP502次级⑥-⑧绕组输出的感应电压经DP603、DP604全波整流.CP603滤波,输出24V电压供给主板电路。24V电压升高时,NP501①脚与UP601的R极电压均升高,这时UP601的K极电压下降,NP501①-②脚内部的发光二极管发光强度增加,其3-④脚内部的光敏二极管等效电阻减小,UP402④脚输出电流增大,在IC内部电路的作用下,UP402输出的驱动脉冲占空比下降,则24V电压下降,从而达到稳压的目的。当24V电压下降时,其稳压过程与上述相反。TRP502⑨-①绕组输出的感应电压经二极管DP607、DP608及CP602滤波,形成50V直流电压,供给LED驱动电路。
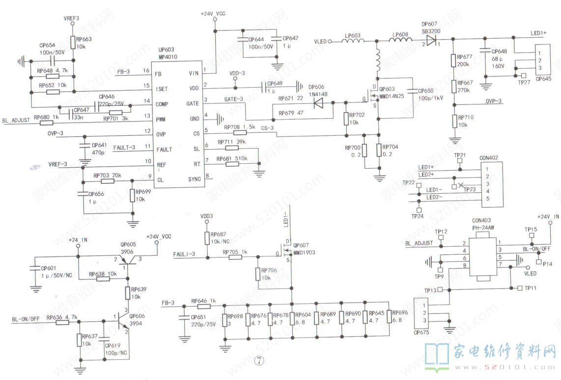
7.LED背光驱动电路
DP607、DP608( SR3200)为肖特基二极管,其最大反向电压为200V,最大正向电流为3.0A。该机LED背光驱动板由两个相同的LED驱动电路组成,如图7所示。
LED1驱动电路主要由UP603 (MP4010).DP607、QP603、QP607 LP603等元件组成,LED2驱动电路主要由UP604 (MP4010).LP604、QP604、QP609、LP604等元件组成。MP4010是一块高精度电流控制型驱动IC,广泛用在LED液晶显示器的背光驱动电路中其引脚功能与实测电压见表3。
二次开机后,主板输出的BL- ON/OFF(背光开/关)控制信号为高电平,该信号通过插座cON403③脚及内阻RP636、RP637分压后加到QP606基极,QP606、QP605导通,QP605的c极输出+24V_VCC电压,供给UP603①脚;主板输出的亮度控制信号(BL_ ADJUST)通过CON403②脚及QRP680加到UP603③脚。同时,开关电源输出的VLED电压(31V )送到升压电路(由LP603、QP603、DP607等元件组成),UP603启动工作,其③脚输出驱动脉冲,QP603工作在开关状态,输出LED1+电压(105V),供给灯串。
灯串负端接恒流控制管QP607的D极。QP607的S极对地所接电阻将流过灯串的电流转化为电压,并通过电阻RP646送给P603 16脚。
UP603据此调整11脚电压,以控制QP607的导通程度,从而达到恒流控制的目的。
8.检修实例
故障现象:图像一半亮一半暗。
分析检修:根据故障现象分析,怀疑是灯串有问题。拆机,检测LED1+ LED2+电压,分别为105V.91V (波动)。测量UP604(MP4010)引脚电压,发现③、11脚电压为0V,⑧脚电压为7.5V,12脚(OVP)电压为4.9V且波动,明显异常,怀疑LED灯串异常。更换灯串后试机,故障排除。
此时测得插座CON402中的LED1-、LED2-端电压均为0.3V,LED1 +端电压为105V,LED2+端电压为85V。值得注意的是,故障机的两路LED灯串电流检测电阻阻值不完全相同:LED1灯串的电流检测电阻为RP700(0.2Ω)、RP704(0.2Ω),LED2灯串的电流检测电阻为RP733(0.33Ω)、RP737(0.2Ω)。


