根据液晶显示器的显示原理推断,伴音正常,屏幕呈白板状.此故障应该是液晶屏内信号电极丢失工作电压造成的,致使液晶屏完全处于透光状态,所以整个屏幕呈现白色光栅。
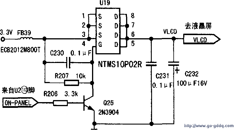
格式变换处理块U3输出的上屏信号(行场同步信号、液晶屏使能信号、像素时钟信号、数字基色信号)及液晶屏供电经插座J22进入液晶屏,向液晶屏供电及驱动液晶屏显示图像。测J22 38~40脚供电端,该机采用三星屏,其供电电压应为3.3v,实测为ov,证明液晶屏供电电压已丢失。液晶屏供电电路如图9所示,3.3V电压经FB39送到复合管U19的①~③脚源极S,在④脚栅极G的控制下从其⑤~⑧脚漏极D输出。
图中,当液晶电视处于正常工作状态时,从超级单片U2@脚送来高电平2.8V,经R206加到控制管Q25 b极,Q25饱和,U19栅极G为0V,其漏极D输出3.3V加到液晶屏;当液晶电视接收到待机指令时,从u2 113脚送来低电平0V,Q25截止,U19栅极G为高电平3.3V,其漏极D无电压。
测U19漏极D无3.3V电压,源极S电压为3.3V,栅极G电压为3.3V,表明U19已截止;再测R206左端电压为2.8V,说明CPU已输出开机指令。测Q25 b极电压为0V,R206右端电压也为2.8V。用放大镜仔细观察,发现Q25 b极处虚焊,重新焊好后试机,屏幕出现图像。
本例故障充分体现了液晶电视的成像原理,即液晶屏内部液晶被充电时,其分子呈一字形排列,入射光线可以顺利地通过液晶,但无法通过偏光板,所以屏幕无法显示光栅,当液晶屏内部电极失去驱动信号而不能对液晶进行充电时。液晶分子呈扭曲型排列,入射光线被扭转90度入射光线可以通过偏光板,屏幕可以显示光栅。

格式变换处理块U3输出的上屏信号(行场同步信号、液晶屏使能信号、像素时钟信号、数字基色信号)及液晶屏供电经插座J22进入液晶屏,向液晶屏供电及驱动液晶屏显示图像。测J22 38~40脚供电端,该机采用三星屏,其供电电压应为3.3v,实测为ov,证明液晶屏供电电压已丢失。液晶屏供电电路如图9所示,3.3V电压经FB39送到复合管U19的①~③脚源极S,在④脚栅极G的控制下从其⑤~⑧脚漏极D输出。
图中,当液晶电视处于正常工作状态时,从超级单片U2@脚送来高电平2.8V,经R206加到控制管Q25 b极,Q25饱和,U19栅极G为0V,其漏极D输出3.3V加到液晶屏;当液晶电视接收到待机指令时,从u2 113脚送来低电平0V,Q25截止,U19栅极G为高电平3.3V,其漏极D无电压。
测U19漏极D无3.3V电压,源极S电压为3.3V,栅极G电压为3.3V,表明U19已截止;再测R206左端电压为2.8V,说明CPU已输出开机指令。测Q25 b极电压为0V,R206右端电压也为2.8V。用放大镜仔细观察,发现Q25 b极处虚焊,重新焊好后试机,屏幕出现图像。
本例故障充分体现了液晶电视的成像原理,即液晶屏内部液晶被充电时,其分子呈一字形排列,入射光线可以顺利地通过液晶,但无法通过偏光板,所以屏幕无法显示光栅,当液晶屏内部电极失去驱动信号而不能对液晶进行充电时。液晶分子呈扭曲型排列,入射光线被扭转90度入射光线可以通过偏光板,屏幕可以显示光栅。
版权声明:本文为转载文章,版权归原作者所有,欢迎分享本文,转载请保留出处!