夏普LCD-46GE5A液晶电视开机绿灯亮黑屏无背光

2022-11-18 00:40:31  阅读 1690 次 评论 0 条
摘要:

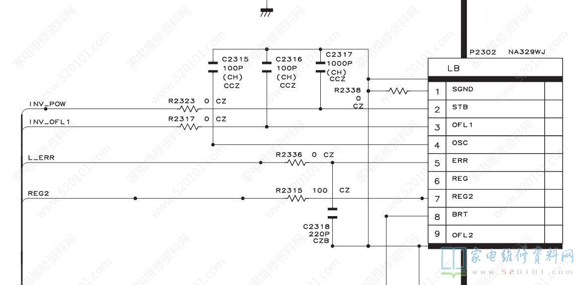
接修一台夏普LCD-46GE5A液晶电视,故障表现为开机绿灯亮黑屏(背光不亮),拆机测电源BU5v正常,PS_ON3.26v,PNL_POW3.21V,BU15为14.59V,INV60V为61.2V。背光板C

       接修一台夏普LCD-46GE5A液晶电视,故障表现为开机绿灯亮黑屏(背光不亮),拆机测电源BU5v正常,PS_ON3.26v,PNL_POW3.21V,BU15为14.59V,INV60V为61.2V。背光板CN7502A的2脚STB为0,4脚ERR为1.68V。
       首先使用强制点背光法:从CN7502A脱开ERR引线,AC通电,2S后接地,还是黑屏,将ERR引线复位,脱开CN7502A的2脚(STB)引线,在CN7502A的2脚加上一个3V启动电压,背光亮,看到右上角有“输入1”,再测ERR为3.31V,看来黑屏是无背光启动电压造成的黑屏。

       之前也修过几例该机型绿灯黑屏,一般都是主板的0欧电阻开路或阻值增大造成的,这是夏普早期机型的通病,查看夏普LCD-46GE5A图纸,看图,STB(INV_POW)走线,应该是R2323或R3109不良,夏普的主板实物上没有标注位号,只有跟着引线找,R2323正常,再找R3109时,过孔到主板背面,却找不到下面的出处在哪里,只有一个独立的过孔孤立在那里,原来主板是双层板,去R3109的线路在板的夹层中走了,眼睛都看花了,不找了,决定从电源板给逻辑板供电的12V中分压给STB,用10K、15K各1只分压取中间引线通往背光板的2脚,通电OK,进入项目调整背光大小,背光亮度调节有变化,说明确实是STB电路断开了。试机老化数小时,一切正常,故障修复。

夏普LCD-46GE5A液晶电视开机绿灯亮黑屏无背光 第1张

夏普LCD-46GE5A液晶电视开机绿灯亮黑屏无背光 第2张

夏普LCD-46GE5A液晶电视开机绿灯亮黑屏无背光 第3张

夏普LCD-46GE5A液晶电视开机绿灯亮黑屏无背光 第4张

夏普LCD-46GE5A液晶电视开机绿灯亮黑屏无背光 第5张

版权声明:本文为转载文章,版权归原作者所有,欢迎分享本文,转载请保留出处!