LG 42LD420-CA液晶电视开机三无指示灯不亮的维修

2022-07-11 19:19:28  阅读 1194 次 评论 0 条
摘要:

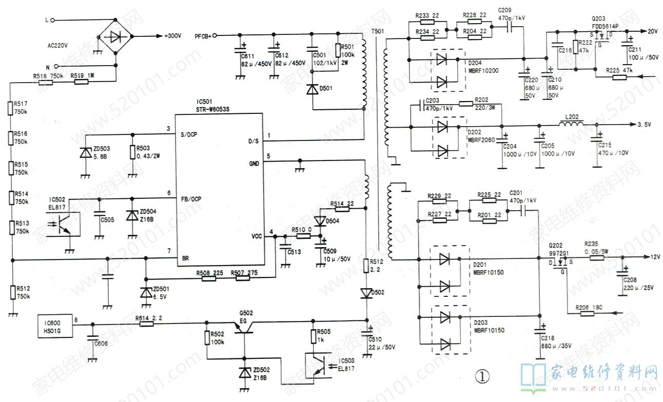
接修一台LG42LD420-CA型液晶彩电,故障表现为三无,电源指示灯也不亮。拆机检查,该机采用电源高压二合一板(IP板),型号为EAX61124201/15,其开关电源芯片采用STR-W6053S(IC

      接修一台LG42LD420-CA型液晶彩电,故障表现为三无,电源指示灯也不亮。拆机检查,该机采用电源高压二合一板(IP板),型号为EAX61124201/15,其开关电源芯片采用STR-W6053S(IC501),PFC芯片为HS01G(IC600),背光控制芯片采用BD9270F(IC301 )。待机时,开关电源输出3.5V电压,供给CPU及遥控、按键等电路;二次开机后,开关电源输出+12V和+20V电压。在路测量保险管正常,PFC电压滤波电容C611、C612(均为82uF/450V )有充放电动作,这说明后级电路无短路现象。上电测得3.5V待机电压为0V,C611、C612两端电压约为316V,并且关机后,C611、C612两端电压能长时间保持,这说明开关电源未工作。为便于检修,实绘开关电源电路如图1所示(未标容量的电容均为贴片电容)。

LG 42LD420-CA液晶电视开机三无指示灯不亮的维修 第1张

      STR-W6053S系三肯公司生产,属于STR-W60xX系列。该系列芯片内置启动电路、电流模式PWM控制器和高压MOSFET管,在正常工作状态下工作于PWM模式,在轻载状态下工作于突发(BURST )模式,具有过流(OCP)、过载(OLP)、过压(OVP)、欠压(UVLO )和过热(TSD )保护功能,其主要参数见表1。

LG 42LD420-CA液晶电视开机三无指示灯不亮的维修 第2张

      上电后,+300V电压经变压器T501初级绕组加到IC501①脚,IC501内部启动电路(Startup )给④脚外接电容C509充电,其充电电流为2.5mA,当C509两端电压达到15.3V 时,IC501内部控制电路开始工作,MOSFET管工作于开关状态,T501各绕组产生相应的感应电动势。其中,T501辅助绕组产生的感应电压经R514限流及D504、c509整流滤波后,输出约13.5V电压加到IC501④脚,以取代启动电路供电,并维持IC501 正常工作所需。

      摘下电源板,单独上电检测IC501①脚电压约为315V,④脚电压在10V~12V之间波动,其余脚电压为oV或接近0V。为判断开关电源是否启动,上电监测电容C501两端电压一直为 OV,由此判断开关电源未启动,IC501④脚的10V~12V 电压来自IC内部的启动电路。同时,IC501④脚电压波动,说明IC501在不断启动,但未能启动成功,其原因是Ic501启动时,芯片内部控制电路得电启动,④脚电压因负载加重而下降,若开关电源电路工作正常,此时辅助绕组为④脚供电,让④脚电压有足够的功率供IC内部电路工作,则IC501稳定工作,此时④脚电压保持稳定。相反,如果开关电源启动失败,则④脚电压下降,当低于8.1V时,IC501停止启动.IC内部的启动电路再次向C509充电,当④脚电压达到15.3V时,IC501再次启动,如此周而复始,则④脚电压在8.1V~15.3V波动(波动频率较高),加之万用表测量的滞后性,所以万用表读数在10V~12V之间不断变化。

     有资料称:在该型电源板上,稳压二极管zD501~ZD504易损坏。在路检测ZD501~ZD504及IC501外置元件,未发现异常。拆下ZD501~ZD504及C509、C510检测,均正常。怀疑IC501启动性能不良,但换新后故障依旧。是什么原因导致IC501反复启动呢?

LG 42LD420-CA液晶电视开机三无指示灯不亮的维修 第3张

     查阅IC501的引脚功能(见表2),发现⑦脚为输入电压检测端。AC220V 电压经半波整流后,通过电阻R513~R519分压,然后加到IC501⑦脚。在路检测上述分压电阻未发现异常。资料显示:只有⑦脚电压高于0.48V时,输入电压检测功能才有效。上电后,用MF47型万用表DC10V挡测量IC501⑦脚电压,此时开关电源工作,输出3.5V电压,并测得⑦脚电压在0.4V左右波动。

     由于此部分电路干扰严重,即使将接地表笔悬空,即只用单只表笔测量,表上仍有一两伏甚至更高的电压读数,看来仅凭测量电压无法判断IC501⑦脚内外电路是否正常。若要准确判断,需拆下R513~R519等贴片元件。由于一下拆下这些元件检测费时费力,决定采用变通方法进行维修。

     既然用万用表测量IC501⑦脚电压时,电源可正常工作。按照MIF-47型万用表"DC20K/V"这一参数计算,DC10V挡的内阻为200kΩ,即测量⑦脚电压时,相当于在⑦脚外接了一只200kΩ的电阻到地。找来一只330kΩ贴片电阻并联在⑦脚外的贴片电容上,如图2所示。

LG 42LD420-CA液晶电视开机三无指示灯不亮的维修 第4张

     上电试机,3.5V待机电压正常,此时C509、C510两端电压分别为9.75V、15.45V。接下来强制开机,先在各电压输出端接上假负载,具体接法如下:3.5V电压输出端接上多只并联的白光LED灯珠,12V电压输出端接上一只22Ω/10W电阻,在20V电压输出端接上一只35W/36V灯泡。接下来将一只10k电阻跨接在插座P201的POWER ON端与3.5V之间,上电开机,灯泡亮但闪烁,如图3所示。

LG 42LD420-CA液晶电视开机三无指示灯不亮的维修 第5张

     此时测得PFC电压为稳定的390V ,3.5V、12V、20V输出电压分别在3.3V、7.5V、13V左右波动,C509、C510两端电压均在12.5V左右波动。分析认为,上述电压波动的原因应是背光电路未启动。将电源板装还原后开机,图像、声音均正常,此时测得3.5V、12V和20V电压均正常且稳定。

版权声明:本文为转载文章,版权归原作者所有,欢迎分享本文,转载请保留出处!