创维32E600F液晶电视开机三无的故障维修

2022-07-11 19:38:27  阅读 700 次 评论 0 条
摘要:

接修一台创维32E600F型液晶彩电,故障表现为三无,指示灯也不亮。拆下后盖,取出电源IP板(板号:5800-P32EWM-0P50),测得保险丝完好,且大滤波电容两端长时间残留+300V电压,说明开关电

      接修一台创维32E600F型液晶彩电,故障表现为三无,指示灯也不亮。拆下后盖,取出电源IP板(板号:5800-P32EWM-0P50),测得保险丝完好,且大滤波电容两端长时间残留+300V电压,说明开关电源未工作。单独给电源板加电,测量电源芯片IC100 (TEA1733P )①脚VCC电压为0V。

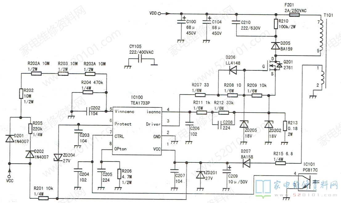
      顺着VCC线路排查,发现抗干扰电路中4只1.5MΩ/0.25W的小电阻开路。为保险起见,将这4只电阻换成1.5M2/0.5W的,并在5VSB输出端接上1只6V小电珠。加电,小电珠不亮,说明电源板还有故障,此时测量IC100 (TEA1733P) ①脚电压在16V~20V之间波动,其他脚电压很低,也小幅度波动,怀疑稳压电路异常,相关电路如图1所示。

创维32E600F液晶电视开机三无的故障维修 第1张

      代换光电耦合器IC101和稳压器IC300( TL431 )后故障依旧,更换IC100( TEA1733P也不解决问题。根据经验,重点检查IC100外围的四只稳压出端接上一只24V灯泡,用1只10kΩ的小电阻跨接在5VSB与ON/OFF端之间,强制启动电源,24V灯泡发光,此时测得IC100各脚电压如表1所示。装机试验,故障排除。

创维32E600F液晶电视开机三无的故障维修 第2张

版权声明:本文为转载文章,版权归原作者所有,欢迎分享本文,转载请保留出处!