东芝65U6780C曲面液晶电视开机三无的故障维修

2022-04-11 19:48:13  阅读 780 次 评论 0 条
摘要:

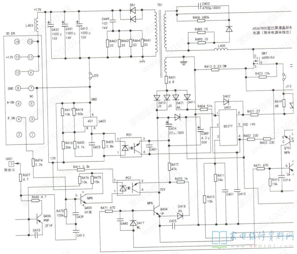
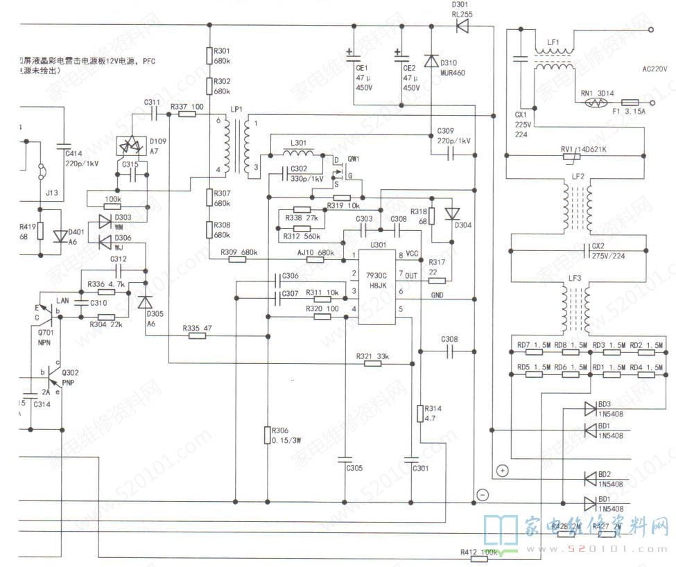
一台东芝65U6780C液晶电视,故障表现为雷击后三无。拆机检查,发现保险管F1开路,开关管QW2短路,其S极电阻R413(0.332/3W )开路,G极外围电阻R421(222 )开路,贴片二极管D40

       一台东芝65U6780C液晶电视,故障表现为雷击后三无。拆机检查,发现保险管F1开路,开关管QW2短路,其S极电阻R413(0.332/3W )开路,G极外围电阻R421(222 )开路,贴片二极管D402短路,相关电路如图1所示。

东芝65U6780C曲面液晶电视开机三无的故障维修 第1张

东芝65U6780C曲面液晶电视开机三无的故障维修 第2张

       将上述损坏元件全部换新后通电试机,测得电解电容CE1两端电压为310V,正常,但12V输出电压为0V,看来6脚芯片8537T也已损坏。更换该IC后试机,12V输出电压在12V~13V之间波动。用一只5692/8W电阻作假负载,输出电压下降很多。代换U402(431)及光耦PC1无效。实测U401的vCC供电为0V,经查,限流电阻R401 (6.82)开路,将其换新后12V电压仍不稳定。经查,R402( 330Ω)阻值已增至380Ω。R403(330Ω)阻值已增至900Ω。更换R402、R403后试机,12V输出电压稳定。接下来检查P-ON开/关电路,发现贴片三极管Q405炸飞,无法看到丝印号。根据电路分析,该管是NPN管,于是换上HY30型贴片三极管。在路测得电容C439短路,拆下检查,C439确已短路。将其换新继续检查,发现光耦PC2①、②脚开路,将其换新。因为单独检修电源板,为了测量PFC电路,找来一只三端稳压器L7805,将L7805①脚接12V端,②脚接地,③脚( 5V输出)外接一只1kΩ电阻,与电源板的P-ON端相连,通电后测得PFC电压为310V,说明PFC电路未工作。继续测量,发现U301 (7930C) ⑧脚VCC无供电。经查,R314(4.7Ω)开路,将其换新后试机,PFC电压升至390V,正常。

       接着检测背光电路,将电源上的P-DIM、BL- ON、P-ON端连在一起,再通过1kΩ电阻与L7805③脚相连,上电后测得LED+ lED-端间的电压为106.2V,且很快下降,说明背光电路基本正常。将电源板装回电视机,上电试机,故障排除。此时测得LED+端对地电压为165V。

版权声明:本文为转载文章,版权归原作者所有,欢迎分享本文,转载请保留出处!