夏普LCD-40G100A液晶电视副电源的故障维修

2022-02-28 17:46:02  阅读 936 次 评论 0 条
摘要:

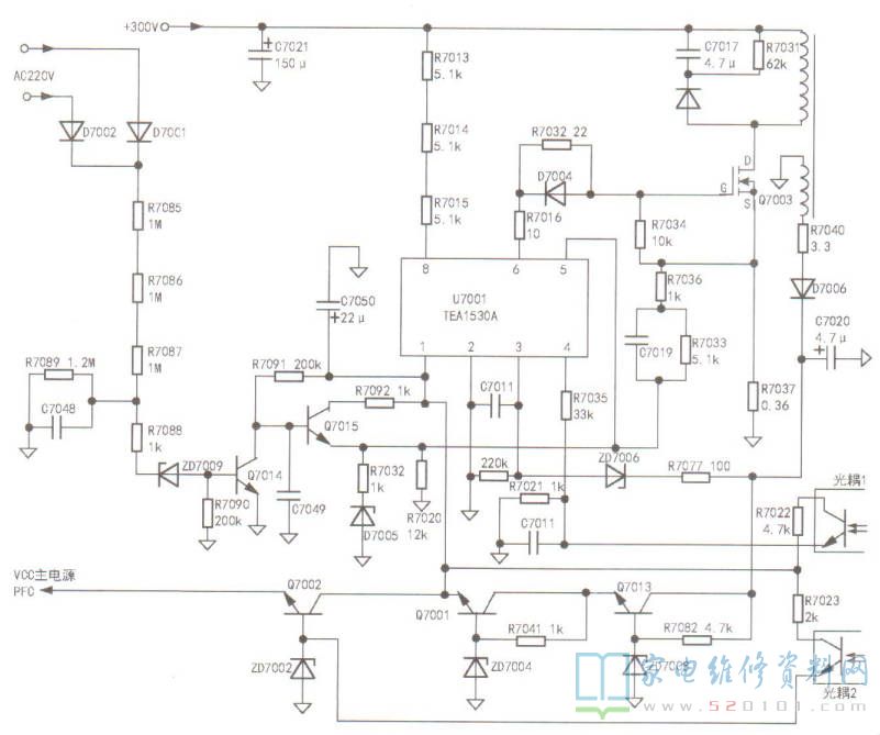
接修一台夏普LCD-40G100A液晶彩电,上电后副电源输出电压为0V。正常时,副电源在待机状态输出电压为7.5V,二次开机后输出的电压为12V。测副电源芯片TEA1530A(U7001)的①脚(VCC )

     接修一台夏普LCD-40G100A液晶彩电,上电后副电源输出电压为0V。正常时,副电源在待机状态输出电压为7.5V,二次开机后输出的电压为12V。测副电源芯片TEA1530A(U7001)的①脚(VCC )电压仅为3V,这说明芯片没有工作。电源芯片的VCC引脚电压是一个重要的测试点,正常电压一般在10V~18V之间,如果该脚电压为0V,首先检查VCC脚与地之间是否短路或阻值过小,再检查启动电路。如果芯片自带启动电路,若怀疑启动电路有问题,可以在vCC端和300V供电间外接一只300k-500k的电阻,观察电源能否启动:如果VCC脚电压从8V左右往上升,超过10v后又马上下降,如此反复波动,则说明芯片因某种原因启动不成功,这时先查次级负载是否正常,有无过压、过流现象,再查保护电路有否误保护,最后检查开关变压器辅助绕组提供的辅助电压及其整流滤波电路。

      U7001内部自带启动电路,300V电压通过R7013-R7015给U7001的⑧脚供电,如图1所示。

夏普LCD-40G100A液晶电视副电源的故障维修 第1张

     IC内部恒流源对①脚外接电容C7050充电,当①脚电压达到11V时,芯片启动工作。U7001的①脚除接辅助电源外,还通过一只电阻 R7092接Q7015的c极。Q7014.Q7015 及外围元件组成市电欠压保护电路,D7001和D7002先对市电进行整流取样,然后经R7085~-R7087降压,C7048滤波、R7089分压后,通过电阻R7088及稳压管zD7009送给Q7014的b极。当市电电压正常时,上述分压超过zD7009的击穿电压,Q7014因b极得到偏置电压而导通,则Q7015截止,不影响Q7001的①脚VCC电压。当市电电压过低时,上述分压不足以击穿ZD7009,Q7014截止,Q7015导通,U7001的⑤脚电压升至2V,当该脚电压大于0.52V时,芯片停止工作,同时,U7001的①脚电压被拉低至3V。

     上电后测得Q7015的c极电压为2V,b、e极电压为0.65V,即Q7015处于导通状态。测ZD7009的击穿电压是16V,正常;C7048两端电压只有10V且不稳定,这明显异常。经查,C7048漏电。C7048对市电取样电压进行滤波,同时在市电瞬时跌落时保持取样电压基本不变,以防止机器误保护。正常时,C7048两端电压约为17V。换上一只1pF的电容后试机,故障排除。提示:U7001的③脚和ZD7006 .R7077等元件组成辅助电源电压过压保护电路。当该组电压超过20V时,ZD7006击穿。U7001的③脚电压大于2.5V时,U7001进入过压保护状态。另外,本机Q7013.ZD7008与Q7001 ZD7004等元件组成两级串联稳压电路。待机时,由于辅助电源输出的电压约为12V,此时该稳压电路处于不稳定状态。

版权声明:本文为转载文章,版权归原作者所有,欢迎分享本文,转载请保留出处!