三星BN44-00610B是用在三星UE46F5000AW液晶电视上的一款经典电源板,其设计合理、布局明晰,没有太多冗余的电路,非常便于维修。电源板损坏后,电视通常表现为有开机电源指示灯且可控但开机后无光无声。
  
 
       本电源板维修要点有三点:第一,电视在长时间使用后,极其容易产生虚焊,并且由于主电源IC的虚焊,容易炸裂或闷烧。所以第一步要看主电源IC有无炸开,如果表面完好就要仔细观察电路的虚焊点并大面积补焊,不要放过如何细节。焊好后,不接主板排线只接背景灯排线,通电如果灯亮,说明电源已经修复!如果不亮,就进入下一个环节。
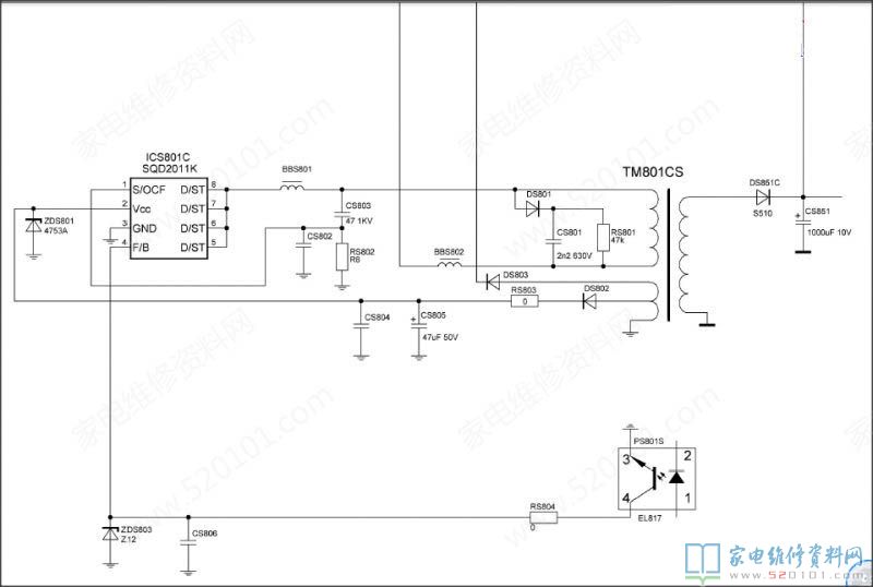
        第二,测副电源5v和PFC400v。副电源电路简单而且很少出现问题,如果5v和400v都正常,那么果断换掉主电源IC(FSFR1700XC),基本就可以修复。如果PFC没有工作,测副电源开关变压器给主电源及PFC的IC供电电压,由TM801CS低压绕组一路经DS802;CS805给副电源IC (SKD2011)供电,另一路经DS503整流后CQ815滤波得到15v电压经控制管QQ811供给主电源及PFC的IC。电压过低可判定后级IC损坏。拆掉主电源IC(FSFR1700XC),如果供电电压恢复正常15v,这时可以检测pfc电压,没有则说明主电源IC击穿的同时要同时烧掉了PFC电源芯片(FA5695)。
  
 
  
 
       最后一点,换电源IC,检查外围元件,一般情况下基本就能修复。有一次,换了上述元件15v仍然很低,只有3v。查遍外围甚至断开所有后级电路及二极管电容都不行,副电源IC2脚VCC电压也不正常,只有9V左右,但输出端5v稳定正常。难道开关变压器坏了?一时间陷入迷茫!几番周折,发现是低压绕组接地端对地开路,锈蚀点覆盖在绿漆下极其隐秘故难以发现。接通后,所有电压恢复正常。
       到目前为止,几十台的板子全部修好,修复率达到了百分之百。附件:三星BN44-00610B电源板电路原理图 
