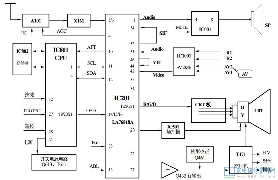
三洋CK25F200D彩电(FC5A机芯)工作方框图 2019-09-15 19:11:20 阅读 484 次 评论 0 条 摘要: 注:线路结构基本同CK29F98C(无E/W功能);IC201:LA76818A。CK21F90C/CK25D58C/CK25F90C线路结构基本同无DVD输入。 注:线路结构基本同CK29F98C(无E/W功能);IC201:LA76818A。CK21F90C/CK25D58C/CK25F90C线路结构基本同无DVD输入。 版权声明:本文为转载文章,版权归原作者所有,欢迎分享本文,转载请保留出处! 点赞 分享: PREVIOUS:TCL王牌2118E彩电换高压包注意事项 NEXT:海信TF2506D彩电不开机故障维修 文章导航