LG MT-40PA10型等离子彩电主开关电源,采用了日本山肯公司生产的新型STR-F6553系列电源厚膜模块。该模块内部功能完善,具有过流、过压等保护功能。由于该模块的组成电路简洁,外围元件少,工作效率高等特点,所以被国内外许多电视生产商家采用。本文简单介绍一下该系列电源的工作原理及故障检修。
一、STR-F6553开关电源工作原理
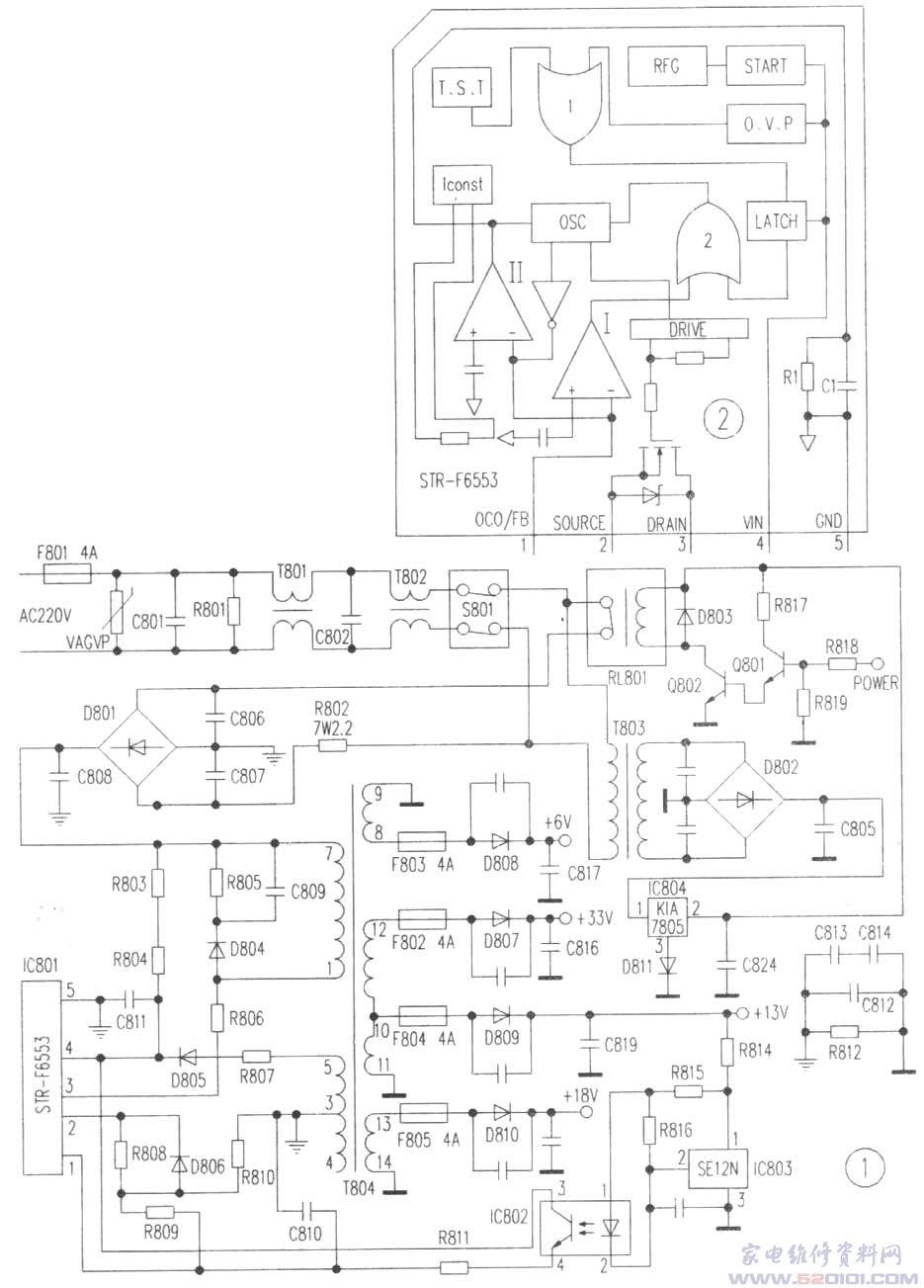
接通电源(见图1)220V市电经保险管F801、压敏电阻、电容C801、R801、C802、T801、T802组成的抗干扰高频滤波后,经开关S801接通后送入变压器T803的初级绕组,由变压器次级降压后再经D802全桥整流、C805滤波后得到约9V左右的直流电压,该整流滤波后的+9V直流电压经IC804(KIA7805)稳压调整后,输出+5V直流电压给微处理器供电。
当微处理器IC001(CXP750010),图中未画出20脚输出高电平(执行开机命令后),Q801、Q802导通,继电器RL801得电吸合,220V交流电经RL801、限流电阻R802加到整流桥D801上,经D801整流、C808滤波后,得到约300V左右的直流悬浮电压,并通过开关变压器T804初级⑦~①主绕组,加到厚膜集成模块IC801(STR-F6553)③脚场效应管的漏极。同时共模滤波电源由D801内单臂二极管整流、R803、R804限流后向C811充电,当C811充电电压到达16V时,电源模块STR-F6553内部振荡器便开始工作,经内部驱动放大后加到内部场效应管的栅极,控制场效应开关管的导通,场效应开关管导通瞬间便有电流从T804的⑦~①绕组流过,开关变压器⑤脚产生的感应脉冲电压经R807限流、D805、C811滤波后为开关电源模块④脚继续提供稳定工作电压。
在场效应开关管导通的同时,电源模块②脚(内部场效应管源极)也同时产生的漏极电流iD,它在②脚外接的电阻R808上产生相同的锯齿波电压,经R809加到电源模块的①脚内部电压比较器I的反相输入端(见STR-F6553内部原理图图2),当内部C1的充电电压达到同相输入端基准门限电压0.73V时,比较器翻转使OSC振荡电路输出低电平,使内部场效应开关管截止,同时切断C1电容的充电通路,C1两端充电电压经内部电阻R1放电,当C1两端电压下降到0.73V时,OSC电路再次翻转,输出高电平加到内部场效虚开关管的栅极,使场效应管重新导通,C1重新被恒流源充电,振荡器进入下一个周期,并由此形成类似张弛振荡过程。
二、电源稳压控制及保护功能
1.自动稳压控制电路由光电耦合器IC802与IC803(SE12N)和电源开关模块IC801(STR-F6553)①脚等主要电路构成。开关变压器T804次级⑩脚整流滤波后输出的+13v直流电压,经电阻R814加到IC803的①脚,并由内部进行精密基准稳压后从②脚输出误差电压由IC802进行光电转换后,改变光耦③、④脚内阻,并通过电阻R811、R809、R810形成反馈取样电压加到IC801的①脚(OCP/F8;稳压控制、过流检测输入端),通过控制①脚电压来调整内部振荡频率,使输出电压保持稳定不变。
2.开关电源过流保护检测电路由开关电源模块①脚与电阻R810、R809、R808、D806组成,当开关电源电路出现过流现象时,电源模块②脚外接的取样电阻R810两端电压降迅速增大,①脚电压也将会随之上升,当①脚电压上升到比较器门限电压0.73V时,便会触发内部OSC电路翻转,缩短场效应开关管导通时间,使各绕组直流输出为正常的1/3,从而起到过流保护作用。
3.过压保护电路是通过检测IC801④脚送入的启动电压来实施检测保护,当市电升高或开关电源稳压环路失控等原因使送入④脚的电压达到22V以上时,其开关模块内部OVP过压保护电路被激活动作,输出的控制信号经门1开启锁存器(LATCH),并通过门2使内部场效应开关管强行关闭,实施保护。
4.过热保护电路是由内部贴在芯片铜基板的温度传感器和电压比较器组成,内部温度设定在140℃,当内部温度升到设定温度后,温度传感器将检测的结温变化转换成相应的电压,并使比较器翻转,通过门1、门2最后使OSP停振,场效直开关管截止。
三、故障检修
【例1】开机无图无声,红色指示灯点亮。
由于指示灯能够点亮,说明开关电源负电源电路工作正常,此时遥控开机,能够听到继电器吸合声,同时红色指示灯熄灭,绿色指示灯点亮指示,但仍旧无图无声。由于继电器能够吸合,这也表明微处理器控制电路也都正常,故障应在开关主电源电路上。
关机用万用表电压挡测量电容C808两端电压接近300V,说明开关电源没有工作。造成开关电源电路不工作有两个原因:1.稳压环路出现故障;2.启动电源电路出现故障。首先检查启动电阻R803、R804测量发现R803已由正常时的47k变成无穷大,用一只47k/1W电阻更换后故障排除。
【例2】开机三无。
接通电源开关后,电源指示灯不亮,开机发现保险F801已炸裂。从此可以看出电源电路存在严重的短路现象。断开开关S801,用表测量电源捅头AC端,未见短路现象,由此断定C801、C802、R801、压敏电阻都无短路损坏,故障应在主开关电源电路。断开继电器的④脚,用一只2.5A的保险更换后开机,此时电源绿色指示灯点亮,继电器吸合,说明故障在主开关电源电路上,关机继续检测,发现限流电阻R802断路,整流桥一臂已击穿,更换上述元件后,仔细检查确定其他电路正常,并恢复断开电路后,开机电视恢复正常。
【例3】接通电源,绿色指示灯点亮,但继电器无吸合声,整机不工作。
由于绿色指示灯能够点亮,故障应在开待机(POWER)控制信号传输电路及继电器、三极管Q801、Q802、R817、R818、R819电路之间,开机测Q801基极呈高电平状态,说明徽处理器已送来了开机信号,测Q801发射极为低电平,继续检查发现电阻R817的一脚已与电路扳脱焊,补焊后故障排除。