STR-F系列是日本SANKEN(山肯)公司继STR-M系列之后开发推出的开关电源专用厚膜电路。这两个系列电源厚膜电路的内部结构基本相同,但STR—F系列将sTR—M系列④脚过流保护检测、⑥脚稳压控制输入和⑦脚过压保护检测共3只引脚功能组合成1只引脚,因此STR—F系列的功能引脚就缩减到5只,这样它的外围电路比STR—M系列要简洁、维修更方便。
LG的新一代视频产品都采用STR—F电源厚膜电路,例如其RT—NA/NZ系列背投电视采用STR—F6658,MT—PZ/PA系列等离子彩电采用STR-F6553(STR—F系列的内部电路结构、引脚功能顺序完全相同,仅输出电流和功率不同)。此外国产海尔和康佳等背投电视、CRT直视彩电都采用了STR—F系列电源厚膜电路。
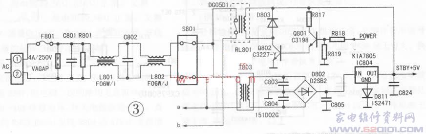
本文以LG MT-40PAl0型家庭型PDP彩电电源电路为例,介绍电源厚膜块STR-F6553的原理与维修方法。
一、STR-F6553的工作原理
1.STR—F6553厚膜块简介 
图1是LG MT-40PAl0型等离子彩电主开关电源电路,左下部方框内绘出了STR—F6553内部电路结构。sTR—F6553的功能包括:START启动电路、REG基准电压源、OSC振荡器、DRIVE驱动级、MOSFET开关调整管、LATCH锁存器、OCP过流保护、OVP过压保护、TSD过热保护以及逻辑门等电路。
STR—F6553采用5引脚TO-3P形式封装模塑、由介质绝缘,输出电流Id=5.6A、Idm=14A;输出功率P=58w、Pm=l20w。
STR—F6553各引脚功能说明如下:
①脚-OCP/F8:过流检测信号输入、稳压控制信号输入。
②脚-SOURCE:内部MOSFET开关管源极。
③脚-DRAIN:内部MOSFET开关管漏极。
④脚-VIN:电源启动和控制电路供电。
⑤脚-GND:内部控制电路公共接地。
2.开关电源振荡和供电
合上图3的电源开关S801、市电由两级共模滤波器(C801-L801、C802-L802组成)滤波和图1 D80l、C808桥式整流滤波,得到约300V直流悬浮电压,通过开关变压器T804⑦-①主绕组加到电源厚膜电路IC80l③脚内MOSEFT功率管漏极;同时共模滤波电源由D80l内单臂二极管整流、R803+R804限流,给c811充电并加到Ic801④脚VIN端。在该脚电压随C811充电上升到16v时,其内START电路开启,稳压源给控制电路提供偏压,由恒流源给内置电容c1快速充电至6.5V,OSC输出高电平,经驱动级放大加到MOSFET管栅极,使MOSFET管导通。MOSFFT管导通产生的漏极电流iD是一个锯齿波电流,它在IC801②脚外接电阻R810上产生波形相同的锯齿波电压,经R809加到IC80l①脚内电压比较器I的反相输入端。当C1上的充电电压达到同相输入端基准门限电压0.73V时,比较器翻转,使OSC电路输出低电平以关断MOSFET管;同时切断C1的充电通道,c1通过内置电阻R1放电。当Cl两端电压下降到触发电平下限3.7V时,OSC电路再次翻转,输出高电平,MOSFET重新导通,cl重新被恒流源充电,振荡器进入下一个周期,由此形成类似张弛振荡过程。STR-F6553振荡工作时,其内置电容C1两端电压波形、①脚电压波形和MOSFET管栅极激励脉冲波形与MOSFET管工作状态对应关系如图2所示。 
通过图2可知,MOSFET开关管在同一周期内截止时间取决于c1的放电速率,而导通时问则由IC80l①脚电压上升到门限电压0.73V的快慢来决定。由于内置电容Cl和Rl固定不变,因此稳压原理是固定振荡周期中的截止时间(约50 us),采用在振荡电路的反馈支路上并接误差比较器,通过改变:IC80l①脚电压上升到门限电压的速率,来改变开关管的导通时间、调整占空比以实现稳压。它实际上属于一种调频调宽式并联他激型开关电源。
主开关电源共输出5组直流电压:
其中T804⑤③绕组感应脉冲由D805、c811整流滤波,产生+18V直流电压,加到IC801④脚,作为内部控制电路工作电源、维持系统正常工作;+18V电压还为光耦合器IC802供电。
T804 12、11绕组感应脉冲由D807、c816整流滤波和R102∥R103、ZDl0l串联稳压,产生+33V直流电压,为Fs调谐器TUl01供电。
T804 13、14绕组感应脉冲由D810、C821、C822整流滤波,产生+18V直流电压,为音频功率放大器IC608(LA4282)供电。
T804 ⑩、11绕组感应脉冲由D809、C819、C820整流滤波,产生+13V直流电压,再由IC606稳压调整得到+12V电压:由IC202、IC702、IC60l、IC605和IC301稳压调整得到5组+9V电压。+12V和5组+9V直流电压,为机心所有模拟小信号处理电路供电。
T804⑧⑨绕组感应脉冲由D808、C817、C818整流滤波,产生+6.0V直流电压,再由ICl01、IC703、IC304和IC305稳压调整,得到3组+5.0V电压和l组+3.0V电压,为机心所有数字信号处理电路供电。
3.主电源稳压控制
主开关电源的稳压控制电路由图1中的误差检测放大器IC803、光电耦合器IC802和电源厚膜块IC801①脚接口组成。电源输出的+13V直流电压经R814加到IC803①脚,由内部精密电阻分压取样,加到误差放大器的基极,与发射极的基准电压进行比较放大,从②③脚输出误差电压,由IC802进行光电转换后在R809+R810上形成反馈取样电压,加到IC801的①脚,通过控制①脚电压上升至0.73V的速率来调整MOSFET开关管的导通时间tON,维持输出电压稳定不变。
假定某种原因使电源+13V直流输出电压上升,则经IC803比较放大后流过IC802原边发光二极管的光电流增大→其副边光敏三极管集射极内阻减小→IC801④脚18V电源经IC802光敏管内阻+R811+R809+R810回路流过的电流增大→IC801①脚电压升高,它与R810上的锯齿波电压叠加,使①脚电压提前上升到0.73V→内部的电压比较器I提前翻转→MOSFET开关管提前截止,即导通时间缩短→T804⑦①主绕组的磁能减少→+13V直流电压下降回落到设定值。
为了防止MOSFET管导通瞬间产生的浪涌电流尖峰在R810上形成干扰脉冲,触发IC801①脚内的电压比较器翻转误动作,在①脚与⑤脚之间并联了470pF电容C810,以吸收幅度较大的干扰尖脉冲。
4.主电源的保护功能
(1)浪涌电压抑制保护
由图1中的R805、C809和D804组成浪涌电压限制吸收回路,将瞬间浪涌尖峰吸收,以免击穿MOSFET管的漏-源极。
(2)开关管过流保护(OCP)
在厚膜块STR—F6553内,开关管过流保护功能是通过检测每个振荡周期中MOSFET功率管漏极电流峰值实现的。在开关管出现过电流时,IC801②脚外接取样电阻R810上的电压降迅速增大,结果加速①脚电压上升到比较器门限电压0.73V,触发OSC电路提前翻转,缩短开关管的导通时问,从而限制MOSFET管漏极电流在其极限电流Im内,起到过电流保护作用。
需说明的是OCP保护功能启动后,MOSFET开关管导通时间缩短,T804⑦①绕组中储存能量迅速减少,各绕组感应脉冲幅度按比例下降,T804⑤③绕组提供给IC801④脚的+18V电压亦然,当IC801④脚VIN输入电压下降到10V以下,START电路自动关闭,基准电压源无基准电压输出,控制电路停止工作,电源恢复到开机前的起始状态。这时由R803+R804、D801单臂二极管和c81l组成的启动电路再次开启IC801④脚的START电路,过流保护功能再次动作……这一过程循环往复,电源进入间歇窄脉冲激励振荡状态。间歇振荡状态的特点是,开关电源各绕组直流输出只有正常值的1/3。
IC801①脚反馈取样电压同时加到电压比较器II的反相输入端,与同相输入端的基准门限电压1.35V进行比较。如果MOSFET开关管源极出现浪涌电流,使IC80l①脚取样电压达到门限值,比较器Il翻转,强制OSC停止振荡,使MOSFET管关断。
(3)过电压保护(OVP)和过热保护
在主电源稳压控制电路的调整功能失效,造成电源输出电压上升。使T804⑤③绕组提供给IC801④脚VIN电压达到22.5V时,其内部OVP电路被激活动作,输出的控制信号经或门1开启锁存器,再通过或门2强制OSC电路停振,关断MOSFET管。
STR—F6553内的过热(T.S.D)保护电路由贴在芯片铜基板的温度传感器和电压比较器组成。温度传感器的作用是将芯片结温的变化转换成相应电压变化,然后再与基准电平比较。如果基板温度达到设定的140℃,使转换后的电压等于或大于基准电压,比较器翻转,通过或门l开启锁存器,再通过或门2强制OSC停振,MOSFET管截止。
5.副电源与ON/OFF控制电路 
40PAl0机型副电源原理电路如图3所示,它由工频变压器T803、整流桥堆D802和三端稳压器IC804组成,属于传统线性稳压电源。合上电源开关S80l,电网交流电由两级共模滤波器滤除高频干扰脉冲,得到的纯净交流电压加到T803的初级绕组,降压变换后经D802、C805整流滤波产生约+9V直流电压,然后由IC804稳压调整成STBY+5V电压,给控制系统供电。
等离子电视的数字化程度很高,数据处理量很大,为了杜绝电源电压突然中断或欠压引起数据丢失或程序出错,设置了图4所示IC004和主控微处理器IC001②脚组成的STBY+5V电压欠压检测电路。IC004(KIA7532)实际上是一个电压比较器,STBY+5v电压加到其VCC输入端,由内部电路分压取样加到比较器同相输入端,与反相输入端基准电压比较:正常STBY+5V取样电压高于基准电压,比较器输出高电平。如果STBY+5V下降到4.6v以下,经分压后的取样电压低于基准电压,比较器翻转输出低电平,主控微处理器IC001检测到②脚输入的STBY+5V欠压信息,立即关闭所有的控制程序,并撤去20脚的POWER高电平,通过ON/OFF控制电路切断主开关电源的交流供电,执行保护性待机。 
电源ON/OFF方式转换控制电路由图3中的Q801、Q802、电磁继电器RL801和图4主控微处理器IC00l 20脚相关电路组成。接通交流电源后,副电源工作,IC001 74脚得到+5V电源、15脚得到RESET复位信号、17、18脚得到8MHz主时钟、47脚检测到STB高电平,在启动三组I2C总线进行故障自检后,从20脚输出POWER高电平:Q801导通→Q802饱和导通→RL80l吸合,接通主开关电源的交流电源,使之振荡供电;POWER高电平同时加到图4的ICl0l、IC703、IC304和IC305的S控制端,稳压器工作,输出3组+5V电压和l组+3V电压给机心数字信号电路;POWER高电平也加到IC606、IC202、IC702的S控制端,稳压器工作,输出3组+9v电压,为机心模拟信号电路供电;IC001还从58脚输出G-LED高电平→0002导通,点亮双色发光二极管LD001中的绿管,指示机心进入ON工作方式。
按下遥控器上的“POWER”键,IC001撤去20脚的POWER高电平,图3的Q80l截止→Q802截止→RL801释放、闭合触点断开,切断主开关电源的交流供电。同时图4的TCl01、IC703、IC304、IC305、IC606、TC202、IC702的s控制端转为低电平。上述7只稳压器处于待命状态。IC001还撤去58脚的G—LED高电平一Q002截止→LD00l中的绿管熄灭;而57脚输出R—LED高电平→Q001导通,点亮LD001中的红管,指示机心进入OFF工作方式。由于关断主开关电源交流供电,只有副电源为静态的控制系统供电,因此待机功率约2w左右。
二、STR-F6553的故障维修
从等离子彩电整机电路结构来看,它的集成化数字化程度很高,外围电路十分简洁,模拟线性集成电路和CMOS数字集成电路都属于低压弱电微功耗器件,故障率很低,加上目前等离子技术已经成熟,其核心组件PDP显示屏的寿命高达5~6万小时(可连续使用20年以上)。因此,整机故障率最高的部位,就是电源系统。根据近年维修中心人员反馈的信息,PDP检修基本上是电源检修。
1.故障检修思路
等离子电视电源系统结构与普通彩电相同,其故障现象也相同。常见典型故障是显示屏不亮、无图像、无伴音。检修方法是:若发光管发光,应查有无继电器吸合声?若全无,则揭开后盖,查交流输入回路保险管F801是否熔断?若熔断,查主电源整流桥DS01、滤波大电容器C808是否击穿漏电,查电源厚膜块IC801③脚内MOSFET开关管是否击穿,查开关变压器T804 7、①主绕组有无局部短路;然后查副电源变压器T803初级绕组是否局部短路,整流滤波元件D802、C805是否击穿漏电。若F801完好,查T803初级绕组是否开路、IC804是否失效、接插件CN80l③④脚是否接触不良。
若红色管点亮,则按遥控器“POWER”键,若红管不熄、绿管不亮、听不到继电器吸合声,则故障在控制系统。先查IC001 47脚VDD 5V电压、15脚RESET复位电压、17脚8MHz主时钟、②脚STB DET高电平是否正常,然后再测三组I2C总线电压及EEPROM存储器IC002。
接通电源开关S80l,若绿色管点亮但继电器不吸合,表明CPU系统已进入工作,故障在ON/OFF转换电路。查RL801电磁线圈是否开路,Q80l和Q802是否导通,POWER信号传输通道中的相关电阻R052、R818是否变质,CN801①②脚是否接插良好。
按下S80l后若绿管点亮,且听到RL801的吸合声,测量厚膜电路IC80l③脚电压为300V,但T804二次绕组均无直流供电,说明主开关电源没有振荡能力。可在IC801④脚加上+18V维修电压,若主电源振荡工作,则查④脚启动电阻R803、R804、T804⑤③绕组、R807和D805组成的+18V供电回路;若仍不能正常振荡,则查IC801②脚过流取样电阻R810是否变质,光电耦合器IC802副边光敏管是否击穿,IC801各引脚焊点接触是否良好。这些因素若被排除,表明IC801失效。
如果测得主开关电源二次绕组供电不到正常值的1/3,表明电源工作在问歇振荡状态。应查主电源稳压控制环路中的IC803、IC802是否失效,IC801①脚电阻R809是否变质,R810是否变质。
若主电源二次回路+6V、+13V、+33V供电任缺一组,也会导致显示屏不亮,无图无声。这时应查相应供电电路中的快速保险F802、F803和F804。若保险丝断,说明负载过流短路。对于+6V供电,可依次断开ICl01、IC703、IC304;对于+13V供电,则依次断开IC606、IC202、IC702、IC601、IC605、IC301,将故障部位压缩在某一功能电路。如果是由ICl0l、IC703、IC304、IC305、IC202、IC702六组受控电源中1组无输出引起显示屏不亮、无图无声,则查相关的四端精密稳压器,包括其s控制端的限流电阻。
此外,还有一种典型故障是图像正常、无伴音。这时先查+18V音频功放供电是否正常:若F805熔断,则故障是音频功放输出IC608存在过流短路;若+18V供电正常,则查伴音小信号+12V、+9.0V供电。哪一路无电压,再查相应的稳压器IC606、IC601或IC605。
2.故障维修实例
[例1]显示屏不亮,无声无图。
分析检修:接通电源开关S801,机前指示灯不亮。查交流回路保险管F801熔断;测量S80l两个输出点电阻较正常43Ω小。换上副电源变压器,故障排除。
拆开电源变压器T803初级绕组,发现线包已多层击穿。如果找不到LG专用电源变压器,可选用市场5W/9V优质变压器上机,但注意体积要与原体积相近,且漏磁要小。
[例2]显示屏不亮,无声无图。
分析检修:与例1相同,指示灯不亮,F80l熔断。但测得T803初级绕组直流电阻正常,D802、C805良好。
又测IC801②③脚电阻仅数欧,显然MOSFET开关管击穿。观察sTR—F6553塑封面并无凸起变形,推测是过电压击穿而不是过流热击穿。测开关变压器T804⑦①主绕组直流阻抗正常,查浪涌电压抑制电路D804正反向电阻均无穷大。
换上开关二极管D804和厚膜块STR—F6553,故障排除。
对于LG等离子电视选用的三肯原装STR—F6553厚膜块来说,自身损坏的机率很小,一般系外围电路异常引起击穿(过压或过流)。因此,检修时一定要查明损坏原因,一次性清理相关的失效元器件。否则,更换的新电源厚膜块会重新损坏。
[例3]显示屏不亮,无声无图。
分析检修:接通电源开关S801,红指示灯发光较暗。测三端稳压器IC804输入端电压为+9V,测输出端电压只有2.7V左右。
查滤波电容C824良好,拔去接插头,再测STBY电压仍为2.7v。更换IC804,开机,PDP工作正常。
[例4]显示屏不亮,无声无图。
分析检修:接通交流电源,红色灯发光,按遥控器“POWER”键。红管不熄,且听不到继电器吸合声。测IC001 47脚电压VDD=5.0v、17脚8MHz时钟正弦波正常,15脚RESET端电压为4.9v,将15脚对地瞬间短路,CPU仍无POWER高电平输出。
又测STBY+5v欠压检测电路IC004输出端电压只有1.7V,正常应为3.8v。查电容C101漏电。换上0.1uF片电容,故障排除。
对于等离子电视、液晶数字电视和高挡背投电视一类高级平面显示视频产品来说,由于CPU处理数据容量庞大,速度很快,控制系统都有sTBY+5V欠压检测电路。微处理器在得到STBY+5V电压、RESET复位信号和主时钟(或基准时钟)后,还要检测到STB DET端的高电平信息,才会执行键入指令,否则关闭包括开机在内的所有程序。因此,STB DET高电平可称为CPU第4工作条件。
[例5]显示屏不亮,无声无图。
分析检修:接通电源开关S801,绿色发光管点亮,但听不到继电器吸合声。绿管点亮表明IC00l获得电源、RESET信号、8MHz时钟和sTB DET高电平支持,且通过自检从20脚送出POWER高电平。
测量RL80l电磁线圈两端直流电阻约56Ω正常,又测Q802集电极电压5.0V、基极电压0V。查Q801及偏置电路,发现Q801失效。换上同规格的晶体三极管,故障排除。
[例6]显示屏不亮,无声无图。
分析检修:接通交流电源,绿色管点亮,且伴有继电器吸合声。测IC801③脚电压298V,但电源二次回路均无直流供电。
在IC801④脚加上+18V维修电压,开关电源振荡供电。查④脚电源启动电路中的R803、R804,发现R804由47k变质增大至100k以上。换上标称值电阻,故障排除。
[例7]显示屏不亮,无声无图。
分析检修:接通电源开关S801,绿色管点亮,且听到继电器吸合声。测IC801③脚电压为30lV,但主电源二次回路不供电。
在IC80l④脚加上+18V维修电压,开关电源仍无法振荡工作,排除电源启动电路和小信号供电电路故障。查IC80l各引脚焊点接触良好,又查R809、R810、IC802等相关元件,发现光电耦合器IC802副边光敏管两只引脚焊点有锡丝短路。拔去锡丝,故障排除。
IC802内光敏管集射极短接后,+18V电源由:R809+R810∥R811分压直接加到IC802①脚内部电压比较器II,使之翻转,强制刚起振的OSC电路立即停振,造成开关电源不能正常持续振荡供电。
[例8]显示屏不亮,无声无图。
分析检修:接通交流电源,绿色灯点亮,继电器发出吸合声。测IC801③脚为298V,④脚为17.8V。又测二次回路4组直流供电,发现+13V供电回路保险F804已经熔断。
测+13v负载直流电阻只有几欧,查滤波电容C819、C820良好,依次断开+13V负载回路中的IC606、IC202、IC702、IC601、IC605、IC30l输入端,发现开路IC60l时负载总电阻基本正常。查三端稳压器输入端对地接近短路。换上新的稳压块,故障排除。
[例9]无伴音。
分析检修:根据“检修思路”提示,无伴音故障发生在图1中的+18v音频功放供电和图4中的+12V供电(IC606稳压)、+9v供电(IC601、IC605稳压)电路,与公共通道供电无关。
测量音频功放+18V供电电压为0V。查输入端保险F805已经熔断。检查功率放大模块IC608,发现11脚R通道输出管击穿。换上LA4282功放模块,伴音恢复正常。
[例10]无伴音。
分析检修:测量音频功放+18V供电正常,又测伴音小信号电路+12V电压为0V。查IC606的S端电阻R686呈无穷大。换上标称值为4.7k电阻,伴音恢复正常。
IC606将+13V电压稳压调整成+12V,再由IC605稳压调整成+8v,还由IC609稳压调整成+5V(未画出),为多制式音频处理电路IC604模拟与数字部分供电。IC604因失去工作电源无法工作,引起无伴音。