LG-42LG50FR液晶电视的电源板采用LGP42-08H 电源方案:UCC28060+NCP1207+NCP1396AG   同LG-42LG50FR-TA电源板 
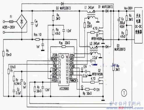
控制器IC UCC28060 , 300W LCDTV 电源双相转换模式 (TM) 的功率因数校正 (PFC) ,升压型前置变换器电路.如图1所示, UCC28060 是德州仪器 (TI) 近期推出的业界首款交错双相 TM — PFC 控制器。在数字电视、个人电脑、入门级服务器和电子照明镇流器等的系统中,帮助用户降低能耗。
 
 
 
在图 1 所示的电路中 ,AC 为交流输入电压 85~265V , DC 为输出电压 390V ,输出功率为 300W ,变换器开关频率最低值是 45kHz ,输入功率因数达 0.99 。系统效率不低于 92 %。
UCC28060 的⑦脚上的电阻分压器 (RA 、 RB) 用来检测输入欠电压 , 只要 AC 输入电压低于 64V , IC 则提供欠压 (brownout) 保护功能。 IC 的②脚上的分压器 (RC 、 RD) ,用来编程输出电压 Vo 值,并执行输出电压检测,只要 Vo>415v , IC 则执行过压保护功能。 IC 的⑧脚上分压器 (RE 、 RF) 用作编程 PWMCNTL( ⑨脚 ) 上的输出并感测输出高压。 RS 为电流感测电阻,在 RS=15m Ω条件下,将峰值电流限制在 13A 。 L1 和 L2 次级绕组用作检测过零时的电感电流 IC 脚 COMP( ⑤脚 ) 上的 R2 和 C2 为环路补偿元件, CP 用来滤除高频噪声。
 
 
 
图 2 是图 1 中的交错双相 TM — PFC 升压变换器的简化电路。 Cin 和 Co 分别为两个 PFC 升压变换器的公用输入和输出电容,升压电感 L1 、 PFC 开关 Q1 和升压二极管 D1 及 Cin 、 Co 。组成 A 相 ( 主 ) 变换器。由于 UCC28060 脚 GDA 和 GDB 上的 PWM 输出 ( 驱动 ) 信号存在 180 °的相位差,从而大大减小输入和输出纹波电流。
 
 
 
图 3 是交错双相’ TM — PFC 输出电容 C 。上纹波电流与单相 TM-PFC 的比较。由于纹波电流的减小,可使用更小尺寸的输入滤波元件和输出电容,其中输出电容的尺寸能减小近 30 %,系统材料成本降低 20 %。
传统单相 TM-PFC 升压变换器输出功率一般在 300W 以下,而双相交错 TM — PFC 电路的输出功率范围已扩展到 75~1000W 。交错双相 TM — PFC 的方法。能将轻载下的效率提高 5 %左右,满足 80Plus 和能源之星等标准要求。
交错双相 TM — PFC 电路仅增加 L2 、 Q2 和 D2 等几个元件 , 而性能却有较大的提升.成本有较显著降低,因此倍受人们的关注和青睐。
 
 
 
交流过压保护电路误动作技改
故障现象:无电源,有时无法启动
检查一下电源板上面的编号是否需要改善
1、检查电源板上面的变化32寸EAY40504401与37寸EAY40505501
2、找到相关元件位置拆除C108、ZD111、ZD112
		
		控制器IC UCC28060 , 300W LCDTV 电源双相转换模式 (TM) 的功率因数校正 (PFC) ,升压型前置变换器电路.如图1所示, UCC28060 是德州仪器 (TI) 近期推出的业界首款交错双相 TM — PFC 控制器。在数字电视、个人电脑、入门级服务器和电子照明镇流器等的系统中,帮助用户降低能耗。
 
 
在图 1 所示的电路中 ,AC 为交流输入电压 85~265V , DC 为输出电压 390V ,输出功率为 300W ,变换器开关频率最低值是 45kHz ,输入功率因数达 0.99 。系统效率不低于 92 %。
UCC28060 的⑦脚上的电阻分压器 (RA 、 RB) 用来检测输入欠电压 , 只要 AC 输入电压低于 64V , IC 则提供欠压 (brownout) 保护功能。 IC 的②脚上的分压器 (RC 、 RD) ,用来编程输出电压 Vo 值,并执行输出电压检测,只要 Vo>415v , IC 则执行过压保护功能。 IC 的⑧脚上分压器 (RE 、 RF) 用作编程 PWMCNTL( ⑨脚 ) 上的输出并感测输出高压。 RS 为电流感测电阻,在 RS=15m Ω条件下,将峰值电流限制在 13A 。 L1 和 L2 次级绕组用作检测过零时的电感电流 IC 脚 COMP( ⑤脚 ) 上的 R2 和 C2 为环路补偿元件, CP 用来滤除高频噪声。
 
 
图 2 是图 1 中的交错双相 TM — PFC 升压变换器的简化电路。 Cin 和 Co 分别为两个 PFC 升压变换器的公用输入和输出电容,升压电感 L1 、 PFC 开关 Q1 和升压二极管 D1 及 Cin 、 Co 。组成 A 相 ( 主 ) 变换器。由于 UCC28060 脚 GDA 和 GDB 上的 PWM 输出 ( 驱动 ) 信号存在 180 °的相位差,从而大大减小输入和输出纹波电流。
 
 
图 3 是交错双相’ TM — PFC 输出电容 C 。上纹波电流与单相 TM-PFC 的比较。由于纹波电流的减小,可使用更小尺寸的输入滤波元件和输出电容,其中输出电容的尺寸能减小近 30 %,系统材料成本降低 20 %。
传统单相 TM-PFC 升压变换器输出功率一般在 300W 以下,而双相交错 TM — PFC 电路的输出功率范围已扩展到 75~1000W 。交错双相 TM — PFC 的方法。能将轻载下的效率提高 5 %左右,满足 80Plus 和能源之星等标准要求。
交错双相 TM — PFC 电路仅增加 L2 、 Q2 和 D2 等几个元件 , 而性能却有较大的提升.成本有较显著降低,因此倍受人们的关注和青睐。
 
 
交流过压保护电路误动作技改
故障现象:无电源,有时无法启动
检查一下电源板上面的编号是否需要改善
1、检查电源板上面的变化32寸EAY40504401与37寸EAY40505501
2、找到相关元件位置拆除C108、ZD111、ZD112
			版权声明:本文为转载文章,版权归原作者所有,欢迎分享本文,转载请保留出处!
			
		
		
		
		
		
		
	