清华同方LE-4DTL1600液晶电视遭雷击后开机三无的维修

2023-02-16 17:33:02  阅读 1030 次 评论 0 条
摘要:

接修一台40英寸同方液晶电视雷击三无。打开机盖,查得保险管F1 (3.15A)已开路,其中桥式整流的半臂两只二极管DB2、DB1(RI206G)已短路。用万用表Rx1k挡测光耦P1(817B)的③、④脚正、反

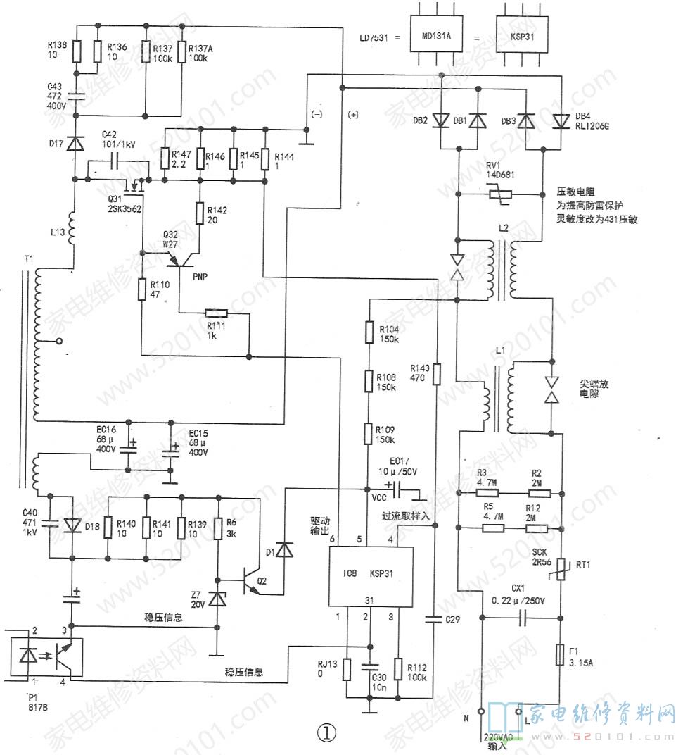
        接修一台40英寸同方液晶电视雷击三无。打开机盖,查得保险管F1 (3.15A)已开路,其中桥式整流的半臂两只二极管DB2、DB1(RI206G)已短路。用万用表Rx1k挡测光耦P1(817B)的③、④脚正、反向阻值均为18kΩ,看来是坏了。将以上损坏的元件换新,再拆下开关电源的主功率场效应管Q31(2SK3562)测量,已短路。查资料未能找到其参数,根据经验,用FQPF(12N60、12A/600V )场效应管换之后,再查发现与Q31 G极相连的贴片电阻R110也被烧坏开路。从该电阻残余数字及其功能分析,电阻上的标注应为470,即47Ω。该电阻为0805规格的贴片电阻,找到同规格的470贴片电阻换上。再查其他元件暂未发现新的问题,分别测量电源板次级电压输出端,即5V、12V、24V端,电压均为0V,由此判定IC8未工作。

        IC8为6脚贴片集成块,第⑥脚为驱动脉冲输出脚,通过R110(47Ω)传输到功率管Q31的G极。其中,Q31及R110均被雷击烧坏,相连一起的IC8看来也难逃厄运。询问了很多电子元件商,均无IC8。因无电路图,为方便维修,实绘部分电路图如图1所示。

清华同方LE-4DTL1600液晶电视遭雷击后开机三无的维修 第1张

       有关书籍介绍过贴片元件的简化标识,例如用于液晶彩电开关电源的电流模式控制器 LD7535,其简化标识为“35”,有8脚、6脚两种封装。6脚封装SOT-26与KSP31的封装一样。同理,是否LD7531简化标识为“31”,看来KSP不是型号,于是邮购LD7531。收到LD7531,一看也是简化标识,通过分析MD131A是同种贴片集成块。于是用自制拆焊工具拆去KSP31,换新为MD131A贴片集成块,通电试机,5V电压正常,按遥控器“开机”键,等上一会儿,正常的光栅及厂标字符出现,插入AV信号,整机已正常。试用几天后交付顾客,长时间使用均正常。
       体会:此次维修近一年后,查到LD7531可用LD7535、LD7526、OB2263、OB2262、CR6848、CR6850等等代换。使人不可理解的是,LD7531改标MD131A;KSP31、LD7535改标ID135;OB2273改标73S320;OB2263改标63D12A等等,觉得不像简化标识,有点故弄玄虚。
版权声明:本文为转载文章,版权归原作者所有,欢迎分享本文,转载请保留出处!