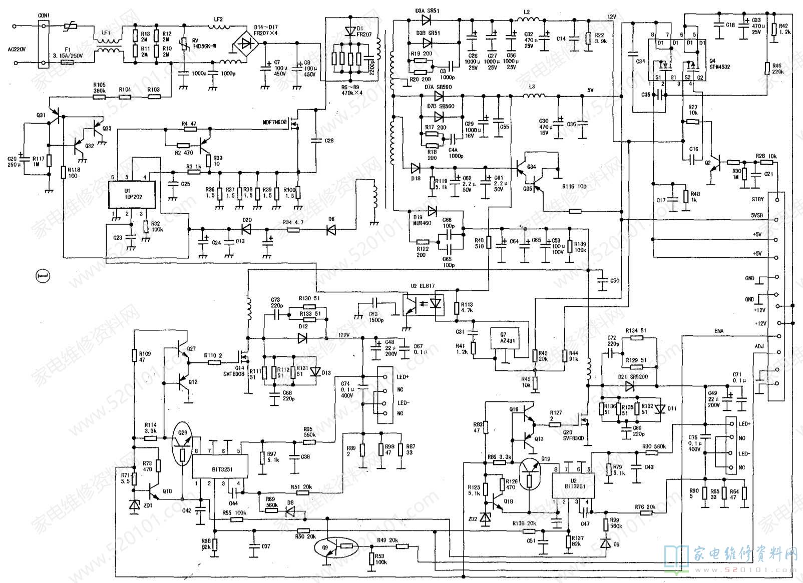
接修一台清华同方32英寸液晶电视机LE-32TL1900,故障表现为不开机,查出是开关电源板的高压侧多个元件损坏,主要是电源管理芯片IDP202击穿,场效应功率管7N60B的漏极烧断,源极5个过流检测电阻烧断开路,栅极驱动电阻烧断开路,整流桥中一个二极管击穿短路,怀疑光耦EL817也损坏。该机电源板TP072UG07-00.Gp(TP072UG07-VER 1.0)是一块通用电路板,可以用在多款清华同方32英寸LED背光液晶电视机上,有LE-32TL1600、32TL1800、LE -32TL1900、LE -32TM1000,LE -32TM1600、LE32TX1600等,淘宝上买一块要一百多元。
从网上了解到该电路板的电源管理芯片DP202,场效应功率管7N60B是易损件,一般更换其相关元件就可以修复,不必购买昂贵的整块板子。但问题是印有DP202的电源管理芯片,网上找不到相关参数及代换资料。我对该型号电路板做了实机测绘,见图1,分析其电路原理,知道这个芯片可以代换的型号很多,而且淘宝上价格仅为2元。我换了上述全部损坏的元件,十几元就修复了电视机,比买一块电源板极大降低了维修成本。
为了让广大读者有所了解,特将可代换电源管理芯片IDP202的其他型号芯片告知:OB2262、OB2263、LD7550、LD7535、CR6848、CR6850、SG6848、SG6849、SG5701等。由于同型号芯片有8脚和9脚不同规格的封装,购买时请告知卖家,要sOT23-6的6脚封装就可以了。另外,芯片的印字也不一定和型号名称一致,比如我换的SOT23-6的6脚封装的OB2263,芯片印字就是63B15或63A23P ,也请注意。电源板TP072UG07-00.Gp (TP072UG07-VER1.0 )所用芯片简介:IDP202①脚接地;②脚是反馈输入端,接光耦EL817用以控制PWM脉宽使电源输出电压稳定;③脚是电源振荡频率设置端,频率为Fosc=65/RT( kQ )x100(kHz),RT为该脚对地电阻值。本电路板设定为65kHz;④脚是电流检测端,检测场效应功率管源极对地电阻流过的电流,超过设定值,关闭电源输出;⑤脚是芯片供电端;⑥脚是PWM驱动输出端,驱动功率场效应管7N60B。
STM4532芯片内置一个N沟道大功率场效应管和一个P沟道大功率场效应管。当开机时,待机信号高电平使三极管Q2饱和导通,其c极使芯片④脚(P沟道场效应管2的栅极)低电平,接12V电源的③脚(场效应管2的源极)和⑤脚、⑥脚(场效应管2的漏极)导通,⑤脚、⑥脚输出12V。12V同时由R46加到②脚(场效应管1的栅极),使接5V电源的⑦脚、⑧脚(场效应管1的漏极)和①脚(场效应管1的源极)导通,①脚输出5V。
BIT3251的①脚是芯片的供电端;②脚是芯片的开关端,高电平芯片启动;③脚是内部误差放大器的输出端;④脚是内部误差放大器的负输入端,通过检测LED负端对地电阻的压降,控制LED的电流恒定,发光稳定。三极管Q9、R55和D8.R69控制④脚输入电压,即控制LED的亮度;⑤脚是LED过电压检测端,检测LED正端对地电压,控制LED两端电压稳定不超过设定值(R95和R97的比值);⑥脚⑦脚接地;⑧脚是PWM驱动输出端,驱动功率场效应管SVF830D。
