液晶彩电主板电路需各种直流电压,如33V、12V、5V、3.3V、1.8V、1.2V等。这些电压,有的由开关电源直接提供,有的则由DC-DC电路产生。即使同一数值的电压,因用途不同也不能公用,例如5V电压,由两个DC-DC电路分别产生5V-IF和5VAIN电压。检修主板时,必须弄清各种直流电压的来龙去脉,下面以TCL L32F19液晶电视为例进行分析。
一、DC-DC电路分析
该机主板上电压系统如图1所示,电源板输出3.3Vsb和12V两组电压到主板。3.3Vsb 给U002 (小CPU )供电,12V则分三路:第一路给数字伴音功放集成块U600(STA5593W)供电,第二路去上屏电压控制管U802(双P沟道贴片场效应管4803),给逻辑板供电。第三路去DC-DC电路,下面重点分析DC-DC电路。

(1)12V转5V-IF
12V经二极管D104加到U101(L1117-5C)的③脚,如图2所示,经U101稳压后从②脚输出,5V-IF电压给TV部分供电,如高频头用的5V,中放电路用的5V。5V-IF电压还用来形成33V调谐电压。

(2)5V-IF转33V
5V-IF电压经过以Q101为核心的振荡电路后,产生频率约435kHz的脉冲电压,再通过二倍压整流、滤波、稳压产生33V直流电压,供高频头使用,如图3所示。

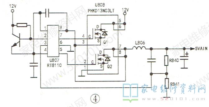
(3)12V转5VAIN
该电路主要由驱动芯片U807 (RT8110)和U808(PHKD13N03LT)等组成,如图4所示。

12V电压加到U807的④脚后,电路起振,从⑦脚⑤脚输出驱动信号,分别送给U808的④脚和②脚交替变化的高低驱动电平脉冲,使Q1、Q2交替导通,于是在电感L806的左端产生幅度约12Vp-p.周期为3us(即频率为333kHz脉冲由于U808内部Q2的阻尼二极管充当了续流二极管,故在电感L806的右端产生了5VAIN电压。
R840、R841是5VAIN分压取样电阻,取样电压反馈给U807的③脚,若改变R840、R841的阻值,就能改
变输出电压。
说明:U807 是8脚贴片集成块,体积很小,与贴片二极管差不多;平板电视有些部件的型号识别有些困难时,需参照图纸辨别,或其他类似产品的电路图进行参考。另外,U808是双N沟道8脚贴片场效应管。
(4)5VAIN转3.3AVDD
5VAIN电压加到U806(AZ1084-33LE)的③脚,从②脚输出3.3AVDD电压,如图5所示,该3.3V除给主芯片U201(MST6M68 )供电外,还给主板其他电路供电。

(5)5VAIN转1.8V
5VIN电压通过Q806、D806、D805 加到U810(AZ1084-L8E)的③脚,从②脚输出1.8V ,如图6所示,该1.8V电压除U201供电外,还给DDR存储器U404(K4T511630GHCF7)供电。

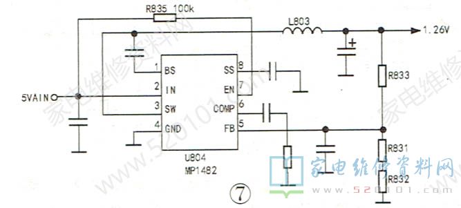
(6)5VAIN转1.26V
该电路如图7所示,5VAIN加到U804(MP1482DF )的②脚后,电路起振,在L803的左端产生幅度约6Vp-p、周期为3.2us(频率为313kHz )的脉冲,由于U804内有续流二极管,故在L803的右端产生1.26V电压。

R833、R831、R832是1.26V分压取样电阻,取样电压反馈给U804的⑤脚,改变它们的阻值,就能改变输出电压值。因此,若1.26V 不正常,则需检查这三只电阻。该1.26V给U201的内核供电。
二、故障检修实例
例:一台TCL L32F19型液晶电视,三无。
分析检修:通电试机,发现背光始终不亮。测电源板输出的24V、12V、3.3Vsb均正常。由于背光不亮,无法知道电视机处于哪种信号输入状态,因此无法判断伴音是否正常。决定先按背光不亮故障来检修。
监测点灯控制BL-ON/OFF信号电压,开机后始终为0.1V,正常信号为3V左右。将BL-ON/OFF端与3.3Vsb电压短接,背光亮,这说明故障在主板。该机点灯信号控制电路如图8所示,正常时U801、UN31P输出0V低电平,Q802截止, BL-ON/OFF端电压约为3.3V背光点亮。

测Q802的集电极电压为0.1V,基极电压为0.7V,由此可见Q802已饱和导通,测得排阻R306左端(与U201的⑨脚相通)电压为1.2V,而正常值应接近0V,判断主芯片工作不正常(编者:U804⑦脚EN为使能端,需高电平IC才会启动工作)。
参见图1, 测量主板上的各直流电压,发现1.26V电压为0V。参见图7,测U804的②脚电压正常5.1V,但L803左端无脉冲波形,说明U804没起振,查U804外置贴片电容均正常,更换U804无效,最后查出贴片电阻R835开路,换新后故障排除。
值得注意的是, 本机有两套控制系统,一个是小CPU( WT6702F )u002,它有单独的复位电路与32kHz振荡电路,供电是3.3Vsb,另一个就是U201内的MCU。
其中小CPU只用于电源板的开/关控制,其他功能(如背,光控制等)都是由U201控制的,当主芯片因缺少1.26V供电而不能正常工作时,小CPU仍能对电源板进行指令控制。在此例故障中,遥控开机后电源板输出的24V、12V、3.3Vsb电压都正常,这样主板上的DC-DC转换电路,除了1.26V 形成电路U804外,其他DC转换电路都正常工作,此时由于主芯片未完全工作,所以整机表现出三无故障了。
小结:1.修液晶彩电主板必先查供电,查供电必须了解DC-DC电路的供电走向。2.主芯片供电有多种,且供电脚多达十几只,由于主芯片引脚细密,直接测量其供电脚电压很困难,可通过测DC-DC电路的电压来间接判断。