乐视X4-55C液晶电视不能连接有线网络的维修思路

2022-08-11 19:45:15  阅读 1032 次 评论 0 条
摘要:

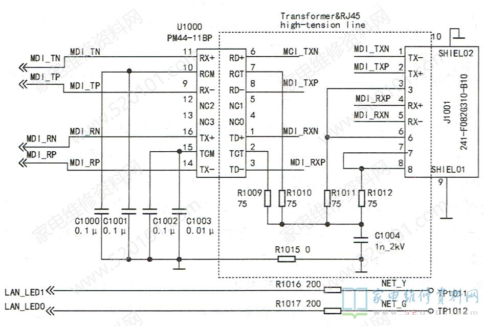
如果不能连接有线网络,先检查网线接口的连接情况,插入网线后,观察网口指示灯是否点亮。正常情况下,黄色指示灯一直亮,表示已经建立数据连接关系;绿色指示灯闪烁,表示有数据通信。若这两个指示灯均不亮,则表明网线连

     如果不能连接有线网络,先检查网线接口的连接情况,插入网线后,观察网口指示灯是否点亮。正常情况下,黄色指示灯一直亮,表示已经建立数据连接关系;绿色指示灯闪烁,表示有数据通信。若这两个指示灯均不亮,则表明网线连接异常或网络芯片工作异常,可先更换网线一试。接下来检查网口输入至网络变压器U1000之间的线路,如图1所示。

     对比测量U1000数据端的对地电阻,若某引脚的阻值与其他脚相差较大,则重点检查该端的外围线路及焊点。如网络连接与输入电路无问题,则测量网络数据收发芯片的供电与晶振电路是否正常,如正常,则通过USB口升级软件。

乐视X4-55C液晶电视不能连接有线网络的维修思路 第1张

版权声明:本文为转载文章,版权归原作者所有,欢迎分享本文,转载请保留出处!