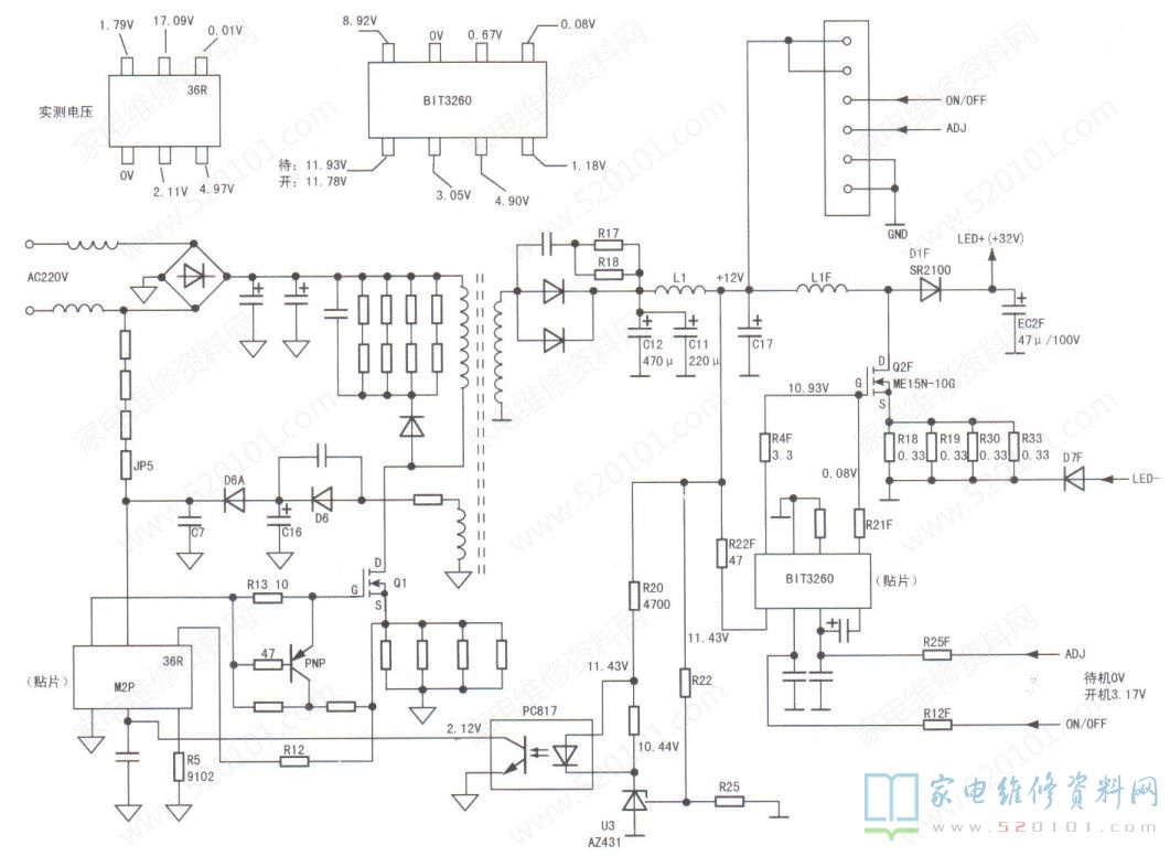
接修一台金正(NONATUS )液晶彩电,故障表现为通电后三无。根据故障现象分析,判断开关电源异常。该机采用电源背光二合一板,其实绘电路如下图1所示。
通电,测得电容EC2F( 47uF/100V )两端的电压为0V,市电整流输出电压为+310V,并且断电后+310V电压长时间不消失,判断开关电源未起振。在路测量,发现背光升压管Q2F( ME15N-10G )和升压二极管DIF(SR2100)击穿。更换Q2F和D1F后通电,电源指示灯亮,伴音正常,黑屏。
此时测得EC2F两端电压为+32V,正常,怀疑屏内灯条有问题,用点灯仪测试,灯条不亮,判断灯条损坏。拆开液晶屏灯条上多只灯珠已烧焦。更换灯条后试机,故障排除。
版权声明:本文为转载文章,版权归原作者所有,欢迎分享本文,转载请保留出处!
