联想50A21Y型液晶电视的背光控制芯片采用OZ9967GN(U100),其实绘电路如图1所示(见下页,图中没有标注容量的电容为贴片电容),U100的引脚功能见表1。
一、电路原理
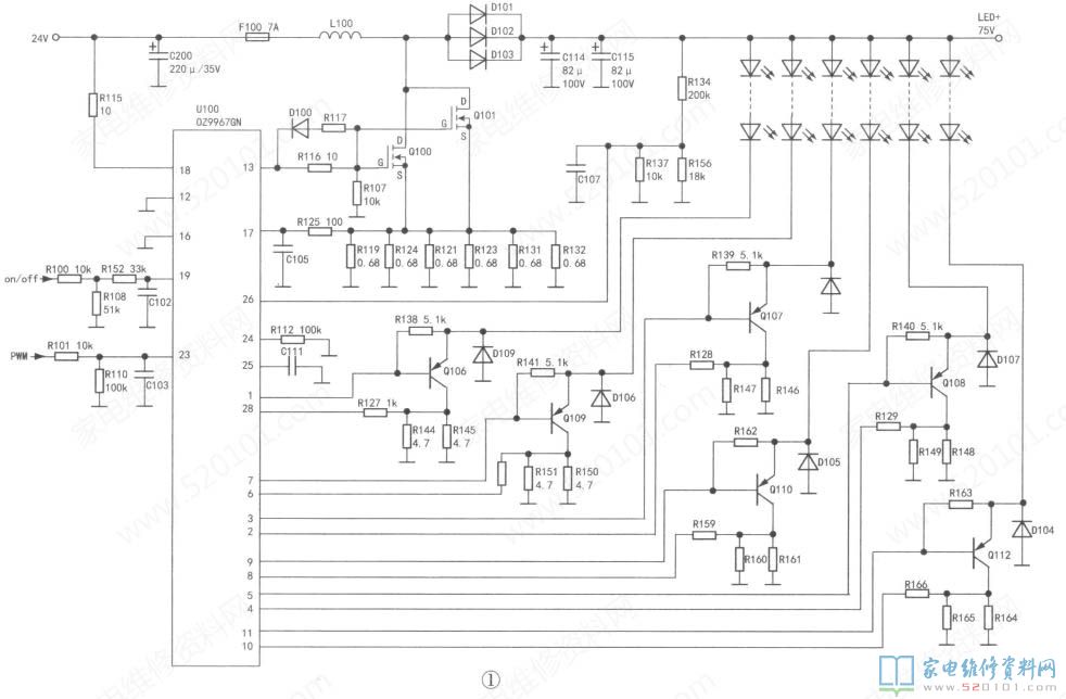
二次开机后,24V电压通过储能电感L100加到开关场效应管Q100、Q101的漏极,同时24V电压通过电阻R115送到U100的供电端⑱脚,主芯片输出的on/off信号为高电平(电压为4.2V),通过电阻R100、R152加到U100©脚,背光亮度调节脉冲(直流电压约为4V)通过电阻R101送到U100㉓脚,50。启动工作,从⑬脚输出驱动脉冲,使场效应管Q100、Q101工作在开关状态,在储能电感L100的右端产生了幅度约为70Vp-p的脉冲电压(如图2所示)。
该脉冲电压经续流二极管D101-D103整流后得到约50V直流电压,与24V供电电压叠加,经电容C114、C115滤波后得到LED+电压,供给六路灯串。Q100,Q101的源极对地接有6只并联的0.68Q电阻,这些电阻两端的压降通过电阻R125送到U100的17脚。当⑰脚电压超过0.5V时,U100⑬脚停止脉冲输出,以实现过流保护。LED+电压过压保护由取样电阻R134、R137、R156,滤波电容C107及U100㉖脚内部电路组成。当LED+电压过高,使氏137或R156上的压降超过2.8V时,U100⑬脚停止脉冲输出,实现过压保护。
为了使灯串电流恒定,U100外接了6组恒流控制电路,对每一路灯串进行单独的电流控制。PNP型三极管Q106~Q110、Q112(型号均为MJE172)为恒流控制管,其发射极接灯串的负极,基极接U100的恒流控制端,集电极接电流取样电阻。灯条电流经电流取样电阻转化成电压送给U100,经U100内部电路比较、放大,然后从U100对应的恒流控制端输出电压,改变对应三极管的导通程度,即改变灯串电流。
二、故障检修实例
一台联想50A21Y型液晶电视,黑屏,伴音正常,分析检修:用手电筒照射屏幕,可见暗淡的图像,说明背光电路或灯条有问题。上电,测得LED+电压为24V,正常值约为75VO断开灯条连线再开机,测得LED+电压仍始终为24V,说明背光驱动电路有问题。测U100⑱脚供电及Q100、Q101的漏极电压均为24V,正常情况下U100⑲脚电压为4.2V,㉓脚调光信号为5Vpdp方波,直流电压约为4V,均正常,但U100⑬脚无驱动脉冲输出,怀疑500不良,将其换新后故障排除。
