1、概述
M61260/M61264/M61266 是日本三菱公司生产的电视信号处理集成块,内部完成:中频放大、锁相环检波、AGC控制、VCO调整、AFT电压检测等处理后,再检波从视频信号。
M61260/M61264/M61266内部进行亮/色分离,亮度通道具有伽玛校正、黑电平扩展、直流恢复、延迟电路等,色度通道具有自动识别彩色制式、基带延迟、PAL/NTSC解码等处理电路。
完成:中频放大、锁相环检波、AGC控制、VCO调整、AFT电压检测等处理后,再检波从视频信号。
2、特点
z 内置VIF VCO本振:38.0M、38.9M、39.5M、45.75M、34.47M
z 内置伴音滤波和陷波器
z 伴音制式解调:4.5M、5.5M、6.0M、6.5M、5.742M
z 数字AFT
z 电视制式:PAL/NTSC/SECAM(只在M61260有)
z 兼容南美制式:PAL-N/PAL-M
z 内置彩色滤波和亮度延时
z 内置1行彩色延时
z 黑电平延伸电路
z 内置行VCO电路
z 内置MCU复位电路
z 可选OSD半透明功能
z MCU时钟(4.43M)输出
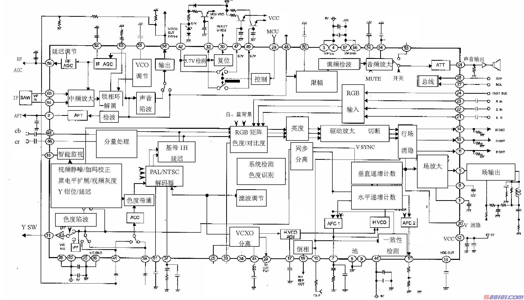
3、内部方框图 
4、引脚功能
引脚 符号 功能 直流电压(V)
1 V RAMP CAP 场锯齿波 3.0
2 AFT OUT 自动频率控制输出 1.65
3 VIF VCC +5V 5
4 SIF VCC +5V 5
5 V-DRIV 场驱动输出 2.97
6 V-FB 场反馈 3.67
7 H-PLL 行锁相环 3.53
8 DEF GND 地 0
9 LOGIC GDN 地 0
10 FBT IN 行逆程脉冲输入 0.8
11 H-DRE 行驱动输出 2.3
12 DEF VCC +8V 8.1
13 VDD OUT (NC) VDD供电滤波 5
14 R OUT 红色输出 2.5
15 G OUT 绿色输出 2.3
16 B OUT 蓝色输出 2.1
17 H-VCO 行VCO
18 MONITOR 管理控制 3
19 HSYC 行同步 1.2
20 VSYC 场同步 4.9
21 B IN 字符蓝色输入
22 G IN 字符绿色输入
23 R IN 字符红色输入
24 FB-IN 字符消隐输入
25 CLK CONT 时钟控制 5
26 SDA IIC总线数据控制 3.8
27 SCL IIC总线时钟控制 3.5
28 STANBAY 待机控制 5
29 CLK OUT 时钟输出 3.37
30 RESET 复位 5
31 CVBS OUT 复合视频信号输出 2.4
32 MCU 5.7V OUT 微处理器5.7V 供电输出 5.63
33 ABL 自动亮度控制 2.5
34 XTAL 晶体振荡 3.3
35 DRIVE GND 驱动地 0
36 V/C GND VCO接地 0
37 CROM PLL 锁相环滤波 3.28
38 EXT/C IN 外部色度信号输入 2
39 DRIV VCC(5V) +5V 5
40 VIDEO/CROM VCC +5V 5 [Page]
41 TV/Y IN 亮度信号输入 2.6
42 VGREG VCC +8.7V 8.95
43 DDS FILTER DDS滤波 1.78
44 AUDIO/RGB VCC +8V 8.1
45 PAL ID(CB) 分量CB输入 1.7
46 CR 分量CR输入 1.68
47 SW 8.7V SW 8.7V 8.7
48 SIF IN 伴音中频输入(空脚) 2.45
49 SW 5.7V SW 5.7V 5.7
50 SIF MAX 伴音中频滤波 3.43
51 AUDIO OUT 伴音输出 2.54
52 AUDIO BYPASS 伴音旁路滤波 3.45
53 EXT AUDIO IN 外部音频信号输入 3.2
54 FM DIRECTOR OUT FM滤波输出 3.25
55 VIF VCO 图象中频VCO 3
56 SIF GND 地 0
57 VIF GND 地 0
58 TV OUT TV输出 3.8
59 RF AGC 高放AGC 4.8
60 VIF PLL 图象滤波 2.23
61 VIF AGC 图象AGC 4
62 IF AGC 中频AGC 2.9
63 IF IN1 图象中频输入1脚 1.7
64 IF IN2 图象中频输入2脚 1.66