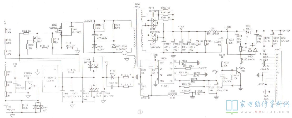
接修一台海尔U50H3型液晶彩电,遥控关机后再开机,三无。上电试机,机内有轻微的“吱吱”声,但面板.上的待机指示灯不亮。拆机检查,该机采用二合一电源板,开关电源输出待机5Vsb电压和一组受开/待机电路控制的12V电压,背光电源驱动2组灯条。上电测得5Vsb待机电压为0.2V,明显异常。该机开关电源电路如图1所示,上电后U100( LD7537 )进入工作状态。D200.D201整流输出+12VB电压,一路通过Q202(P沟道场效应管)控制后输出+12V,另一路送到以U200( RT8284 )为中心的DC-DC变换电路,输出5Vsb电压。测得U200②脚输入的12V电压正常,但③脚电压是0.2V。
拔下电源板去往主板的供电线,通电后测得电源板上插座coN2①脚(5Vsb)电压正常;接上一只5Q2/10W电阻作假负载,电压依然正常,说明电源板工作正常的,故障出在主板上。测得主板上5Vsb输入端对地阻值为0.422,已短路。在主板上,5Vsb电压-路送给低压差线性稳压器U27,输出3.3V待机电源供给CPU( T962),另-路通过保险电阻5FB1及插座CN3供给WIFI模块。断开CN3连线后再测5Vsb对地阻值,升至1.89k, 说明WIFI模块短路。检查WIFI模块电路,发现5Vsb电压经过两只贴片电容滤波,送到一个5脚芯片的①脚。根据线路走向判断,这个5脚芯片应是稳压芯片,其⑤脚是输出端。在路测量⑤脚对地电阻为16.27k, 说明后级负载未短路,短路点应在芯片①脚至5Vsb输入端之间。为快速判断故障元件,决定采用外加电压方法进行检测:先在相关元件表面涂上一层松香,然后外加5V电源(把输出电流调为1A),接通电源后,发现一只贴片电容。上的松香颜色变深,呈融化状态,说明该电容短路。拆下该电容再测,5Vsb端对地电阻值为179k,不再短路。
更换电容(也可不用安装),恢复WIFI模块与主板的连线后,上电试机,故障排除。
